User Tag List

Показано с 1 по 6 из 6

Тема: Видеомодуль КУВТ1

  1. #1

    Регистрация
    08.07.2015
    Адрес
    г. Бохум, Германия
    Сообщений
    1,798
    Спасибо Благодарностей отдано 
    217
    Спасибо Благодарностей получено 
    703
    Поблагодарили
    348 сообщений
    Mentioned
    1 Post(s)
    Tagged
    0 Thread(s)

    По умолчанию Видеомодуль КУВТ1

    С досадой обнаружил, что видеомодуль на КУВТ1 не выдает композитное видео. Звук есть, RGB выход в норме, а композитный мертв. Даже милливольта нет. На плату все сигналы приходят. Транзисторы и диоды в норме. Это LVA510 сдохла или что-то другое?

  2. #1
    С любовью к вам, Yandex.Direct
    Размещение рекламы на форуме способствует его дальнейшему развитию

  3. #2

    Регистрация
    13.04.2009
    Адрес
    Kemerovo
    Сообщений
    396
    Спасибо Благодарностей отдано 
    1
    Спасибо Благодарностей получено 
    7
    Поблагодарили
    5 сообщений
    Mentioned
    0 Post(s)
    Tagged
    0 Thread(s)

    По умолчанию

    а если выход (разъем) омметром померить ? по идее 75 ом должно показывать.. если 0 то пробой скорее всего.. если бесконечность то обрыв где то. и насчёт возможной статики.. выхода из строя при подключении на горячую.. входы - выходы достаточно низкоомны.. пробой статикой или наводками маловероятен.. Если только у какого то устройства фаза на корпус не попала, а другое было заземлено
    Последний раз редактировалось ptero; 01.09.2015 в 17:03.

  4. #3

    Регистрация
    08.07.2015
    Адрес
    г. Бохум, Германия
    Сообщений
    1,798
    Спасибо Благодарностей отдано 
    217
    Спасибо Благодарностей получено 
    703
    Поблагодарили
    348 сообщений
    Mentioned
    1 Post(s)
    Tagged
    0 Thread(s)

    По умолчанию

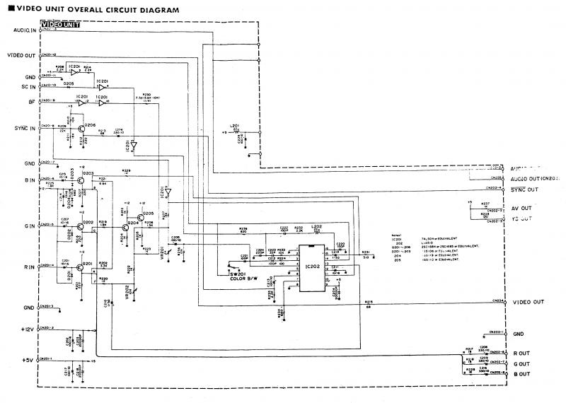
    Были случаи поломки этой микросхемы, так что я заказал новую и её поставлю в панельку для начала. Если не получится, буду копать дальше. Но так как RGB работает, подозрения падает на эту микросхему, так как только она геренит композит.
    Миниатюры Миниатюры Нажмите на изображение для увеличения. 

Название:	vmodule.jpg 
Просмотров:	267 
Размер:	56.0 Кб 
ID:	53321  

  5. #4

    Регистрация
    13.04.2009
    Адрес
    Kemerovo
    Сообщений
    396
    Спасибо Благодарностей отдано 
    1
    Спасибо Благодарностей получено 
    7
    Поблагодарили
    5 сообщений
    Mentioned
    0 Post(s)
    Tagged
    0 Thread(s)

    По умолчанию

    ну... если есть осцилопупер можно по входам посмотреть.. на наличие синхры.. итд

  6. #5

    Регистрация
    08.07.2015
    Адрес
    г. Бохум, Германия
    Сообщений
    1,798
    Спасибо Благодарностей отдано 
    217
    Спасибо Благодарностей получено 
    703
    Поблагодарили
    348 сообщений
    Mentioned
    1 Post(s)
    Tagged
    0 Thread(s)

    По умолчанию

    Цитата Сообщение от ptero Посмотреть сообщение
    ну... если есть осцилопупер можно по входам посмотреть.. на наличие синхры.. итд
    Смотрел. Все есть. Но на выходе ноль... Буду менять пал кодер...

  7. #6

    Регистрация
    08.07.2015
    Адрес
    г. Бохум, Германия
    Сообщений
    1,798
    Спасибо Благодарностей отдано 
    217
    Спасибо Благодарностей получено 
    703
    Поблагодарили
    348 сообщений
    Mentioned
    1 Post(s)
    Tagged
    0 Thread(s)

    По умолчанию

    Сегодня приехали их Китая заказанные LVA510. После замены микрухи модуль заработал. Mission accomplished!

Информация о теме

Пользователи, просматривающие эту тему

Эту тему просматривают: 1 (пользователей: 0 , гостей: 1)

Похожие темы

  1. Сетевое ПЗУ КУВТ1
    от Wierzbowsky в разделе MSX
    Ответов: 42
    Последнее: 06.09.2015, 21:43

Ваши права

  • Вы не можете создавать новые темы
  • Вы не можете отвечать в темах
  • Вы не можете прикреплять вложения
  • Вы не можете редактировать свои сообщения
  •