User Tag List

Страница 22 из 134 ПерваяПервая ... 181920212223242526 ... ПоследняяПоследняя
Показано с 211 по 220 из 1333

Тема: Самодельный компьютер на Z80 и не только

  1. #211

    Регистрация
    13.12.2007
    Адрес
    Хабаровск
    Сообщений
    25
    Спасибо Благодарностей отдано 
    0
    Спасибо Благодарностей получено 
    0
    Поблагодарили
    0 сообщений
    Mentioned
    0 Post(s)
    Tagged
    0 Thread(s)

    По умолчанию

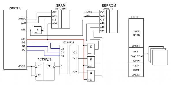
    Исходя из имеющихся чипов памяти намыслил адресацию-выбор памяти. Пока в протеусе разбираюсь еще поэтому извиняйте, кривовато изобразил в сплане. Прошу критиковать...
    Нажмите на изображение для увеличения. 

Название:	memory_CS.jpg 
Просмотров:	649 
Размер:	23.5 Кб 
ID:	57035
    Последний раз редактировалось fmulder007; 30.04.2016 в 19:42.

  2. #211
    С любовью к вам, Yandex.Direct
    Размещение рекламы на форуме способствует его дальнейшему развитию

  3. #212

    Регистрация
    13.12.2007
    Адрес
    Архангельск
    Сообщений
    2,189
    Записей в дневнике
    1
    Спасибо Благодарностей отдано 
    3
    Спасибо Благодарностей получено 
    13
    Поблагодарили
    13 сообщений
    Mentioned
    1 Post(s)
    Tagged
    0 Thread(s)

    По умолчанию

    Цитата Сообщение от fmulder007 Посмотреть сообщение
    Исходя из имеющихся чипов памяти намыслил адресацию-выбор памяти. Пока в протеусе разбираюсь еще поэтому извиняйте, кривовато изобразил в сплане. Прошу критиковать...
    Нажмите на изображение для увеличения. 

Название:	memory_CS.jpg 
Просмотров:	649 
Размер:	23.5 Кб 
ID:	57035
    надо понимать, сделано из учета наличия нужных микросхем?
    Ты слыхал как грузится Flyshark ?! нет, совсем не тот, что на дискете...а Flyshark, тот самый блин Flyshark...тот ,что был когда то на кассете...
    zx spectrum 48 issuse 6a, Ленинград-1, zx spectum 128 +2 grey,Пентагон-128, ZXM-Phoenix 5.02 ( assembly)

  4. #213

    Регистрация
    13.12.2007
    Адрес
    Хабаровск
    Сообщений
    25
    Спасибо Благодарностей отдано 
    0
    Спасибо Благодарностей получено 
    0
    Поблагодарили
    0 сообщений
    Mentioned
    0 Post(s)
    Tagged
    0 Thread(s)

    По умолчанию

    Цитата Сообщение от Totem Посмотреть сообщение
    сделано из учета наличия нужных микросхем?
    Да, но это первый мой самодельный "компьютер" и хотелось бы не подложить себе грабли таким решением. В наличие чипы SRAM из кэш памяти старых 486 материнок, по з2 килобайта на чип. EEPROM`ы от пней первых мегабитные. Планирую в первых 16кб ПЗУ расположить типа загрузчик-монитор с "драйвером" клавиатуры и дисплея, а в переключаемых страничках уже чего-нить полезное можно хранить. Думаю попробовать реализовать перепрошивку прям "из себя"

    Только ИР22 тут совсем не пойдут. Они не "защелкиваются". Надо или ТМ8 или ИР23 или ИР13. ТМ8 у меня есть но только 155 серии. ИР13 тоже 155 да они еще и здоровые. А ИР23 в наличие нет. А сейчас праздники

    В качестве тактового генератора поставил ЛН1 и ИЕ7. Кварц пока взял на 14318КГц. Потом ИЕ7. Позже буду разбираться с таймером - возможно пригодится подбирать кварцы, менять тактовую.
    Последний раз редактировалось fmulder007; 01.05.2016 в 04:23.

  5. #214
    HardWareMan
    Гость

    По умолчанию

    Если проинвертировать 3FH то подойдет. Но лучше просто стробировать его сигналом WR, использовав 1 элемент от ЛЕ1.

  6. #215

    Регистрация
    13.12.2007
    Адрес
    Хабаровск
    Сообщений
    25
    Спасибо Благодарностей отдано 
    0
    Спасибо Благодарностей получено 
    0
    Поблагодарили
    0 сообщений
    Mentioned
    0 Post(s)
    Tagged
    0 Thread(s)

    По умолчанию

    Цитата Сообщение от HardWareMan Посмотреть сообщение
    Но лучше просто стробировать его сигналом WR
    Тут я не очень догнал, Если вы про возможность применения ИР22 то судя по ее описанию она держит данные на выходах неизменными пока LE (11 нога) находится на уровне 0. Если LE равно 1 то ИР22 работает "насквозь". То есть выходы равны входам. В моей схеме соответственно инфа с трех линий шины данных все время будет гонять странички ПЗУ пока не дерну порт. Мало того - ИР22 не фиксирует это дело, то есть подняли LE и регистр забыл что за ПЗУ я выбрал.

    ....ААА Точно! Если LE все время будет 0 и IL не пройдет на ПЗУ а когда мне надо я его в 1 - данные попали на нужные адреса, потом он снова в 0 а адреса-то застряли!!! Спасибо!

    А зачем стробировать его WR? Я же хочу писать в ПЗУ! Хотя надо сделать так что бы я не мог писать в ПЗУ если адрес меньше 4000H что бы не "отрезать себе ноги"

  7. #216

    Регистрация
    13.12.2007
    Адрес
    Архангельск
    Сообщений
    2,189
    Записей в дневнике
    1
    Спасибо Благодарностей отдано 
    3
    Спасибо Благодарностей получено 
    13
    Поблагодарили
    13 сообщений
    Mentioned
    1 Post(s)
    Tagged
    0 Thread(s)

    По умолчанию

    Ноги отрезаны когда ты делишь 64K на 32к, сжирая озу , z80 там и живет.
    Ты слыхал как грузится Flyshark ?! нет, совсем не тот, что на дискете...а Flyshark, тот самый блин Flyshark...тот ,что был когда то на кассете...
    zx spectrum 48 issuse 6a, Ленинград-1, zx spectum 128 +2 grey,Пентагон-128, ZXM-Phoenix 5.02 ( assembly)

  8. #217

    Регистрация
    13.12.2007
    Адрес
    Хабаровск
    Сообщений
    25
    Спасибо Благодарностей отдано 
    0
    Спасибо Благодарностей получено 
    0
    Поблагодарили
    0 сообщений
    Mentioned
    0 Post(s)
    Tagged
    0 Thread(s)

    По умолчанию

    Цитата Сообщение от Totem Посмотреть сообщение
    Ноги отрезаны когда ты делишь 64K на 32к, сжирая озу , z80 там и живет.
    ну наверное в любом случае память нужно делить на ОЗУ и ПЗУ. И лучше если ПЗУ с 0000H начинается, так грузится проще. Или как? Посоветуйте как сделать лучше?

  9. #218

    Регистрация
    13.12.2007
    Адрес
    Архангельск
    Сообщений
    2,189
    Записей в дневнике
    1
    Спасибо Благодарностей отдано 
    3
    Спасибо Благодарностей получено 
    13
    Поблагодарили
    13 сообщений
    Mentioned
    1 Post(s)
    Tagged
    0 Thread(s)

    По умолчанию

    Цитата Сообщение от fmulder007 Посмотреть сообщение
    ну наверное в любом случае память нужно делить на ОЗУ и ПЗУ. И лучше если ПЗУ с 0000H начинается, так грузится проще. Или как? Посоветуйте как сделать лучше?
    процессор все одно стартует с 0000, ну а далее как хочется, собирал такой на "беcпайке",
    трудней придумать как пользоваться и для чего.

    вот посмотри тут
    http://www.z80.info/homebrew.htm
    оригинальное придумать сложно, быстро теряешь интерес, когда делаешь в одно лицо.
    могу предложить следующее, делать "хомбреву" на z180, мне одному скучно, cpu поделюсь, материалами
    тоже. Возможно еще Евгений, с орионом разберется, подключится. У него "внезапно", в коробочке
    аж 2 180 найдется.
    Даже придумал для чего и "покумекал" над балансом архитектуры, чтоб не очень сложно.
    Ты слыхал как грузится Flyshark ?! нет, совсем не тот, что на дискете...а Flyshark, тот самый блин Flyshark...тот ,что был когда то на кассете...
    zx spectrum 48 issuse 6a, Ленинград-1, zx spectum 128 +2 grey,Пентагон-128, ZXM-Phoenix 5.02 ( assembly)

  10. #219

    Регистрация
    13.12.2007
    Адрес
    Хабаровск
    Сообщений
    25
    Спасибо Благодарностей отдано 
    0
    Спасибо Благодарностей получено 
    0
    Поблагодарили
    0 сообщений
    Mentioned
    0 Post(s)
    Tagged
    0 Thread(s)

    По умолчанию

    Цитата Сообщение от Totem Посмотреть сообщение
    http://www.z80.info/homebrew.htm
    Тут я уже все себе в папочку скачал

    Цитата Сообщение от Totem Посмотреть сообщение
    могу предложить следующее, делать "хомбреву" на z180, мне одному скучно, cpu поделюсь, материалами
    тоже
    Я чувствую что не осилю. Помимо своего Z80 чуда у меня такая гора задачек. Параллельно делаю DDS на рассыпухе (регистры, сумматоры, цап), да и еще согласующее для антенны надо переделать. И все это в пару часов между тем как все уснули и тем как падаю сам.

    Что-то интернет испортился. Киньте в меня ссылкой на простейший программатора на LPT для EEPROM НЕ i2c! Для обычных флешек типа 27с512 и прочего. Не могу найти - все i2c вылазят...

  11. #220

    Регистрация
    03.07.2005
    Адрес
    Санкт-Петербург
    Сообщений
    10,168
    Спасибо Благодарностей отдано 
    147
    Спасибо Благодарностей получено 
    84
    Поблагодарили
    55 сообщений
    Mentioned
    1 Post(s)
    Tagged
    0 Thread(s)

    По умолчанию

    Цитата Сообщение от Totem Посмотреть сообщение
    Возможно еще Евгений
    Это невозможно, но Евгений курит папирусы на HD64180Z о 68 ногах. Забавный Z80 на полмега памяти рассчитаный, с кучкой периферии встроенной. Небогатой кучкой, да. Но USARTы в количестве пары штук есть. Да и нечто SPI-подобное тоже приколочено...
    Изучаю сигналы, прикидываю, что хочу от него получить.
    В конечном счете, это и есть самое сложное - найти применение

    П.С. Детальки для Ориона пока сильно запаздывают...

    - - - Добавлено - - -

    Цитата Сообщение от fmulder007 Посмотреть сообщение
    Киньте в меня ссылкой на простейший программатора на LPT для EEPROM НЕ i2c!
    Самому делать - Это Willem, наверное. Поищи на форуме, в "Hardware"->"Память".
    Но это убицца. Лучше купить готовый. Из самых недорогих - TL866, поищи в китаях (Алиэкспресс).

    - - - Добавлено - - -

    Помимо хитачевского Z180, наверное применю снова классическую схему 32/32 (ПЗУ/ОЗУ).
    Ибо лепить метр ОЗУ непонятно для чего - непонятно зачем
    Единственно, думаю слепить именно BASIC-машинку, с нормальным дисплеем минимум 8 строк.
    Один USART-порт MPU как раз можно отдать на вывод "терминального дисплея".
    Но для первого старта придется помудрить простенький Монитор.
    Воть... Клавиатура - не мучить Му-Му, а сразу ATtiny как контроллер PS/2. Первично. Потом можно будет поосваивать прерывания Z180, прицепив PS/2 прямо к нему.
    Фантазии...
    А что там у уважаемого Totem'а напридумывалось?
    Последний раз редактировалось Ewgeny7; 02.05.2016 в 20:49.
    ScorpEvo ZS 1024 turbo+ CF-HDD/FDD/Mouse/SMUC 3.1/ProfROMse/NeoGS/ZC
    Speccy-2007 128/AY/TR-DOS

    Сайт с документацией к "Scorpion ZS 256"

Страница 22 из 134 ПерваяПервая ... 181920212223242526 ... ПоследняяПоследняя

Информация о теме

Пользователи, просматривающие эту тему

Эту тему просматривают: 1 (пользователей: 0 , гостей: 1)

Похожие темы

  1. Самодельный станок для намотки ТВЗ
    от Ратмир в разделе Творчество
    Ответов: 3
    Последнее: 25.05.2017, 13:32
  2. Самодельный телевизор
    от KALDYH в разделе Творчество
    Ответов: 34
    Последнее: 18.09.2013, 13:09
  3. Самодельный kickstart под ЛУТ :D
    от fan в разделе Amiga
    Ответов: 6
    Последнее: 21.08.2010, 16:18
  4. Лучший самодельный компьютер
    от roxx в разделе Зарубежные компьютеры
    Ответов: 10
    Последнее: 08.12.2007, 22:53
  5. Самодельный принтер
    от Ewgeny7 в разделе Несортированное железо
    Ответов: 3
    Последнее: 07.08.2005, 18:11

Ваши права

  • Вы не можете создавать новые темы
  • Вы не можете отвечать в темах
  • Вы не можете прикреплять вложения
  • Вы не можете редактировать свои сообщения
  •