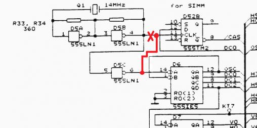
У меня KAY-256_v14 работает отлично. Решил расширить до 1Мб, подключил simm30 (пока как 256 не используя MA9 и MA10).
все перестало работать делал по схеме:
![]()
осциллограммы сигналов RAS (желтый) и CAS (зеленый)
Тут возникает вопрос из осциллограммы видно
Период RAS - 277ns
RAS to CAS delay - 63ns
Отрицательный полупериод - 145ns
Но характеристики ИМС расположенных на simm30 другие:
Как я понимаю данный модуль памяти работать не будет т.к. превышены все показатели
RAS to CAS delay максимум 50 а на кае 63 и т.д.
Вопрос: Может кто сталкивался с таким или у кого есть идеи по решению данной проблемы, или я что то не так понимаю.


Ответить с цитированием
Размещение рекламы на форуме способствует его дальнейшему развитию 

