Вот такую РК-шку я сделал в студенческие годы.
Оживить не удалось.. сильно сказались условия хранения..Дорожки на плате в некоторых местах сгнили..
Решил сделать новую.. Не пропадать же корпусу от СУРЫ с клавой. Ей повезло больше.
Помыл/перебрал смазал каждую кнопку.
..Наткнулся на проект Rokl-а. Сделал на его основе типа Микроком Лайт.
Считаю что не сильно надо в РК часы.. да и дисковод тоже.. и Сд-карточка.
Сделал только РОМ диск.. Туда весь мне известный софт влезет.. Так было сделано на старой моей РК-шке.
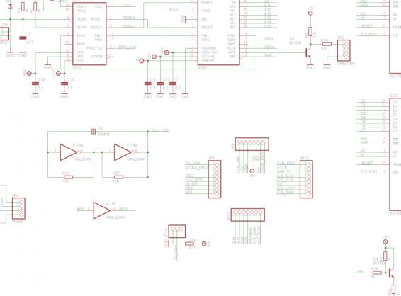
Хотел сделать компактную плату. Проц в корпусе QFP. Остальное тоже, что нашел...
Схемку приложу..
Дизасемблировал свой старый монитор.. Сильно я его тогда перекопал..
Допилил под новые реалии.
Вот такая платка вышла.. Это версия 1.. Пока клаву не прицепил.
Спасибо Саше (АлександрПП) за помощь с разводкой.
Планирую сделать версию 2. Не нравится формат видеовыхода. Из 5 моников дома захотел работать 1..
И то.. изображение смещено. Пиксели помигивают. HCT166 работать отказался. 1533ИР10 работает (она на МГТФе в кадр не попала), но криво.
Покопался в сети.чуть изучил тему.
Хочу весь обвес за ВГ75 запихнусть в CPLD типа Xilinx XCL9572XL.
Давно думал начать изучать Плисину на каком то проекте.
Т.е сигналы с ВГ-ки защелкивать в ТМ8, счетчики, регистр, курсор, ИР1 от Апогея, цвета, атрибуты LA0,1 использовать.
Сделать стандартные времянки гашения в развертке чтобы на любом монике работало.
Символ клок 3,177Mhz ВГ-шка должна потянуть. Сейчас на 3Mhz и импорт и наша работает. Чуть греется. но не критично
..тогда по идее выходит красиво 640х480@60Hz с стандартным пиксельклоком 25.175Mh и символом 8 точек.
и всеми правильными porch-ами. Так чтобы без мощных FPGA и скандаблеров.
Также есть мысль, чтобы не сильно раздувать ноги ПЛИСины, попробовать Знакогенератор засунуть в SPI ПЗУ.. Soic-8. Их сейчас
даже на 75Mhz полно.. Должна успеть..


Ответить с цитированием
Размещение рекламы на форуме способствует его дальнейшему развитию 



