User Tag List

Страница 1 из 4 1234 ПоследняяПоследняя
Показано с 1 по 10 из 33

Тема: Кворум бк-04 Simm30 и кз

  1. #1

    Регистрация
    11.05.2010
    Адрес
    Курск
    Сообщений
    353
    Спасибо Благодарностей отдано 
    2
    Спасибо Благодарностей получено 
    0
    Поблагодарили
    0 сообщений
    Mentioned
    0 Post(s)
    Tagged
    0 Thread(s)

    По умолчанию Кворум бк-04 Simm30 и кз

    Доброго времени суток. Давно я сделал расширение памяти, установив туда модуль Simm 30, все это дело было на проводах, в итоге вчера я решил все это окультуить и установить разъем на плату. Все бы ничего ,но после этого мы видим следующую картинку... Без пзу матраца - нет. Такое ощущение что озу тупо не работает. По идеи без озу и пзу должен быть чистый экран, без артефактов, но увы, мы видим это... Мне нужны подсказки, что копать, куда и где я мог сделать кз.https://vk.com/studiominmax?z=video-...l_-81946653_-2

  2. #1
    С любовью к вам, Yandex.Direct
    Размещение рекламы на форуме способствует его дальнейшему развитию

  3. #2

    Регистрация
    20.01.2016
    Адрес
    п. Власиха, Московская обл.
    Сообщений
    594
    Спасибо Благодарностей отдано 
    6
    Спасибо Благодарностей получено 
    41
    Поблагодарили
    22 сообщений
    Mentioned
    1 Post(s)
    Tagged
    0 Thread(s)

    По умолчанию

    Актуально ли еще? Больше месяца прошло... Вроде как похоже на проблему на мультиплексоре расширения, может сигналы какие-то перепутались или отвалились

  4. #3

    Регистрация
    11.05.2010
    Адрес
    Курск
    Сообщений
    353
    Спасибо Благодарностей отдано 
    2
    Спасибо Благодарностей получено 
    0
    Поблагодарили
    0 сообщений
    Mentioned
    0 Post(s)
    Tagged
    0 Thread(s)

    По умолчанию

    Цитата Сообщение от EvgenRU Посмотреть сообщение
    Актуально ли еще? Больше месяца прошло... Вроде как похоже на проблему на мультиплексоре расширения, может сигналы какие-то перепутались или отвалились
    Да, актуально. Я пока ждал ответа, успел починить Пентагон 128 после драг метчиков. Спасибо за подсказку. Я посмотрю на днях и проверь все сигналы.

  5. #4

    Регистрация
    11.05.2010
    Адрес
    Курск
    Сообщений
    353
    Спасибо Благодарностей отдано 
    2
    Спасибо Благодарностей получено 
    0
    Поблагодарили
    0 сообщений
    Mentioned
    0 Post(s)
    Tagged
    0 Thread(s)

    По умолчанию

    Разобрал весь навесной монтаж, не работает. Запаял, как было в оригинале и буду искать паленые микросхемы, сопли и микротрещины. Если кому интересно, то могу потом выложить фотографии неисправностей, и что было до меня, и что стало после моего ремонта.

  6. #5

    Регистрация
    11.05.2010
    Адрес
    Курск
    Сообщений
    353
    Спасибо Благодарностей отдано 
    2
    Спасибо Благодарностей получено 
    0
    Поблагодарили
    0 сообщений
    Mentioned
    0 Post(s)
    Tagged
    0 Thread(s)

    По умолчанию

    Вопрос: Будет ли хлам на экране, если включить спек без пзу(Simm30), дополнительная мс стоит(висит на сигнале we).
    Я Женекк, он же Asd1995sse, он же World of Minmax, он же Жека.

  7. #6

    Регистрация
    11.05.2010
    Адрес
    Курск
    Сообщений
    353
    Спасибо Благодарностей отдано 
    2
    Спасибо Благодарностей получено 
    0
    Поблагодарили
    0 сообщений
    Mentioned
    0 Post(s)
    Tagged
    0 Thread(s)

    По умолчанию

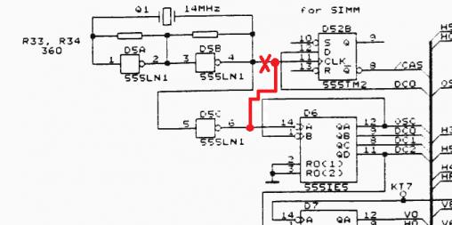
    Извиняюсь за некропост, но сегодня увидев этот кусок спектрумовского железа я решил попробовать его починить, успехи незначительны. Нашел небольшой косяк в подключении simm, но не он виновник. В общем есть пару вопросов. Сигналы /RAS /CAS /WE брал так: /RAS - 2 нога д15, /WE(WERAM) изначально шел через запрет записи в нулевую страницу, но так же пробовал и напрямую подавать(а вдруг что там отвалилось). /CAS брал изначально по своей схеме, но после нашел эту тему, и посмотрел как формируется там для simm. Но возник вопрос. Сигнал DC0 то мне известен, но где брать CLK? С 4 или 6 ноги микросхемы д5? Плата расширения памяти отключена и линии A14 A15 идут напрямую, минуя кп11. В данный момент цель стоит оживить аппарат в 48 режиме, чтобы собрать по нормальной схеме до 1 метра. Доп микросхема ир22 стоит, ничего не коротит, сигнал /WE приходит с 8 ноги д18. Ситуация описаная в первом посте повторяется.
    Из интересного. Ради прикола вставил тестовое пзу и услышал в динамике звук ошибки, он есть как и с озу, так и без нее. Такое ощущение ,что в озу не записывается ничего.Нажмите на изображение для увеличения. 

Название:	CasN.jpg 
Просмотров:	297 
Размер:	22.0 Кб 
ID:	62337
    Я Женекк, он же Asd1995sse, он же World of Minmax, он же Жека.

  8. #7

    Регистрация
    11.05.2010
    Адрес
    Курск
    Сообщений
    353
    Спасибо Благодарностей отдано 
    2
    Спасибо Благодарностей получено 
    0
    Поблагодарили
    0 сообщений
    Mentioned
    0 Post(s)
    Tagged
    0 Thread(s)

    По умолчанию

    Так восстановил плату в стандартное состояние, запаял ру5. В итоге имеем это. Странно, эта картинка что с тест пзу, что и без него да и матраца нет. Но повторюсь, что с тест пзу я слышу звук ошибки. Либо один из мультиплексеров накрылся кп11? Но тут ломатся не чему. Сигналы RAS? CAS WE сравнил с пентагоном, похожи. Думал сдох цп, но звука то ошибки не было бы. я негодую
    Я Женекк, он же Asd1995sse, он же World of Minmax, он же Жека.

  9. #8

    Регистрация
    20.01.2016
    Адрес
    п. Власиха, Московская обл.
    Сообщений
    594
    Спасибо Благодарностей отдано 
    6
    Спасибо Благодарностей получено 
    41
    Поблагодарили
    22 сообщений
    Mentioned
    1 Post(s)
    Tagged
    0 Thread(s)

    По умолчанию

    По видео возможны 3 причины
    1. Проблема с RAS/CAS
    2. Проблема с WERAM
    3. Непропай
    При этом процессор может вполне нормально работать, а пестрота этам наблюдается в основном при неправильном CAS или WERAM
    Я когда делал SQRUM на памяти с SIMM тоже долго с этим делом провозился. Причем, тут может казаться что что-то фонит или барахлит, но на самом деле проблема именно во времянках памяти.

  10. #9

    Регистрация
    11.05.2010
    Адрес
    Курск
    Сообщений
    353
    Спасибо Благодарностей отдано 
    2
    Спасибо Благодарностей получено 
    0
    Поблагодарили
    0 сообщений
    Mentioned
    0 Post(s)
    Tagged
    0 Thread(s)

    По умолчанию

    хмм. Ну с cas и RAS оригинальные, возможно что то сдохло в схеме формирования we, посмотрю и отпишусь .И да это работа стандартной озу по оригинальной схеме без симм.
    Я Женекк, он же Asd1995sse, он же World of Minmax, он же Жека.

  11. #10

    Регистрация
    11.05.2010
    Адрес
    Курск
    Сообщений
    353
    Спасибо Благодарностей отдано 
    2
    Спасибо Благодарностей получено 
    0
    Поблагодарили
    0 сообщений
    Mentioned
    0 Post(s)
    Tagged
    0 Thread(s)

    По умолчанию

    Хмм. Нашел дохлую микру ТМ2, как раз с нее выходят /RAS WE, случайно нашел ибо тыкнул осциллографом на ras и амплитуда была не какой, да и частота плавать начала, подумал, что осциллограф дает помехи, но нет. Заменил микросхему, амплитуда нормальная, форма сигналов тоже, родная схема и не работает. Теперь нужно думаю смотреть на фомирование WERAM
    Я Женекк, он же Asd1995sse, он же World of Minmax, он же Жека.

Страница 1 из 4 1234 ПоследняяПоследняя

Информация о теме

Пользователи, просматривающие эту тему

Эту тему просматривают: 1 (пользователей: 0 , гостей: 1)

Похожие темы

  1. Опознать объем Simm30
    от JV-Soft в разделе Память
    Ответов: 19
    Последнее: 05.10.2016, 20:57
  2. Установка SIMM30 в Profi v3.2
    от Anykey в разделе Profi
    Ответов: 32
    Последнее: 19.11.2015, 21:48
  3. Simm30 времянки - анализ
    от palsw в разделе Память
    Ответов: 20
    Последнее: 03.10.2014, 22:48
  4. Установка SIMM30
    от andreil в разделе Орион
    Ответов: 33
    Последнее: 20.03.2012, 17:15
  5. ПЦшное SIMM30, винт, борды
    от CHRV в разделе Барахолка (архив)
    Ответов: 22
    Последнее: 24.07.2011, 11:21

Ваши права

  • Вы не можете создавать новые темы
  • Вы не можете отвечать в темах
  • Вы не можете прикреплять вложения
  • Вы не можете редактировать свои сообщения
  •