Важная информация

User Tag List

Страница 11 из 56 ПерваяПервая ... 789101112131415 ... ПоследняяПоследняя
Показано с 101 по 110 из 555

Тема: Сборка ПК "Орион-Про" версии 3.20

  1. #101

    Регистрация
    14.08.2006
    Адрес
    Владимир
    Сообщений
    4,581
    Спасибо Благодарностей отдано 
    64
    Спасибо Благодарностей получено 
    112
    Поблагодарили
    97 сообщений
    Mentioned
    0 Post(s)
    Tagged
    0 Thread(s)

    По умолчанию

    У меня пока тоже все грустно - тестер (китайский цифровик) показывает КЗ по питанию 5В, где его искать - ХЗ (столько нагрузки висит параллельно по 5В)
    Лучше сделать и жалеть, чем не сделать и жалеть.

    Некоторые из моих поделок тут: https://github.com/serge-404

  2. #102

    Регистрация
    02.10.2006
    Адрес
    Тверская обл.
    Сообщений
    150
    Спасибо Благодарностей отдано 
    2
    Спасибо Благодарностей получено 
    1
    Поблагодарили
    1 сообщение
    Mentioned
    0 Post(s)
    Tagged
    0 Thread(s)

    По умолчанию

    Цитата Сообщение от Error404 Посмотреть сообщение
    У меня пока тоже все грустно - тестер (китайский цифровик) показывает КЗ по питанию 5В, где его искать - ХЗ (столько нагрузки висит параллельно по 5В)
    Подключи +5В и смотри что будет сильно разогреваться. Для таких случаев очень хорошо подходят блоки питания с регулируемым напряжением и выставляемым макс. током нагрузки.

  3. #103

    Регистрация
    14.08.2006
    Адрес
    Владимир
    Сообщений
    4,581
    Спасибо Благодарностей отдано 
    64
    Спасибо Благодарностей получено 
    112
    Поблагодарили
    97 сообщений
    Mentioned
    0 Post(s)
    Tagged
    0 Thread(s)

    По умолчанию

    Цитата Сообщение от Vasil Посмотреть сообщение
    Подключи +5В и смотри что будет сильно разогреваться. Для таких случаев очень хорошо подходят блоки питания с регулируемым напряжением и выставляемым макс. током нагрузки.
    Значит, сначала нужно собрать такой блок
    Лучше сделать и жалеть, чем не сделать и жалеть.

    Некоторые из моих поделок тут: https://github.com/serge-404

  4. #104

    Регистрация
    14.01.2010
    Адрес
    г. Шумерля, Чувашия
    Сообщений
    1,358
    Спасибо Благодарностей отдано 
    27
    Спасибо Благодарностей получено 
    42
    Поблагодарили
    37 сообщений
    Mentioned
    0 Post(s)
    Tagged
    0 Thread(s)

    По умолчанию

    Цитата Сообщение от Vasil Посмотреть сообщение
    Подключи +5В и смотри что будет сильно разогреваться
    Лучше не надо. Иначе станет видно, как сгорит какая-то дорожка.
    Скорее всего погрешность в монтаже. Проверить его внимательно.
    Диоды запаяны? Особенно возле ВГ93. И узел включения питания. Больше там ошибиться негде.

    Ну или резать дорожки блоками, искать где КЗ. Конечно, жалко плату. Но если отрезать возле ножки микросхемы, то потом запаивается и пореза не видно.

    - - - Добавлено - - -

    Цитата Сообщение от Error404 Посмотреть сообщение
    Вроде бы пока не попадались другие тесты для ПРО.
    Есть тесты на дисках. Но, чтобы их запустить, надо запустить компьютер.
    Вот если бы кто-то написал простенький тест. Что-то вроде теста для "Радио-86РК". Поставил один банк, включил. Если исправно - пропищал один раз. Неисправно - два раза.

  5. #105

    Регистрация
    19.01.2009
    Адрес
    Белгород
    Сообщений
    386
    Спасибо Благодарностей отдано 
    6
    Спасибо Благодарностей получено 
    13
    Поблагодарили
    12 сообщений
    Mentioned
    0 Post(s)
    Tagged
    0 Thread(s)

    По умолчанию

    Цитата Сообщение от Error404 Посмотреть сообщение
    У меня пока тоже все грустно - тестер (китайский цифровик) показывает КЗ по питанию 5В, где его искать - ХЗ (столько нагрузки висит параллельно по 5В)
    Товарищи, вот поэтому надо собирать и настраивать компьютер постепенно, отдельными узлами.

  6. #106

    Регистрация
    14.01.2010
    Адрес
    г. Шумерля, Чувашия
    Сообщений
    1,358
    Спасибо Благодарностей отдано 
    27
    Спасибо Благодарностей получено 
    42
    Поблагодарили
    37 сообщений
    Mentioned
    0 Post(s)
    Tagged
    0 Thread(s)

    По умолчанию

    Цитата Сообщение от aviator Посмотреть сообщение
    Товарищи, вот поэтому надо собирать и настраивать компьютер постепенно, отдельными узлами.
    Истинно!
    Так и делаю. Собрал задающий генератор, включил, ткнул осциллографом, полюбовался и далее паяй. Поставил счетчики, снова посмотрел сигналы. Ну и т.д.

  7. #106
    С любовью к вам, Yandex.Direct
    Размещение рекламы на форуме способствует его дальнейшему развитию

  8. #107

    Регистрация
    14.08.2006
    Адрес
    Владимир
    Сообщений
    4,581
    Спасибо Благодарностей отдано 
    64
    Спасибо Благодарностей получено 
    112
    Поблагодарили
    97 сообщений
    Mentioned
    0 Post(s)
    Tagged
    0 Thread(s)

    По умолчанию

    Спакуха! КЗ нашел (оно было во втором контуре питания проводниками - решил изначально с ним заморочиться), сегодня прошью ПЗУ, добью SCART, и возможно попробую включиться.
    Касательно собирать блоками - оно конечно так, обычно так и делал, но что я ни собирал Орионов, ЗГ и растр всегда ОК, а допаяв остальное начинается суровый дебаг. Т.е. особенного смысла нет, получается.
    Лучше сделать и жалеть, чем не сделать и жалеть.

    Некоторые из моих поделок тут: https://github.com/serge-404

  9. #108

    Регистрация
    14.08.2006
    Адрес
    Владимир
    Сообщений
    4,581
    Спасибо Благодарностей отдано 
    64
    Спасибо Благодарностей получено 
    112
    Поблагодарили
    97 сообщений
    Mentioned
    0 Post(s)
    Tagged
    0 Thread(s)

    По умолчанию

    Цитата Сообщение от ksanf(138) Посмотреть сообщение
    Заработала шахматка, меню не запускается... А больше нет никаких тестов, ОЗУ проверить бы?..
    ps Подпаял кондер на 200 пиков к той самой тмке(воткнул 74f74) на ras/cas (11 нога), прекратилось мерцание точек и шахматка стала чистой...
    Кстати, есть же еще тестеры для РУ7 типа вот таких:
    http://zx-pk.ru/threads/25406-tester...mega16-32.html


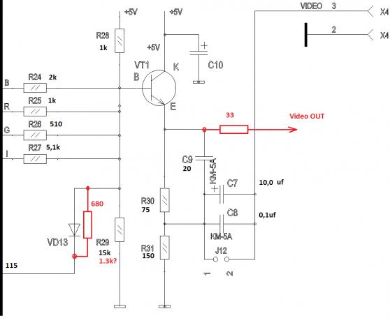
    Ну что же, собрал я узел SCART для сигналов RGB, a Video(Syncro) подал на SCART с штатного формирователя Ориона-ПРО (съэкономил типа). На телике имею ч/б кадр (наверное Телик по скарту не тянет RGB, все орионы на нем по Скарты в ЧБ кажут, на другом телике цветное, но он сейчас недоступен), кадр срывается в "тянучки", растр вроде заметен (светлый прямоугольник на темном), но все дергается (видимо, срывается синхра, либо великоваты уровни сигналов). Посему такой вопрос к народу: вы по сигналу VIDEO использовали штаный формирователь ПРО или собирали какой-то другой? По штатному еще вопросы (см. рисунок):
    - странный диод VD13 (который на плате почему-то VD14) - вместо него сихроимпульсы обычно подают через резюк 680 ом. А у вас диод или резистор?
    - R29 15кОм вместе с R28 (1кОм) образует странный делитель (1:15) смещения базы VT1, тогда как обычно пропорция 1:1.2...1:1.5 (например, 750Ом:1к). А у вас какой R29?
    - конденсаторы С7-С8-С9 - они зачем? Если с С8-С9 (и их закорачивателем) некое понимание есть, то зачем там С7 не понимаю, на большинстве выдеовыходов такого не видел. Обычно с базы VT1 подают сигнал на Скарт просто через резистор 20..40 Ом (при примененных R30+R31=225 Ом)
    Миниатюры Миниатюры Нажмите на изображение для увеличения. 

Название:	videoOut.jpg 
Просмотров:	494 
Размер:	22.9 Кб 
ID:	57469  
    Последний раз редактировалось Error404; 27.06.2016 в 16:32.
    Лучше сделать и жалеть, чем не сделать и жалеть.

    Некоторые из моих поделок тут: https://github.com/serge-404

  10. #109

    Регистрация
    04.05.2006
    Адрес
    St.-Petersburg
    Сообщений
    2,236
    Спасибо Благодарностей отдано 
    494
    Спасибо Благодарностей получено 
    996
    Поблагодарили
    643 сообщений
    Mentioned
    6 Post(s)
    Tagged
    0 Thread(s)

    По умолчанию

    "Пикушка" (С9) видимо для "прострела" паразитной ёмкости кабеля. С7||С8 - для отсекания постоянной составляющей, как я понимаю оно нужно было для подключения к советским телевизорам, а байпас лита плёнкой потому, что советские литы были совсем плохи на ВЧ.
    Свой ПРО я после сборки пробовал подключить к видеовходу телика, картинка была, но жутко дёргалась, периодически срываласть синхра (бежали кадры), и характер искривлений зависил от выводимой картинки. Забил я на видеовыход, что-то там не то с номиналами видимо, в итоге подключился через VGA-конвертер и радуюсь.
    Критиковать - значит объяснять автору, что он делает не так, как делал бы я, если бы умел

  11. #110

    Регистрация
    12.12.2011
    Адрес
    г. Иркутск
    Сообщений
    2,509
    Спасибо Благодарностей отдано 
    10
    Спасибо Благодарностей получено 
    22
    Поблагодарили
    20 сообщений
    Mentioned
    0 Post(s)
    Tagged
    0 Thread(s)

    По умолчанию

    Error404, Я всю эту лабуду вообще не распаивал, с провода 115 через 150 ом на синхру скарта и железная синхронизация обеспечена.

Страница 11 из 56 ПерваяПервая ... 789101112131415 ... ПоследняяПоследняя

Информация о теме

Пользователи, просматривающие эту тему

Эту тему просматривают: 1 (пользователей: 0 , гостей: 1)

Похожие темы

  1. Ответов: 104
    Последнее: 16.10.2025, 06:34
  2. Ответов: 1012
    Последнее: 06.06.2024, 06:49
  3. Сборка Орион-128 рев. 512
    от zorel в разделе Орион
    Ответов: 1757
    Последнее: 28.04.2024, 20:10
  4. Орион-ПРО. Сборка и наладка.
    от АлександрПП в разделе Орион
    Ответов: 703
    Последнее: 14.12.2020, 11:46
  5. Ответов: 243
    Последнее: 02.03.2020, 19:18

Ваши права

  • Вы не можете создавать новые темы
  • Вы не можете отвечать в темах
  • Вы не можете прикреплять вложения
  • Вы не можете редактировать свои сообщения
  •