User Tag List

Результаты опроса: Подключать VDAC-2 к DivGMX ?

Голосовавшие
21. Вы ещё не участвовали в этом опросе
  • Да

    15 71.43%
  • Нет

    6 28.57%
Страница 21 из 57 ПерваяПервая ... 171819202122232425 ... ПоследняяПоследняя
Показано с 201 по 210 из 565

Тема: DivGMX

  1. #201

    Регистрация
    14.04.2015
    Адрес
    г. Воткинск
    Сообщений
    500
    Спасибо Благодарностей отдано 
    97
    Спасибо Благодарностей получено 
    36
    Поблагодарили
    27 сообщений
    Mentioned
    0 Post(s)
    Tagged
    0 Thread(s)

    По умолчанию

    Цитата Сообщение от vlad Посмотреть сообщение
    На плате DivMMC делалась доработка для возможности работы с +2A/+3.
    Даташыт на 74lvc2g07. Басурмане получается поделили Vcc пополам. А если сделать также и выкинуть R35, R36? Мастера схемотехники, что думаете?

    Скрытый текст

    [свернуть]
    Последний раз редактировалось Mor-Da; 10.05.2017 в 15:56.
    Karabas Pro Rev.E / MiST 1.31 / ZX-Evolution (Rev.C4 + VDAC2 + ZiFi) / ZX Spectrum 128K +2B / DivGMX / ReVerSE-U16 (EP4CE22+16M16+TS-Conf) / Пентагон-128К (2014) PS/2, NemoIDE / Компаньон-2 (1994)

  2. #202

    Регистрация
    04.12.2008
    Адрес
    г. Черкассы, Украина
    Сообщений
    957
    Спасибо Благодарностей отдано 
    4
    Спасибо Благодарностей получено 
    11
    Поблагодарили
    8 сообщений
    Mentioned
    2 Post(s)
    Tagged
    0 Thread(s)

    По умолчанию

    R35 и R36 выкидывать как-раз не нужно, да и вообще там ничего не нужно трогать, сегодня если получится договориться взять +3 , сравню осцилом сигналы IORGE и ROMOE с подключенным DivGMX на платах +3 и HARLEQUIN 128.

  3. #203

    Регистрация
    19.12.2013
    Адрес
    г. Никополь, Украина
    Сообщений
    1,017
    Спасибо Благодарностей отдано 
    363
    Спасибо Благодарностей получено 
    706
    Поблагодарили
    187 сообщений
    Mentioned
    7 Post(s)
    Tagged
    0 Thread(s)

    По умолчанию

    Еще один момент: Судя по схеме http://aticatac.altervista.org/porta...divmmc_1.0.pdf в оригинальном DivMMC используется клок 3.5МГц, взятый с краевого слота zx spectrum. И все в этом клоке крутится, никаких дополнительных генераторов не обнаружено.
    Может быть для DivGMX привязаться тоже к внешнему клоку 3.5МГц?

    - - - Добавлено - - -

    И там еще второй момент, этот клок зачем-то через инвертор (SN74LVC1G14 Single Schmitt-Trigger Inverter) заходит в CPLD.

  4. #204

    Регистрация
    08.10.2005
    Адрес
    Днепропетровск
    Сообщений
    188
    Спасибо Благодарностей отдано 
    16
    Спасибо Благодарностей получено 
    1
    Поблагодарили
    1 сообщение
    Mentioned
    0 Post(s)
    Tagged
    0 Thread(s)

    По умолчанию

    Влад, пытаюсь подключить к конфе speccy внешний контроллер дисковода, не работает как мне кажется из-за скважности ena_3m5hz... Сделал скважность 50/50 - естественно не работает. Подскажи плз как решить. ZXBUS сделал по аналогии с basic конфигурацией. Измененный код прилагаю...
    Вложения Вложения
    DIVGMX(tsconf) + DIVGMX(GeneralSound2Mb) + FDD + NEMO IDE + БК-08 48К

  5. #205

    Регистрация
    04.12.2008
    Адрес
    г. Черкассы, Украина
    Сообщений
    957
    Спасибо Благодарностей отдано 
    4
    Спасибо Благодарностей получено 
    11
    Поблагодарили
    8 сообщений
    Mentioned
    2 Post(s)
    Tagged
    0 Thread(s)

    По умолчанию

    Цитата Сообщение от kasper Посмотреть сообщение
    пытаюсь подключить к конфе speccy внешний контроллер дисковода
    Что за контроллер?

  6. #206

    Регистрация
    08.10.2005
    Адрес
    Днепропетровск
    Сообщений
    188
    Спасибо Благодарностей отдано 
    16
    Спасибо Благодарностей получено 
    1
    Поблагодарили
    1 сообщение
    Mentioned
    0 Post(s)
    Tagged
    0 Thread(s)

    По умолчанию

    Родной контроллер дисководов Орель БК-08 , подключен к системному разъему. ROM Орели и контроллера отключается по ROMCS,TRDOS заменил на 5.04Т(нет рамдиска на А). Процессор Орели отключаю по BUS_NBUSRQ<= '0'; Если не сложно, посмотри плз в архиве файл speccy.vhd, я там делал изменения, чтобы T80 управлял периферией на ZXBUS... И наверное что то не учел. А то я еще очень долго буду разбираться что к чему...
    DIVGMX(tsconf) + DIVGMX(GeneralSound2Mb) + FDD + NEMO IDE + БК-08 48К

  7. #207

    Регистрация
    08.10.2005
    Адрес
    Днепропетровск
    Сообщений
    188
    Спасибо Благодарностей отдано 
    16
    Спасибо Благодарностей получено 
    1
    Поблагодарили
    1 сообщение
    Mentioned
    0 Post(s)
    Tagged
    0 Thread(s)

    По умолчанию

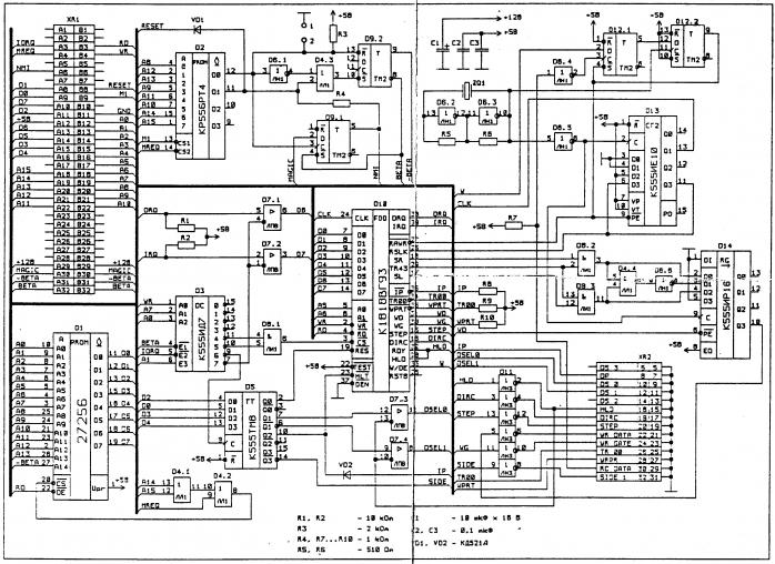
    Вот схема контроллера
    Нажмите на изображение для увеличения. 

Название:	shema.jpg 
Просмотров:	310 
Размер:	101.8 Кб 
ID:	61005
    так выглядит подключение
    Нажмите на изображение для увеличения. 

Название:	IMG_20170511_231740.jpg 
Просмотров:	243 
Размер:	50.9 Кб 
ID:	61007
    Последний раз редактировалось kasper; 11.05.2017 в 23:58.
    DIVGMX(tsconf) + DIVGMX(GeneralSound2Mb) + FDD + NEMO IDE + БК-08 48К

  8. #208

    Регистрация
    04.12.2008
    Адрес
    г. Черкассы, Украина
    Сообщений
    957
    Спасибо Благодарностей отдано 
    4
    Спасибо Благодарностей получено 
    11
    Поблагодарили
    8 сообщений
    Mentioned
    2 Post(s)
    Tagged
    0 Thread(s)

    По умолчанию

    Причина нестабильной работы divGMX в режиме DivMMC с платой Harlequin rev G как оказалось, в номинале резисторов R35 (10K) и R36 (10K) на плате divGMX. Проблема решилась их заменой на 470R, также на плате Harlequin заменил резисторы R9 (470R) и R7 (470R) на 1К как в ZX Spectrum +3.

    Вложение 61012
    Синий - сигнал на выводе 15 U4 (74HC138), красный - сигнал на выводе 20 U2 (27C512) (ROMOE1# с платы divGMX).

    Спасибо andykarpov, за предоставленный экземпляр для отладки работы контроллера DivMMC.

  9. #209

    Регистрация
    08.10.2005
    Адрес
    Днепропетровск
    Сообщений
    188
    Спасибо Благодарностей отдано 
    16
    Спасибо Благодарностей получено 
    1
    Поблагодарили
    1 сообщение
    Mentioned
    0 Post(s)
    Tagged
    0 Thread(s)

    По умолчанию

    А как насчет GS?)
    DIVGMX(tsconf) + DIVGMX(GeneralSound2Mb) + FDD + NEMO IDE + БК-08 48К

  10. #210

    Регистрация
    14.04.2015
    Адрес
    г. Воткинск
    Сообщений
    500
    Спасибо Благодарностей отдано 
    97
    Спасибо Благодарностей получено 
    36
    Поблагодарили
    27 сообщений
    Mentioned
    0 Post(s)
    Tagged
    0 Thread(s)

    По умолчанию

    Цитата Сообщение от vlad Посмотреть сообщение
    Причина нестабильной работы divGMX в режиме DivMMC с платой Harlequin rev G
    А как насчет +2B?
    Karabas Pro Rev.E / MiST 1.31 / ZX-Evolution (Rev.C4 + VDAC2 + ZiFi) / ZX Spectrum 128K +2B / DivGMX / ReVerSE-U16 (EP4CE22+16M16+TS-Conf) / Пентагон-128К (2014) PS/2, NemoIDE / Компаньон-2 (1994)

Страница 21 из 57 ПерваяПервая ... 171819202122232425 ... ПоследняяПоследняя

Информация о теме

Пользователи, просматривающие эту тему

Эту тему просматривают: 1 (пользователей: 0 , гостей: 1)

Метки этой темы

Ваши права

  • Вы не можете создавать новые темы
  • Вы не можете отвечать в темах
  • Вы не можете прикреплять вложения
  • Вы не можете редактировать свои сообщения
  •