User Tag List

Страница 77 из 78 ПерваяПервая ... 737475767778 ПоследняяПоследняя
Показано с 761 по 770 из 775

Тема: Karabas-128

  1. #761

    Регистрация
    10.06.2015
    Адрес
    г. Запорожье, Украина
    Сообщений
    1,712
    Спасибо Благодарностей отдано 
    80
    Спасибо Благодарностей получено 
    416
    Поблагодарили
    198 сообщений
    Mentioned
    2 Post(s)
    Tagged
    0 Thread(s)

    По умолчанию

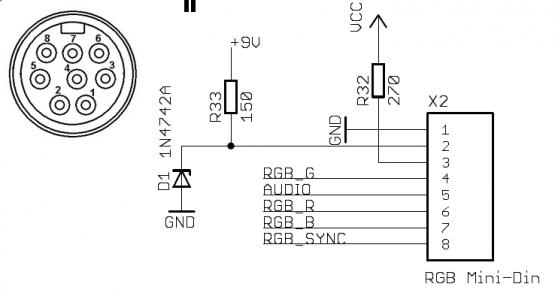
    Цитата Сообщение от nimdasys_inbox_ru Посмотреть сообщение
    Поделитесь пожалуйста распиновкой S-Video...
    вот пиновка мини дин
    Миниатюры Миниатюры Нажмите на изображение для увеличения. 

Название:	kar.rgb.jpg 
Просмотров:	280 
Размер:	20.0 Кб 
ID:	74355  

    Скрытый текст


    Специалист "УЦА" +SD-Vinxru +PS/2-Vinxru
    PLM-X 128 + AY -эмуль на 8меге
    Profi V3.2 - 768+Color-CP/M+ProfiExtender Solegstar
    Profi V3.2 -1024 Sim30+Color-CP/M+ProfiExtender Solegstar
    Pentagon 1024SL 1.42 - работает не совсем стабильно
    ZXM-Phoenix V06
    ZX-Evolition Rev C2 White FSP-MItX
    Sprinter 2000 v.Zorel
    Karabas128 + ZX-Taper by TrolSoft +DivSD +ScanDoubler
    ZX-UNO v4.1 2М с 4 переключаемыми флешками
    Поиск-1 - ждет ремонта
    Корвет ПК8010 up to 8020
    MisT 1.31
    Galaksija + SMD
    [свернуть]

    Этот пользователь поблагодарил tank-uk за это полезное сообщение:

    nimdasys_inbox_ru(29.12.2020)

  2. #762

    Регистрация
    13.07.2007
    Адрес
    Москва
    Сообщений
    598
    Спасибо Благодарностей отдано 
    17
    Спасибо Благодарностей получено 
    39
    Поблагодарили
    18 сообщений
    Mentioned
    0 Post(s)
    Tagged
    0 Thread(s)

    По умолчанию

    Собрал водном корпусе две независимые платы. Удобно при программировании на реале.


    https://cloud.mail.ru/public/diAL/icBwmHFWB
    Последний раз редактировалось Andrey F; 11.05.2021 в 23:11.
    Ленинград-48+AY, Ленинград-2+AY, SPECCY2007-128+TR-DOS+AY+VGA, SPECCY2010, Спектр Б-ИК 48, ZX Evolution, ZXM-Phoenix V.3.....

    Эти 3 пользователя(ей) поблагодарили Andrey F за это полезное сообщение:

    andykarpov(12.05.2021), nimdasys_inbox_ru(12.05.2021), solegstar(12.05.2021)

  3. #763

    Регистрация
    23.04.2020
    Адрес
    г. Черкесск
    Сообщений
    381
    Спасибо Благодарностей отдано 
    373
    Спасибо Благодарностей получено 
    22
    Поблагодарили
    18 сообщений
    Mentioned
    0 Post(s)
    Tagged
    0 Thread(s)

    По умолчанию

    Andrey F, а от чего корпус ?!

    Моё железо:


    ZX-Evo C4/Neo-GS C3/ZXM-Sound Card Extreme/ZXM-Moon Sound/ZXM-General Sound
    Profi 3.2
    Pentagon-128 GRM-1 by elker2019
    Pentagon-128 v.2014
    ZXM-Phoenix rev.01
    БК-0010/0011
    --- в процессе сборки ---
    ЮТ-88 (почти 100%, так как не хватает К1533ЛП16/SN74ALS1034, а также ПЗУ а-ля РЕ3 и РТ4)
    Сябр-v2 (почти 35%)
    Aleste 520EX
    Omega-MSX
    [свернуть]

  4. #764

    Регистрация
    19.12.2013
    Адрес
    г. Никополь, Украина
    Сообщений
    1,017
    Спасибо Благодарностей отдано 
    363
    Спасибо Благодарностей получено 
    706
    Поблагодарили
    187 сообщений
    Mentioned
    7 Post(s)
    Tagged
    0 Thread(s)

    По умолчанию

    Цитата Сообщение от Andrey F Посмотреть сообщение
    две независимые платы
    Обалдеть. Никогда не мог представить, что такое возможно

    Расскажите поподробнее, плз, как это все работает, как кодить на двухплатной конфигурации и чем это помогает?
    Как при этом работает клава, монитор, откуда идет загрузка и выгрузка результатов, итп.
    Что показывает индикатор, что делают тумблеры.
    Все очень интересно!

  5. #765

    Регистрация
    10.02.2015
    Адрес
    г. Екатеринбург
    Сообщений
    801
    Спасибо Благодарностей отдано 
    54
    Спасибо Благодарностей получено 
    34
    Поблагодарили
    29 сообщений
    Mentioned
    0 Post(s)
    Tagged
    0 Thread(s)

    По умолчанию

    Andrey F, Это действительно круто получилось.

    Моё железо

    ZX Spectrum 48K issue 2/3/4A/4B/4S/6A
    ZX Spectrum +2
    ZX Spectrum +3
    Harlequin 48K
    Harlequin 128K
    Karabas-128
    [свернуть]

  6. #766

    Регистрация
    03.05.2020
    Адрес
    г. Челябинск
    Сообщений
    796
    Записей в дневнике
    3
    Спасибо Благодарностей отдано 
    262
    Спасибо Благодарностей получено 
    274
    Поблагодарили
    145 сообщений
    Mentioned
    1 Post(s)
    Tagged
    0 Thread(s)

    По умолчанию

    Цитата Сообщение от Andrey F Посмотреть сообщение
    две независимые платы. Удобно при программировании на реале.
    Все ломают голову, как это работает, у меня кроме майнинга идей использования такого тандема не возникло ))
    Между ними есть какая-то коммуникация, т.е. на одном написал, собрал код, перелил на другой и запустил ?
    (еще в голову лезет вариант обсчета 3д-флайтсимулятора с двух ракурсов под два разных глаза/монитора, но это уже фантазирую )

  7. #766
    С любовью к вам, Yandex.Direct
    Размещение рекламы на форуме способствует его дальнейшему развитию

  8. #767

    Регистрация
    13.07.2007
    Адрес
    Москва
    Сообщений
    598
    Спасибо Благодарностей отдано 
    17
    Спасибо Благодарностей получено 
    39
    Поблагодарили
    18 сообщений
    Mentioned
    0 Post(s)
    Tagged
    0 Thread(s)

    По умолчанию

    Цитата Сообщение от nimdasys_inbox_ru Посмотреть сообщение
    Andrey F, а от чего корпус ?!
    https://bestsupplier.ru/p461190861-k...ta-gainta.html

    - - - Добавлено - - -

    Цитата Сообщение от valerium Посмотреть сообщение
    Между ними есть какая-то коммуникация, т.е. на одном написал, собрал код, перелил на другой и запустил ?
    Это еще не все. Еще в корпусе клавиатура и блок коммутации цыфр. магнитофон и динамики стерео. Тумблеры переключают прошивку. Два выключателя отдельно включают платы.
    Ленинград-48+AY, Ленинград-2+AY, SPECCY2007-128+TR-DOS+AY+VGA, SPECCY2010, Спектр Б-ИК 48, ZX Evolution, ZXM-Phoenix V.3.....

  9. #768

    Регистрация
    23.04.2020
    Адрес
    г. Черкесск
    Сообщений
    381
    Спасибо Благодарностей отдано 
    373
    Спасибо Благодарностей получено 
    22
    Поблагодарили
    18 сообщений
    Mentioned
    0 Post(s)
    Tagged
    0 Thread(s)

    По умолчанию

    Andrey F, то-то я вот и смотрю, что высота вроде бы как юнитная!

    Моё железо:


    ZX-Evo C4/Neo-GS C3/ZXM-Sound Card Extreme/ZXM-Moon Sound/ZXM-General Sound
    Profi 3.2
    Pentagon-128 GRM-1 by elker2019
    Pentagon-128 v.2014
    ZXM-Phoenix rev.01
    БК-0010/0011
    --- в процессе сборки ---
    ЮТ-88 (почти 100%, так как не хватает К1533ЛП16/SN74ALS1034, а также ПЗУ а-ля РЕ3 и РТ4)
    Сябр-v2 (почти 35%)
    Aleste 520EX
    Omega-MSX
    [свернуть]

  10. #769

    Регистрация
    03.05.2005
    Адрес
    Москва
    Сообщений
    175
    Спасибо Благодарностей отдано 
    71
    Спасибо Благодарностей получено 
    45
    Поблагодарили
    22 сообщений
    Mentioned
    1 Post(s)
    Tagged
    0 Thread(s)

    По умолчанию

    ...
    Последний раз редактировалось djs; 28.11.2021 в 07:17.
    PRINT #1;AT 1,0;" CRACKED BY DJSINFINIT LIVES(Y/N)"

  11. #770

    Регистрация
    02.07.2006
    Адрес
    Новосибирск
    Сообщений
    2,257
    Спасибо Благодарностей отдано 
    538
    Спасибо Благодарностей получено 
    262
    Поблагодарили
    156 сообщений
    Mentioned
    8 Post(s)
    Tagged
    0 Thread(s)

    По умолчанию

    Цитата Сообщение от creator Посмотреть сообщение
    Обнаружилась проблема, ZILOG Z84C0020PEC, вот эти, все десять штук на Карабасе не работают. До конца сброс не проходит, так и зависает на чёрном экране с белым бордюром. Перекидываю JP3 (чтобы 48 прошивка стартовала), тоже зависает на красных полосах, иногда доходит и до бейсика, но при попытке что-либо набрать и запустить, зависает или в процессе набора или после запуска. Резистор 2.2K между CLK и 5В проблему не решает.
    Проблема решена установкой в качестве генератора 155ЛН1 (IC4).
    В правильно заданном вопросе содержится половина ответа

Страница 77 из 78 ПерваяПервая ... 737475767778 ПоследняяПоследняя

Информация о теме

Пользователи, просматривающие эту тему

Эту тему просматривают: 1 (пользователей: 0 , гостей: 1)

Похожие темы

  1. Ответов: 506
    Последнее: 15.09.2023, 02:34
  2. 128-48
    от ZX_NOVOSIB в разделе Разное
    Ответов: 10
    Последнее: 05.03.2016, 17:22
  3. Продам Composite-128(Kay-128) с BDI
    от _Ratibor_ в разделе Барахолка (архив)
    Ответов: 7
    Последнее: 08.08.2011, 14:22
  4. Куплю Кворум 128, либо Пентагон 128
    от IL_DECAMERON в разделе Барахолка (архив)
    Ответов: 5
    Последнее: 13.03.2011, 18:35
  5. Продам фирменные Speccy : 128+ и 128 +3 + divid + много всего ....
    от Zerios в разделе Барахолка (архив)
    Ответов: 12
    Последнее: 09.12.2010, 00:19

Ваши права

  • Вы не можете создавать новые темы
  • Вы не можете отвечать в темах
  • Вы не можете прикреплять вложения
  • Вы не можете редактировать свои сообщения
  •