На странице http://home.onego.ru/~bav9/93.html, рядом с загадочным "ГРАФИЧЕСКИМ РЕДАКТОРОМ V2.0", есть описание "ПРОГРАММЫ ДЛЯ РАБОТЫ В ЛОКАЛЬНОЙ СЕТИ".
Код:----- ДРАЙВЕР ЦЕНТРАЛЬНОЙ МАШИНЫ ЛОКАЛЬНОЙ СЕТИ ----- ПРОГРАММА СОСТАВЛЕНА В МАШИННЫХ КОДАХ, ЗАГРУЗКА - "I". ПРЕДНАЗНАЧЕНА ДЛЯ ОБМЕНА ДАННЫМИ МЕЖДУ ПЭВМ "МИКРОША" ПО ЛИНИЯМ СВЯЗИ ЧЕРЕЗ ПОСЛЕДОВАТЕЛЬНЫЙ ИНТЕРФЕЙС. ПОЗВОЛЯЕТ ПОДДЕРЖИВАТЬ СВЯЗЬ ОДНОЙ ЦМ И 31 ПМ. ЛОКАЛЬНАЯ СЕТЬ ПОЗВОЛЯ- ЕТ ПЕРЕДАВАТЬ СЛЕДУЮЩИЕ ВИДЫ ДАННЫХ : - СООБЩЕНИЯ ОПЕРАТОРУ - БЛОКИ ДАННЫХ ИЗ ПАМЯТИ ПЭВМ. ОПЕРАТОР ЦМ МОЖЕТ ИНИЦИИРОВАТЬ ВЫПОЛНЕНИЕ ПРОГРАММЫ, НАХО- ДЯЩЕЙСЯ В ВИДЕ КОДОВ В ПАМЯТИ ОДНОЙ ИЗ ПМ. СУЩЕСТВУЕТ ДВА ВНУТРЕННИХ ФОРМАТА ПЕРЕДАЧИ ДАННЫХ : - КОРОТКИЙ : N,F,CNT,D0,...,DN, ГДЕ N - НОМЕР МАШИНЫ, F - КОД ФУН- КЦИИ, CNT - ЧИСЛО ПЕРЕДАВАЕМЫХ БАЙТОВ,D0,...,DN - БАЙТЫ. - ДЛИННЫЙ : N,F,ADRL,ADRH,CNTL,CNTH,D0,...,DN,SUM, ГДЕ N,F - АНАЛО- ГИЧНО, ADRL,ADRH - МЛАДШИЙ И СТАРШИЙ БАЙТЫ АДРЕСА НАЧАЛА БЛОКА ДАННЫХ, CNTL,CNTH - БАЙТЫ ДЛИНЫ ПОЛЯ ДАННЫХ,D0,...DN - ДАННЫЕ (ДО 64 КБАЙТ), SUM - КОНТРОЛЬ- НАЯ СУММА. ----- РУКОВОДСТВО ----- ПРИ ПОДГОТОВКЕ К РАБОТЕ ВЫПОЛНИТЬ СЛЕДУЮЩИЕ ОПЕРАЦИИ : 1. СОЕДИНИТЬ ПЭВМ МЕЖДУ СОБОЙ ЧЕРЕЗ РАЗ'ЕМ ИНТЕРФЕЙС-1. 2. ВКЛЮЧИТЬ БЛОКИ ПИТАНИЯ. 3. ЗАГРУЗИТЬ В ЦМ ДРАЙВЕР ЦЕНТРАЛЬНОЙ МАШИНЫ. 4. ЗАГРУЗИТЬ В ПМ ДРАЙВЕР ПЕРЕФЕРИЙНОЙ МАШИНЫ. 5. ЗАПУСТИТЬ ПРОГРАММУ НА ЦМ - G6500. НА ЭКРАНЕ ПОЯВИТЬСЯ ТАБЛИЦА, ГДЕ В ВЕРХНЕМ ОКНЕ - ПОЛЯ ОШИБКИ, КОМАНД И ПОЧТЫ. В ПОЛЕ ОШИБКИ СООБЩЕНИЕ ПОЯВИТСЯ В ТОМ СЛУЧАЕ, ЕСЛИ МАШИНА ОБНАРУЖИТ ОШИБКУ СИНТАКСИСА. В ПОЛЕ ПОЧТЫ - СООБЩЕНИЕ И СООТВЕТСТВУЮЩИЙ ТЕКСТ. В ТАБЛИЦЕ ИМЕЕТСЯ СПРАВОЧНОЕ ПОЛЕ И ПОЛЕ РАЗРЕШЕНИЯ ТРАН- ЗИТА, ЕСЛИ "ТРАНЗИТ РАЗРЕШЕН" - ВОЗМОЖЕН ОБМЕН ДАННЫМИ МЕЖДУ ПМ ЧЕРЕЗ ЦМ. 6. ЗАПУСТИТЬ ПРОГРАММЫ НА ПМ - G6500. ПОСЛЕ ЭТОГО НА ЭКРАНЕ ПОЯВИТСЯ ТАКАЯ ЖЕ ТАБЛИЦА, КАК НА ЦМ. ПОСЛЕ ВЫПОЛНЕНИЯ УКАЗАННЫХ ОПЕРАЦИЙ ЛОКАЛЬНАЯ СЕТЬ ГОТОВА К РАБОТЕ.
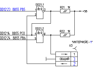
Любопытно, что это была за сеть, как физически выглядела и вообще. Расковырять драйвер и понять, как велась работа через "ИНТЕРФЕЙС-1", несложно.
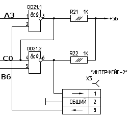
А это, собственно, весь "Интерфейс 2". Используются два элемента К155ЛА12 и линии A3, B6 и C0:
![]()




Ответить с цитированием
Размещение рекламы на форуме способствует его дальнейшему развитию 



wtf