User Tag List

Страница 6 из 14 ПерваяПервая ... 2345678910 ... ПоследняяПоследняя
Показано с 51 по 60 из 138

Тема: MagicSound для Aleste 520

  1. #51

    Регистрация
    03.10.2017
    Сообщений
    247
    Спасибо Благодарностей отдано 
    31
    Спасибо Благодарностей получено 
    55
    Поблагодарили
    27 сообщений
    Mentioned
    1 Post(s)
    Tagged
    0 Thread(s)

    По умолчанию

    Цитата Сообщение от ivagor Посмотреть сообщение
    В sins1 семплы (кроме короткого неиспользуемого первого) по 16000 байт
    Нормально.

    Упрощенная диаграмма данных и адресов. Могут быть небольшие ошибки или упрощения

    Нажмите на изображение для увеличения. 

Название:	^99EB594D09B6844EFF7E86BB97E84376BF2C88F40C69B81A95^pimgpsh_fullsize_distr.jpg 
Просмотров:	390 
Размер:	56.4 Кб 
ID:	62684

  2. #52

    Регистрация
    10.02.2014
    Адрес
    г. Тула
    Сообщений
    539
    Спасибо Благодарностей отдано 
    50
    Спасибо Благодарностей получено 
    44
    Поблагодарили
    30 сообщений
    Mentioned
    1 Post(s)
    Tagged
    0 Thread(s)

    По умолчанию

    Цитата Сообщение от Mick Посмотреть сообщение
    Спасибо за фото.
    А еще, если не трудно нижнюю сторону сфоткай
    Попозже сфоткаю, как окультурю все. Сейчас у меня там "паутина" из навешанных резисторов и проводов. Кстати, если на плате оставлять посадочное место под родное гнездо аудио 3,5 мм стерео ОНП-ВГ-68 , тогда надо увеличивать отверстия. Иначе без напильника его на плату не установить. Замерил контакты гнезда - ширина примерно 1,35мм, толщина примерно 0,25мм
    Вот как оно выглядит https://www.radiodetali.perm.ru/subc...3&gr=100000067

  3. #53

    Регистрация
    14.06.2005
    Адрес
    г. Калуга
    Сообщений
    10,149
    Спасибо Благодарностей отдано 
    217
    Спасибо Благодарностей получено 
    776
    Поблагодарили
    420 сообщений
    Mentioned
    23 Post(s)
    Tagged
    0 Thread(s)

    По умолчанию

    Цитата Сообщение от Дмитрий2012 Посмотреть сообщение
    Попозже сфоткаю, как окультурю все. Сейчас у меня там "паутина" из навешанных резисторов и проводов.
    Это не страшно, мне хочется увидеть одно место там возле слотов и РУ2.
    Я так полагаю у тебя же новодел. Вот интересен вопрос - кто то ее уже "скалывал" или есть другой вариант печатки в P-CAD 4.5.
    Ведь то что выложил Sherlock это еще не финальный вариант (я сужу по тем фото плат, которые в инете). Вот и интересен вопрос, какой вариант у тебя и откуда источник ее.
    Сайт поддержки моих изделий - http://micklab.ru/
    Группа ВКонтакте - https://vk.com/micklab

  4. #54

    Регистрация
    10.02.2014
    Адрес
    г. Тула
    Сообщений
    539
    Спасибо Благодарностей отдано 
    50
    Спасибо Благодарностей получено 
    44
    Поблагодарили
    30 сообщений
    Mentioned
    1 Post(s)
    Tagged
    0 Thread(s)

    По умолчанию

    Цитата Сообщение от Mick Посмотреть сообщение
    Вот и интересен вопрос, какой вариант у тебя и откуда источник ее.
    У меня вариант, который ты сделал из того, что выложил Sherlock в этой теме. Ничего нового. Видимо это и правда не окончательная версия, так как нашли уже не одну ошибку в разводке платы.

    Если бы только знать, что выложенная схема в интернете 100% рабочая без ошибок, то найти косяки в разводке платы и запустить карту было бы намного проще…

    Кстати, а что не нравится возле слота и РУ2?

  5. #55

    Регистрация
    14.06.2005
    Адрес
    г. Калуга
    Сообщений
    10,149
    Спасибо Благодарностей отдано 
    217
    Спасибо Благодарностей получено 
    776
    Поблагодарили
    420 сообщений
    Mentioned
    23 Post(s)
    Tagged
    0 Thread(s)

    По умолчанию

    Цитата Сообщение от Дмитрий2012 Посмотреть сообщение
    Кстати, а что не нравится возле слота и РУ2?
    Там в оригинальном варианте блокировочный кондер коротит некоторые дорожки на 5V.
    Я об этом уже писал, но какой ты вариант делал я не в курсе. Если ту которую я уже переделала под P-CAD 2002, а если ту которую P-CAD 4.5, то там ошибка эта есть.
    Сайт поддержки моих изделий - http://micklab.ru/
    Группа ВКонтакте - https://vk.com/micklab

  6. #56

    Регистрация
    10.02.2014
    Адрес
    г. Тула
    Сообщений
    539
    Спасибо Благодарностей отдано 
    50
    Спасибо Благодарностей получено 
    44
    Поблагодарили
    30 сообщений
    Mentioned
    1 Post(s)
    Tagged
    0 Thread(s)

    По умолчанию

    Цитата Сообщение от Mick Посмотреть сообщение
    Если ту которую я уже переделала под P-CAD 2002, а если ту которую P-CAD 4.5, то там ошибка эта есть.
    Понятно. Я сделал исправленную, которая под P-CAD 2002.

  7. #57

    Регистрация
    10.02.2014
    Адрес
    г. Тула
    Сообщений
    539
    Спасибо Благодарностей отдано 
    50
    Спасибо Благодарностей получено 
    44
    Поблагодарили
    30 сообщений
    Mentioned
    1 Post(s)
    Tagged
    0 Thread(s)

    По умолчанию

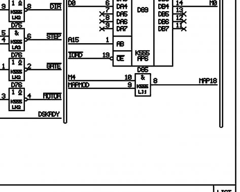
    Обратил внимание, что на основной плате компьютера на системном разъеме (контакт А27) вместо сигнал MAP18 выведен М4. Нет ли тут ошибки? В звуковой карте вроде используется MAP18.
    Миниатюры Миниатюры Нажмите на изображение для увеличения. 

Название:	map18.jpg 
Просмотров:	86 
Размер:	24.9 Кб 
ID:	62727  
    Последний раз редактировалось Дмитрий2012; 03.11.2017 в 19:09.

  8. #58

    Регистрация
    03.10.2017
    Сообщений
    247
    Спасибо Благодарностей отдано 
    31
    Спасибо Благодарностей получено 
    55
    Поблагодарили
    27 сообщений
    Mentioned
    1 Post(s)
    Tagged
    0 Thread(s)

    По умолчанию

    Цитата Сообщение от Дмитрий2012 Посмотреть сообщение
    Обратил внимание, что на основной плате компьютера на системном разъеме (контакт А27) вместо сигнал MAP18 выведен М4. Нет ли тут ошибки? В звуковой карте вроде используется MAP18.
    Нет. Это не ошибка. IF MAPMOD=0 THEN MAP18 = 0 ELSE MAP18 = M4.

    С другой стороны шина адресов на разъеме должна позволять оба направления передачи адреса, поэтому М4

  9. #59

    Регистрация
    10.02.2014
    Адрес
    г. Тула
    Сообщений
    539
    Спасибо Благодарностей отдано 
    50
    Спасибо Благодарностей получено 
    44
    Поблагодарили
    30 сообщений
    Mentioned
    1 Post(s)
    Tagged
    0 Thread(s)

    По умолчанию

    Все, нашел у себя на плате ошибку У D11 и D6 сигнал D1 был в обрыве (дорожка повредилась).

    https://youtu.be/ibeT1HI2sL8

    https://youtu.be/HbHmXM3Zlb4

    https://youtu.be/a6rE60WnsTs

    Теперь самое сложное, осталось настроить у карты аналоговую часть.
    Последний раз редактировалось Дмитрий2012; 03.11.2017 в 22:06.

  10. #60

    Регистрация
    03.10.2017
    Сообщений
    247
    Спасибо Благодарностей отдано 
    31
    Спасибо Благодарностей получено 
    55
    Поблагодарили
    27 сообщений
    Mentioned
    1 Post(s)
    Tagged
    0 Thread(s)

    По умолчанию

    Цитата Сообщение от Дмитрий2012 Посмотреть сообщение
    Все, нашел у себя на плате ошибку У D11 и D6 сигнал D1 был в обрыве (дорожка повредилась).

    https://youtu.be/ibeT1HI2sL8

    https://youtu.be/HbHmXM3Zlb4

    Теперь самое сложное, осталось настроить у карты аналоговую часть.
    Что и требовалось доказать

Страница 6 из 14 ПерваяПервая ... 2345678910 ... ПоследняяПоследняя

Информация о теме

Пользователи, просматривающие эту тему

Эту тему просматривают: 1 (пользователей: 0 , гостей: 1)

Похожие темы

  1. Компьютер "Aleste 520EX"
    от Sayman в разделе Разное
    Ответов: 584
    Последнее: 14.12.2025, 01:10
  2. Aleste 520EX в корпус УКНЦ
    от Павел Рябцов в разделе Разное
    Ответов: 178
    Последнее: 28.05.2021, 11:06
  3. Куплю компьютер Aleste 520EX (Алеста)
    от Nickolas в разделе Барахолка (архив)
    Ответов: 9
    Последнее: 23.10.2009, 05:06

Ваши права

  • Вы не можете создавать новые темы
  • Вы не можете отвечать в темах
  • Вы не можете прикреплять вложения
  • Вы не можете редактировать свои сообщения
  •