User Tag List

Страница 12 из 19 ПерваяПервая ... 8910111213141516 ... ПоследняяПоследняя
Показано с 111 по 120 из 190

Тема: Сборка, настройка платы ЮТ88 (Прусак)

  1. #111

    Регистрация
    01.02.2018
    Адрес
    г. Железногорск
    Сообщений
    131
    Спасибо Благодарностей отдано 
    6
    Спасибо Благодарностей получено 
    6
    Поблагодарили
    5 сообщений
    Mentioned
    0 Post(s)
    Tagged
    0 Thread(s)

    По умолчанию

    На вскидку градусов 50. Часа через три смогу точнее

  2. #112

    Регистрация
    24.05.2018
    Адрес
    г. Санкт-Петербург
    Сообщений
    82
    Спасибо Благодарностей отдано 
    5
    Спасибо Благодарностей получено 
    15
    Поблагодарили
    12 сообщений
    Mentioned
    0 Post(s)
    Tagged
    0 Thread(s)

    По умолчанию

    У меня ВК38 на ощупь в пределах 40-50 градусов. Вечером могу измерить точнее пирометром.

    Измерял пирометром - поднимается до 51 градуса
    Правда мерял ВК28, но 38 то же самое думаю
    Температура процессора тоже около 45-50
    Последний раз редактировалось Hyperborean; 08.06.2018 в 11:33.

  3. #113

    Регистрация
    01.02.2018
    Адрес
    г. Железногорск
    Сообщений
    131
    Спасибо Благодарностей отдано 
    6
    Спасибо Благодарностей получено 
    6
    Поблагодарили
    5 сообщений
    Mentioned
    0 Post(s)
    Tagged
    0 Thread(s)

    По умолчанию

    Точнее не могу. Купил две ир13, панельку под ПЗУ т.к. пока поставил на нее еепром рпсшатал ту что стоит и ПЗУ терь легко вываливается

  4. #114

    Регистрация
    01.02.2018
    Адрес
    г. Железногорск
    Сообщений
    131
    Спасибо Благодарностей отдано 
    6
    Спасибо Благодарностей получено 
    6
    Поблагодарили
    5 сообщений
    Mentioned
    0 Post(s)
    Tagged
    0 Thread(s)

    По умолчанию

    И так. Заменил ир13 и панельку под ПЗУ экран терь показывает https://yadi.sk/i/oeOk1BhH3XMNFy
    (Это цифра 9) что это значит? О_о

    П.С. температуру замерить пока просто нечем, но по ощущениям градусов 50-56

  5. #115

    Регистрация
    29.11.2009
    Адрес
    г. Бийск
    Сообщений
    521
    Спасибо Благодарностей отдано 
    34
    Спасибо Благодарностей получено 
    41
    Поблагодарили
    31 сообщений
    Mentioned
    0 Post(s)
    Tagged
    0 Thread(s)

    По умолчанию

    iwa955, У меня такое было когда пытался запустить тест.
    Основное ПЗУ или не контакт или неправильная прошивка.
    Или нарушение правильной адресации, замыкания между собой, на землю, на питание.
    У меня пока мысли кончились, по моей проблеме. Немного отвлекусь другими делами.
    За температуру спасибо, я думал только у меня, это общая тенденция, будем искать.
    У меня процессор - 50-56 ВК38 - 53-57 и ИР13 - 50-54, это на поверхности пластмассы. Мерил мультиметром.
    Если ВК38 охлаждать, исчезает мусор на скроллинге.
    Монитор Ф работает стабильно.
    Последний раз редактировалось L Juriy; 07.06.2018 в 18:27.
    Микро-80, Радио-86РК, Океан 240, Ириша, Спектрум-48, NEC PC-8201, ЮТ-88(2017) .

  6. #116

    Регистрация
    01.02.2018
    Адрес
    г. Железногорск
    Сообщений
    131
    Спасибо Благодарностей отдано 
    6
    Спасибо Благодарностей получено 
    6
    Поблагодарили
    5 сообщений
    Mentioned
    0 Post(s)
    Tagged
    0 Thread(s)

    По умолчанию

    А я думал перепрошить ПЗУ видео точнее вторую микросхему прошить. Ладно завтра буду смотреть чего там с основным ПЗУ

  7. #117

    Регистрация
    08.02.2015
    Адрес
    г. Санкт-Петербург
    Сообщений
    242
    Спасибо Благодарностей отдано 
    16
    Спасибо Благодарностей получено 
    15
    Поблагодарили
    7 сообщений
    Mentioned
    0 Post(s)
    Tagged
    0 Thread(s)

    По умолчанию

    Цитата Сообщение от L Juriy Посмотреть сообщение
    Понял, а схема с флэшкой поможет? Формат записи там какой?
    Это мне как раз и нужно. Вот вопрос такой, а как бы серверную часть на Linux сделать, а то я уже забыл как в Винде работать.
    не совсем понял вопрос.

    имеется ввиду использование SROM как ROM? или поможет ли подключение SROM использовать директиву Х?
    да, поможет. Х запустит из него оболочку, которая позволит запускать файлы из виртуального диска, создавать их на нем и ещё пару-тройку функций. в общем, весьма удобно.
    если использовать ПЗУ вместо СОЗУ, то будет запускаться только оболочка и программы, которые были туда заранее записаны. а вот формат записи в это самое ПЗУ знает только Denn.
    кстати говоря, там же на странице описания SROM, есть образы ПЗУ размером 8кб и 32кб, содержащие в себе оболочку и файл HELP$ к ней с описанием команд.

    серверную часть на Linux... этот вопрос надо задавать тоже Denn'у. всю программную поддержку делал только он.
    Последний раз редактировалось Stampmaker; 07.06.2018 в 21:12.

  8. #118

    Регистрация
    01.02.2018
    Адрес
    г. Железногорск
    Сообщений
    131
    Спасибо Благодарностей отдано 
    6
    Спасибо Благодарностей получено 
    6
    Поблагодарили
    5 сообщений
    Mentioned
    0 Post(s)
    Tagged
    0 Thread(s)

    По умолчанию

    По нагрев ру10 коллеги на работе подсказали, что при частом обращении к ОЗУ микросхема дико греется. Правда у нас частота то низкая. Вроде как микросхема рассчитана на 5 МГц. У меня нагревалась до 50-55 градусов

  9. #119

    Регистрация
    29.11.2009
    Адрес
    г. Бийск
    Сообщений
    521
    Спасибо Благодарностей отдано 
    34
    Спасибо Благодарностей получено 
    41
    Поблагодарили
    31 сообщений
    Mentioned
    0 Post(s)
    Tagged
    0 Thread(s)

    По умолчанию

    Stampmaker, Я имел ввиду, что схема которая на плате Павла совпадает с вашей схемой SROM.
    Если я во флэш напишу образы ваших дисков, они прочитаются командой Х?
    Образы посмотрел и как я понял там просто формат ORI, а не имел дело с Орионом и с этим форматом тоже.
    Ткните в хорошее описание этого формата.
    Еще вопрос по плате ЮТ88 все в одном. Там были "критеческие" микросхемы, а то я на своей плате впаял в основном 155 серию.

    iwa955, У меня РУ10 теплая, я выше писал какие у меня греются микросхемы.

    - - - Добавлено - - -

    Вопрос к знатокам, как говорилось в телепередаче.
    Есть флэшка W29EE512P-70. Программатором Tll866 стираю, пишет все ок микросхема стерта.
    Начинаю делать сверку на чистоту, выдает ошибку сверки.
    Флаги стирать защиту в начале и ставить после программирования стоят.
    Как ее стереть и запрограммировать по новой.
    Микросхему программировал не я, снята с какой то платы.

    - - - Добавлено - - -

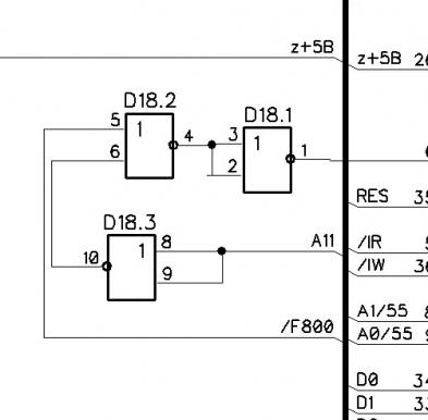
    По приведенной ниже схеме. какой будет базовый адрес у ВВ55?
    Миниатюры Миниатюры Нажмите на изображение для увеличения. 

Название:	ют-5.jpg 
Просмотров:	97 
Размер:	17.0 Кб 
ID:	65476  
    Микро-80, Радио-86РК, Океан 240, Ириша, Спектрум-48, NEC PC-8201, ЮТ-88(2017) .

  10. #120

    Регистрация
    24.05.2018
    Адрес
    г. Санкт-Петербург
    Сообщений
    82
    Спасибо Благодарностей отдано 
    5
    Спасибо Благодарностей получено 
    15
    Поблагодарили
    12 сообщений
    Mentioned
    0 Post(s)
    Tagged
    0 Thread(s)

    По умолчанию

    Цитата Сообщение от L Juriy Посмотреть сообщение
    По приведенной ниже схеме. какой будет базовый адрес у ВВ55?
    Выходит что F8, вообще тут примешивание A11 бессмысленно получается, так как эта линия уже примешана к /F800. Либо заменить на /F000. А так дублируется узел D49.6, D35.4.
    А что за линии A0/55, A1/55 - где они формируются?

    - - - Добавлено - - -

    Нашел где формируются - они инвертированные A0, A1.
    И всё же я чего-то не понимаю. Запись/Чтение идет по /IW, /IR, но портов у этого процессора 256, то есть A8-A15 не выставляются на ША? Почему тогда дешифратор адреса использует /F800?

Страница 12 из 19 ПерваяПервая ... 8910111213141516 ... ПоследняяПоследняя

Информация о теме

Пользователи, просматривающие эту тему

Эту тему просматривают: 1 (пользователей: 0 , гостей: 1)

Похожие темы

  1. Ответов: 1077
    Последнее: 01.02.2026, 13:03
  2. Ответов: 104
    Последнее: 16.10.2025, 06:34
  3. Ответов: 903
    Последнее: 06.05.2024, 09:05
  4. Ответов: 179
    Последнее: 28.03.2018, 08:30
  5. Ответов: 105
    Последнее: 16.05.2016, 12:25

Ваши права

  • Вы не можете создавать новые темы
  • Вы не можете отвечать в темах
  • Вы не можете прикреплять вложения
  • Вы не можете редактировать свои сообщения
  •