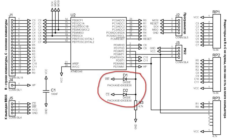
зависит от того с какими фьюзами прошита клавиатурная атмега. судя по описанию - прошита с ресетом на выход. а в оригинальной прошивке есть багофича - если атмега не видит клаву - она будет постоянно дергать за ресет (что походу и происходит - ресет в нуле и клава не работает)



Ответить с цитированием
Размещение рекламы на форуме способствует его дальнейшему развитию 
