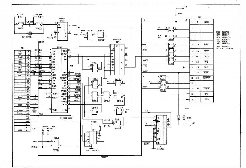
С платы срисовал схему, задающий генератор на 8 МГц присутствует.
выполнен по классический схеме ОРИОНа на 155ЛН1.
Правда странно как то в стороне установлен кварцевый резонатор на 8 МГц.
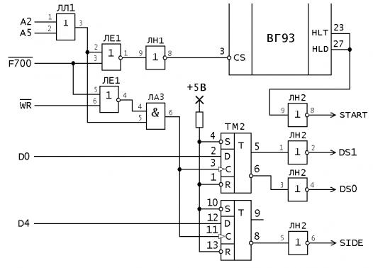
Не понятна какая микросхема по логике DD8.
С остальными микросхемами вроде понятно.
Так же не понятны часть выводов на разъеме XS2 2, 3 и 11.


Ответить с цитированием


Размещение рекламы на форуме способствует его дальнейшему развитию 
)
