да можно, по схеме как в Профи, к примеру. Я так сделал на +2, +2А +3 своих. А как в оригинале у них на плате - это ужас. Т.е. не "можно", а "нужно".
Про НЧ сигнал от "фирмЫ" лучше забыть, т.к. если вы его и восстановите, по советам выше, то качеством будете недовольны. TEA 2000 отвратительна. Лучше бы конечно осциллографом проследить по схеме, почему нет НЧ сигнала. Это раз. Может у мониторов вход сильноточный это два. Если уж сильно хочется именно композитное подключение, то я рекомендую приобрести ПАЛ-кодер у NedoPC или у китайцев. Картинка с палкодера от NedoPC в разы лучше чем родная, но даже там есть помехи, в силу самого способа кодирования, но у него есть и S-Video выход - там будет качество как по RGB.
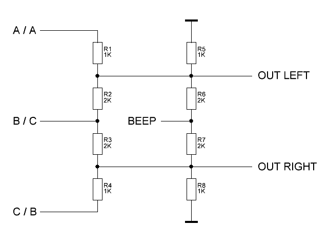
Насчёт звука и вообще разъёма DIN-8. (а не 9), я бы рекомендовал чуток переделать распайку в разъёме по схеме которую прилагаю. Это файл фирменного руководства, но распайку я там изменил подписав комментарий. На первый контакт вместо +12В подключаем просто линию питания +5В (в шнуре уже ставим нужный резистор на эту линию и её цепляем на 16-й контакт скарта), +12В с 5-го контакта убираем вообще. В общем, смотрите схему. В таком подключении есть смысл. В фирменном - нету. chapter10.rar





Ответить с цитированием
ZX Spectrum 48K issue 2/3/4A/4B/4S/6A


