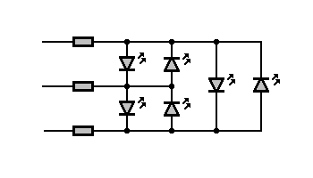
Это пример как к 3м ногам контроллера подключить 6 светодиодов. Но тут нужно будет делать динамическую индикацию. Еще можно повесить на эти же ноги и кнопки, которые будут опрашиваться перед переключением на другой светодиод(через резисторы чтобы не спалить светодиоды). Назначение кнопок может быть: Mode, Up, Down.
Изначально светодиоды показывают состояние устройства.
Нажатием кнопки Mode(если параметров не много) будет выбираться номер параметра подлежащего изменению, при этом светодиоды будут высвечивать его номер.
Нажатием кнопок Up/Down можно будет изменять значение параметра, при этом светодиоды будут мигать высвечивая его значение.
Длительным нажатием кнопки Mode параметра будет записываться во Flash микроконтроллера, а при коротком изменения будут отменяться и производиться переход к следующему параметру.
При такой схеме используя всего три ноги можно будет настраивать до 64 параметров по 64 значения у каждого.
![]()



Ответить с цитированием
Дело за реализацией.
"Байт-48"
Размещение рекламы на форуме способствует его дальнейшему развитию 

