User Tag List

Страница 53 из 69 ПерваяПервая ... 495051525354555657 ... ПоследняяПоследняя
Показано с 521 по 530 из 688

Тема: Реплика ПК 11/16

  1. #521

    Регистрация
    01.02.2010
    Адрес
    Москва
    Сообщений
    769
    Спасибо Благодарностей отдано 
    181
    Спасибо Благодарностей получено 
    191
    Поблагодарили
    91 сообщений
    Mentioned
    11 Post(s)
    Tagged
    0 Thread(s)

    По умолчанию

    Цитата Сообщение от BYTEMAN Посмотреть сообщение
    Вроде можно заюзать энергию выбега шпинделя заюзать.
    да одни тоже заюзали энергию выбега... в 86... =)

  2. #522

    Регистрация
    11.01.2006
    Адрес
    Брест/Минск
    Сообщений
    8,398
    Записей в дневнике
    4
    Спасибо Благодарностей отдано 
    188
    Спасибо Благодарностей получено 
    124
    Поблагодарили
    62 сообщений
    Mentioned
    7 Post(s)
    Tagged
    0 Thread(s)

    По умолчанию

    Цитата Сообщение от xolod Посмотреть сообщение
    да одни тоже заюзали энергию выбега... в 86... =)
    Удалил свой пост. МС5410 точно автопаркуется, но про выбег и принцип автопарковки у него я сильно не уверен.
    Последний раз редактировалось BYTEMAN; 29.11.2018 в 12:29. Причина: обманул, не 5405, а 5410 :(
    С уважением, Александр.
    Scorpion ZS-256 Turbo+ GMX-2048
    SID-Blaster/ZX
    Музей ретрокомпьютеров в Минске!
    Здесь ничего нет => http://byteman.by
    И здесь тоже --->>> http://bytespace.by

  3. #523

    Регистрация
    18.04.2015
    Адрес
    г. Люберцы
    Сообщений
    342
    Спасибо Благодарностей отдано 
    103
    Спасибо Благодарностей получено 
    32
    Поблагодарили
    27 сообщений
    Mentioned
    5 Post(s)
    Tagged
    0 Thread(s)

    По умолчанию

    Собрал образ ПЗУ из исходников - он получается большего размера, но в 8Кслов помещается. С ним эмулятор Неона стартует, демку крутит. Запас ~20 слов всего, в сдампленной с реальной машины ПЗУ было заметно больше в конце нулей.

    Сделал также сборку с заменой драйвера дисков на версию с поддержкой IDE, но там перелёт на ~500 слов - не влезает в ПЗУ.

  4. #524

    Регистрация
    06.12.2017
    Адрес
    г. Москва
    Сообщений
    1,724
    Спасибо Благодарностей отдано 
    167
    Спасибо Благодарностей получено 
    406
    Поблагодарили
    257 сообщений
    Mentioned
    11 Post(s)
    Tagged
    0 Thread(s)

    По умолчанию

    Цитата Сообщение от troosh Посмотреть сообщение
    Сделал также сборку с заменой драйвера дисков на версию с поддержкой IDE, но там перелёт на ~500 слов - не влезает в ПЗУ.
    А как объяснить что драйвер MFM намного короче драйвера IDE?
    Может, текстовые сообщения в исходниках укоротить, тогда влезет?
    manwe.pdp-11.ru

  5. #525

    Регистрация
    18.04.2015
    Адрес
    г. Люберцы
    Сообщений
    342
    Спасибо Благодарностей отдано 
    103
    Спасибо Благодарностей получено 
    32
    Поблагодарили
    27 сообщений
    Mentioned
    5 Post(s)
    Tagged
    0 Thread(s)

    По умолчанию

    Цитата Сообщение от Manwe Посмотреть сообщение
    А как объяснить что драйвер MFM намного короче драйвера IDE?
    Может, текстовые сообщения в исходниках укоротить, тогда влезет?
    Я заменяю "FDD+HDD(MFM)" драйвер на "FDD+HDD(MFM+IDE)", т.е. там поддержка IDE не в замен поддержки MFM, а в дополнении.

    Нет, текстовыми сообщениями не набрать столько...
    А сжатие там достоточно эффектное, на уровне exomizer. Хотя и своё оригинальное: в LZ фазе работа только с 16-ти битными словами (нет байтовых литералов и ссылки тоже только на слова), причём она применяется для данных из которых предварительно удалили все нулевые слова, а вот на второй фазе эти нулевые слова обратно вставляются (кодируются пары: сколько ненулевых слова, сколько нулей). И ещё, из необычного - на LZ фазе литералы кодируются неравнозначно: те, что <8192 кодируют 16 битами, а остальные 18-ть (было бы привычно если бы все кодировали 17-ть битами).

  6. #526

    Регистрация
    20.04.2013
    Адрес
    г. Павловский Посад
    Сообщений
    4,246
    Спасибо Благодарностей отдано 
    498
    Спасибо Благодарностей получено 
    557
    Поблагодарили
    436 сообщений
    Mentioned
    42 Post(s)
    Tagged
    0 Thread(s)

    По умолчанию

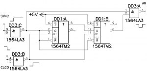
    Предложения по непринципиальным усовершенствованиям изделия :
    1. В соответствии с ТО на Н1806ВМ2 сделать отключение сигнала AR ( адрес принят ) до снятия сигнала SYNC - ускорение будет в районе 5% ( полтакта )

    *
    2. На разъемы МПИ не выведены сигналы DMR, SACK, DMGO, VIRQ, IAKO, SEL процессора - их надо подтянуть резисторами ~4.7 ком ( к линии +5в. ) и вывести на разъемы, можно паралельно на 2 разъема ( для упрощения ).
    Что это даст ?
    2.1.Возможность тестировать М-ЭВМ на стенде
    2.2.Возможность применять стандарные контроллеры с ДМА и прерываниями
    Блог : http://collectingrd.kxk.ru/ . В ЛС прошу не писать, все сообщения MMTEMA@MAIL.RU

  7. #526
    С любовью к вам, Yandex.Direct
    Размещение рекламы на форуме способствует его дальнейшему развитию

  8. #527

    Регистрация
    26.10.2011
    Адрес
    Москва
    Сообщений
    554
    Спасибо Благодарностей отдано 
    11
    Спасибо Благодарностей получено 
    22
    Поблагодарили
    15 сообщений
    Mentioned
    0 Post(s)
    Tagged
    0 Thread(s)

    По умолчанию

    Цитата Сообщение от troosh Посмотреть сообщение
    Я заменяю "FDD+HDD(MFM)" драйвер на "FDD+HDD(MFM+IDE)", т.е. там поддержка IDE не в замен поддержки MFM, а в дополнении.
    Если не влезает, может лучше сделать просто отдельную версию FDD+HDD(IDE) ?
    А вообще, изменения ПЗУ достаточно, или весь софт лопатить надо?
    Возрождение БК0011М: pk-fpga.ru, forum.pk-fpga.ru
    Продажа электронных компонентов >>тут<<

  9. #528

    Регистрация
    18.04.2015
    Адрес
    г. Люберцы
    Сообщений
    342
    Спасибо Благодарностей отдано 
    103
    Спасибо Благодарностей получено 
    32
    Поблагодарили
    27 сообщений
    Mentioned
    5 Post(s)
    Tagged
    0 Thread(s)

    По умолчанию

    Цитата Сообщение от MM Посмотреть сообщение
    Предложения по непринципиальным усовершенствованиям изделия :
    1. В соответствии с ТО на Н1806ВМ2 сделать отключение сигнала AR ( адрес принят ) до снятия сигнала SYNC - ускорение будет в районе 5% ( полтакта )
    Пока никто не замерил фактическую производительность (я писал какой образ дискеты содержит тест скорости).
    Может там всё так плохо, что 5% не помогут. Но направлением мыслей мне нравится.

    Цитата Сообщение от MM Посмотреть сообщение
    2. На разъемы МПИ не выведены сигналы DMR, SACK, DMGO, VIRQ, IAKO, SEL процессора - их надо подтянуть резисторами ~4.7 ком ( к линии +5в. ) и вывести на разъемы, можно паралельно на 2 разъема ( для упрощения ).
    Что это даст ?
    2.1.Возможность тестировать М-ЭВМ на стенде
    2.2.Возможность применять стандарные контроллеры с ДМА и прерываниями
    Не знаю что такое "стенд", но:
    - На VIRQ уже "висит" встроенный контроллер прреываний i8259 (хотя и не сразу, а через ПЛМ). На разъём уже выведено два сигнала прерывания (но на один бы всёт аки подать VSYNC).
    - Процессор может и отключится по запросу DMA от остальной схемы, но видеоконтроллер к этому не готов. Это в первом приближении для меня так выглядит, может не всё так плохо (для флопа и диска почему они не задействовали DMA сразу?).
    - На разъёмах нет столько свободных выходов (если таки, как обсуждали, на B16 выведем сигнал A06).

    - - - Updated - - -

    Цитата Сообщение от Woland Посмотреть сообщение
    Если не влезает, может лучше сделать просто отдельную версию FDD+HDD(IDE) ?
    А вообще, изменения ПЗУ достаточно, или весь софт лопатить надо?
    1. Вырезая MFM можно что-то лишнее отрезать. Там же рука мастера и всё такое. Проще поиграться с сжатием.
    2. Нет прикладной софт не нужно править, но если где-то на дискетах пытаются загрузить драйвер без поддержки IDE - нужно будет закомментировать.

  10. #529

    Регистрация
    20.04.2013
    Адрес
    г. Павловский Посад
    Сообщений
    4,246
    Спасибо Благодарностей отдано 
    498
    Спасибо Благодарностей получено 
    557
    Поблагодарили
    436 сообщений
    Mentioned
    42 Post(s)
    Tagged
    0 Thread(s)

    По умолчанию

    Цитата Сообщение от troosh Посмотреть сообщение
    что такое "стенд"
    Это плата в сторонней ЭВМ, позволяющая с пульта просматривать АП тестируемой М-ЭВМ или каког-либо отдельного контроллера.
    Абсолютно незаменим на серийном производстве - отладка плат со стендами ускоряется на ~порядок, в сравнении с отсуствием стенда.
    Стенды бывают 32, и 64-разрядными ( 64 обычно применяется с процами типа ВМ3 ).
    Были адаптации стендов и для Интел-направлений - вставлялись в колодку под М580ВМ80 и М1810ВМ86.

    Типовые команды стенда :
    - открыть ячейку на запись/чтение
    - подсчитать к/с отдельного массива данных
    - потестировать ОЗУ в отведенных границах, границы настраиваются
    - осуществить зацикленный доступ к определенной ячеке, в т.ч. на запись
    - комплексный тест М-ЭВМ по ТО
    Блог : http://collectingrd.kxk.ru/ . В ЛС прошу не писать, все сообщения MMTEMA@MAIL.RU

  11. #530

    Регистрация
    11.01.2006
    Адрес
    Брест/Минск
    Сообщений
    8,398
    Записей в дневнике
    4
    Спасибо Благодарностей отдано 
    188
    Спасибо Благодарностей получено 
    124
    Поблагодарили
    62 сообщений
    Mentioned
    7 Post(s)
    Tagged
    0 Thread(s)

    По умолчанию

    Пример заводского пульта для отладки ЕС1851: https://files.byteman.by/debugger.jpg
    С уважением, Александр.
    Scorpion ZS-256 Turbo+ GMX-2048
    SID-Blaster/ZX
    Музей ретрокомпьютеров в Минске!
    Здесь ничего нет => http://byteman.by
    И здесь тоже --->>> http://bytespace.by

Страница 53 из 69 ПерваяПервая ... 495051525354555657 ... ПоследняяПоследняя

Информация о теме

Пользователи, просматривающие эту тему

Эту тему просматривают: 1 (пользователей: 0 , гостей: 1)

Похожие темы

  1. реплика DLV11 581ва1 1002хл1
    от bigral в разделе ДВК, УКНЦ
    Ответов: 17
    Последнее: 08.11.2020, 01:37
  2. Реплика КМД УКНЦ
    от tnt23 в разделе ДВК, УКНЦ
    Ответов: 451
    Последнее: 26.06.2020, 15:07
  3. Реплика адаптера джойстика УКНЦ
    от MacBuster в разделе ДВК, УКНЦ
    Ответов: 58
    Последнее: 19.09.2018, 22:43
  4. MSX FDC реплика
    от dk_spb в разделе MSX
    Ответов: 39
    Последнее: 14.07.2012, 15:10
  5. Реплика КМД ДВК (MY)
    от KALDYH в разделе ДВК, УКНЦ
    Ответов: 19
    Последнее: 12.11.2009, 15:43

Ваши права

  • Вы не можете создавать новые темы
  • Вы не можете отвечать в темах
  • Вы не можете прикреплять вложения
  • Вы не можете редактировать свои сообщения
  •