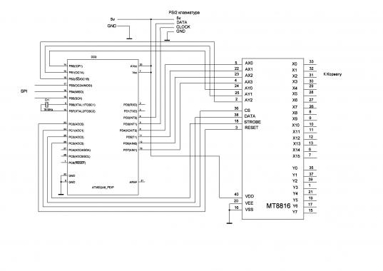
Спасибо за объяснение. Способ опроса всей клавиатуры и правда удобный.
Его можно поддержать, записывая в нужный адрес OR от состояния всех рядов. Комбинаций адресов не так много.
А как тебе такой вариант?
Выбросить:
* CSKB
* SRAM
* мультиплексор
Добавить:
* восемь декодеров i2c по 16 бит с защелками, типа PCF8575
* восемь буферов по 16 бит для адресного селектора
* шестнадцать OR на 8 входов
Корвет даже не отличит от настоящей клавиатуры. И в атмеге свободные пины останутся.
А что плата большая, так ведь и Корвет не маленький!
- - - Добавлено - - -
FPGA на системном разъеме может не только клавиатуру изображать.
Плисину пожирнее + SD + ОЗУ:
- Extender
- Виртуальный дисковод для 8010
- Расширение памяти до четырех страниц
- Мышь
- Джойстики
- Локалка
Только подумать как грамотно затенить реальные устройства. Может выпаять вообще.




Ответить с цитированием
