User Tag List

Страница 2 из 19 ПерваяПервая 123456 ... ПоследняяПоследняя
Показано с 11 по 20 из 190

Тема: Новый старый квазидиск

  1. #11

    Регистрация
    15.09.2009
    Адрес
    SPb
    Сообщений
    7,301
    Спасибо Благодарностей отдано 
    260
    Спасибо Благодарностей получено 
    293
    Поблагодарили
    211 сообщений
    Mentioned
    5 Post(s)
    Tagged
    0 Thread(s)

    По умолчанию

    Цитата Сообщение от Improver Посмотреть сообщение
    А можно про схему Баркаря по-подробнее? Я попытался воссоздать то, что было в журнале "Радио-Любитель №11/1995", но без прошивки ПЗУ-хи логику изменений не понял...
    Если я правильно помню там еще две области памяти выделены под окна и в 10h для этого задействованы два старших бита.

  2. #12

    Регистрация
    06.02.2018
    Адрес
    г. Волгоград
    Сообщений
    1,060
    Спасибо Благодарностей отдано 
    578
    Спасибо Благодарностей получено 
    468
    Поблагодарили
    251 сообщений
    Mentioned
    2 Post(s)
    Tagged
    0 Thread(s)

    По умолчанию

    В прошедшие выходные посмотрел в инете доступность в продаже микросхем памяти, и оказалось, что те, которые я планировал вначале можно либо купить в китае либо задёшево б/у с ~10% вероятностью брака, либо дороже, чем в России (в том же "Чипе и Дипе") аналогичные, но с ёмкостью в два раза больше... В общем, на этой волне перерисовал схему:

    Схемка

    Нажмите на изображение для увеличения. 

Название:	kd_sram5x.jpg 
Просмотров:	268 
Размер:	69.0 Кб 
ID:	65815

    Архив: KD_SRAM5.7z
    [свернуть]

    Изменения:
    - заменил микросхемы памяти на другие, что позволило избавится от дешифратора.
    - откатил назад схему генерации сигнала БЛК.
    - управление памятью сделал по CE, как рекомендовал Syntal.
    - исправил некоторые ошибки, добавил новые...

  3. #13

    Регистрация
    01.08.2006
    Адрес
    Волгоград
    Сообщений
    399
    Спасибо Благодарностей отдано 
    22
    Спасибо Благодарностей получено 
    24
    Поблагодарили
    22 сообщений
    Mentioned
    0 Post(s)
    Tagged
    0 Thread(s)

    По умолчанию

    Цитата Сообщение от Improver Посмотреть сообщение
    - исправил некоторые ошибки, добавил новые...
    OE постоянно на землю не прокатит - забьешь шину данных.

    Хотя может и прокатит, но мне кажется Вы ориентируетесь только на таблицу истинности режимов работы SRAM в даташите. Нужно еще учитывать временные характеристики подачи сигналов. Везде в даташитах указано, что сперва должен поступать CE, а потом OE. Что будет при обратном поступлении сигналов не указано. Возможно все будет и нормально, а может и сбоить в одном из тысячи случаев, замучаетесь искать потом.
    Последний раз редактировалось Syntal; 23.07.2018 в 14:11.
    "... жизнь удалась, если найдётся кто-нибудь, кто заберёт с помойки твои книги и инструменты, когда ты умрёшь". (c) marta_ketro
    Любой компьютер, в котором стоят резисторы, компьютером может называться с натяжкой. (с) Д. Михайлов

  4. #14

    Регистрация
    06.02.2018
    Адрес
    г. Волгоград
    Сообщений
    1,060
    Спасибо Благодарностей отдано 
    578
    Спасибо Благодарностей получено 
    468
    Поблагодарили
    251 сообщений
    Mentioned
    2 Post(s)
    Tagged
    0 Thread(s)

    По умолчанию

    Цитата Сообщение от Syntal Посмотреть сообщение
    OE постоянно на землю не прокатит - забьешь шину данных.
    Не уверен... Смотрим страницу 8 даташита на память, первый график там -- цикл записи с управлением по WE, и внизу примечание №6 к нему: "OE is continuously low", т.е. при записи этот вывод постоянно на нуле. И в том же даташите на циклах чтения при управлении по СЕ (см. "Read Cycle 2" и "Read Cycle 3") тоже указано в примечании №4: "OE = Vil", так что, думаю, работать должно...

    - - - Добавлено - - -

    Дополнение к дополнению...
    Цитата Сообщение от Syntal Посмотреть сообщение
    Везде в даташитах указано, что сперва должен поступать CE, а потом OE. Что будет при обратном поступлении сигналов не указано.
    Указано -- см. те же графики с управлением по СЕ.

  5. #15

    Регистрация
    01.08.2006
    Адрес
    Волгоград
    Сообщений
    399
    Спасибо Благодарностей отдано 
    22
    Спасибо Благодарностей получено 
    24
    Поблагодарили
    22 сообщений
    Mentioned
    0 Post(s)
    Tagged
    0 Thread(s)

    По умолчанию

    Цитата Сообщение от Improver Посмотреть сообщение
    Указано -- см. те же графики с управлением по СЕ.
    Тогда сорри
    "... жизнь удалась, если найдётся кто-нибудь, кто заберёт с помойки твои книги и инструменты, когда ты умрёшь". (c) marta_ketro
    Любой компьютер, в котором стоят резисторы, компьютером может называться с натяжкой. (с) Д. Михайлов

  6. #16

    Регистрация
    22.02.2014
    Адрес
    г. Курган
    Сообщений
    1,706
    Спасибо Благодарностей отдано 
    275
    Спасибо Благодарностей получено 
    318
    Поблагодарили
    222 сообщений
    Mentioned
    1 Post(s)
    Tagged
    0 Thread(s)

    По умолчанию

    Цитата Сообщение от Improver Посмотреть сообщение
    В прошедшие выходные посмотрел в инете доступность в продаже микросхем памяти, и оказалось, что те, которые я планировал вначале можно либо купить в китае либо задёшево б/у с ~10% вероятностью брака, либо дороже, чем в России (в том же "Чипе и Дипе") аналогичные, но с ёмкостью в два раза больше... ...
    А что, на али сообщают когда б/у товар продают?
    Сколько выбранная память в "Чип и Дип" стоит, 230руб. за штуку?
    Была ссылка на али, там около 380р за 10 штук, или это они и есть б/у ?

  7. #16
    С любовью к вам, Yandex.Direct
    Размещение рекламы на форуме способствует его дальнейшему развитию

  8. #17

    Регистрация
    06.02.2018
    Адрес
    г. Волгоград
    Сообщений
    1,060
    Спасибо Благодарностей отдано 
    578
    Спасибо Благодарностей получено 
    468
    Поблагодарили
    251 сообщений
    Mentioned
    2 Post(s)
    Tagged
    0 Thread(s)

    По умолчанию

    Цитата Сообщение от KTSerg Посмотреть сообщение
    А что, на али сообщают когда б/у товар продают?
    Как обычно, "Бесплатная доставка новое поступление крутые бинты удовлетворитель женщин"

    Сколько выбранная память в "Чип и Дип" стоит, 230руб. за штуку?
    Да... И пока я склоняюсь к тому, что при близкой стоимости мегабитная память всё-таки будет удобнее в применении на квази-диске, чем 512-килобитная. Ещё лучше подошла бы двухмегабитная (256к*8), тогда хватило бы одного чипа, и с мультиплексора две линии просто можно было подавать на старшие адресные, но найти такую память сложнее.

    Была ссылка на али, там около 380р за 10 штук, или это они и есть б/у ?
    Судя по комментариям -- да, это б/у, хотя продавец об этом не пишет... Есть ещё вариант на али -- искать по lp621024, примерно по 600 руб./10 шт., но там тип корпуса несколько другой... А вот на ебее с нужными корпусами есть, но доставка дорогая.

  9. #18

    Регистрация
    15.09.2009
    Адрес
    SPb
    Сообщений
    7,301
    Спасибо Благодарностей отдано 
    260
    Спасибо Благодарностей получено 
    293
    Поблагодарили
    211 сообщений
    Mentioned
    5 Post(s)
    Tagged
    0 Thread(s)

    По умолчанию

    На али бывают 512Kx8 регулярно, но на али _очень_ тупой поиск.

    Например, https://www.aliexpress.com/item/Free...006372306.html
    Недёшево, зато один чип, а не кучка.
    И это статика, можно с регенерацией не заморачиваться. И она - low power, то есть можно и о батареечке подумать (хотя зачем - непонятно ;-) )
    Последний раз редактировалось dk_spb; 24.07.2018 в 10:35.

  10. #19

    Регистрация
    06.02.2018
    Адрес
    г. Волгоград
    Сообщений
    1,060
    Спасибо Благодарностей отдано 
    578
    Спасибо Благодарностей получено 
    468
    Поблагодарили
    251 сообщений
    Mentioned
    2 Post(s)
    Tagged
    0 Thread(s)

    По умолчанию

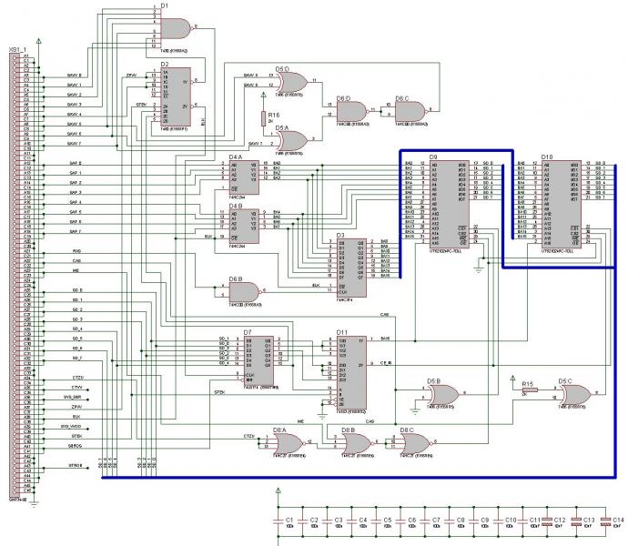
    Обнаружил досадную ошибку в схеме... Я рисовал её на основе схемы из журнала "Радиолюбитель", а там, как оказалось, опечатка -- на триггеры был заведён сигнал "СТЕК" вместо "ШД4". Соответственно, все предыдущие мои варианты имеют эту ошибку. Исправленная схема:
    Нажмите на изображение для увеличения. 

Название:	kd_sram6.jpg 
Просмотров:	278 
Размер:	72.4 Кб 
ID:	65823

    И архив: KD_SRAM6.7z

  11. #20

    Регистрация
    22.02.2014
    Адрес
    г. Курган
    Сообщений
    1,706
    Спасибо Благодарностей отдано 
    275
    Спасибо Благодарностей получено 
    318
    Поблагодарили
    222 сообщений
    Mentioned
    1 Post(s)
    Tagged
    0 Thread(s)

    По умолчанию

    Чет не могу найти внятных характеристик РУ-шек применяемых в Векторе и Квазидиске...
    Мне интересно, сопоставимо ли быстродействие микросхем статики и РУ-шек?
    Не будет ли конфликтов на этой почве...

Страница 2 из 19 ПерваяПервая 123456 ... ПоследняяПоследняя

Информация о теме

Пользователи, просматривающие эту тему

Эту тему просматривают: 1 (пользователей: 0 , гостей: 1)

Похожие темы

  1. ПК8000 - Софт: Старый и Новый
    от ivagor в разделе ПК8000
    Ответов: 344
    Последнее: 08.11.2025, 06:55
  2. Старый-Новый Язык Noahsoft PL65
    от ezswift в разделе Atari
    Ответов: 25
    Последнее: 19.04.2023, 09:32
  3. Новый старый ZX-Next: сборка, тестирование, производство.
    от ZXFanat в разделе Несортированное железо
    Ответов: 51
    Последнее: 01.10.2011, 08:41
  4. про новый-старый спектрум
    от xailar в разделе ZX Концепции
    Ответов: 3
    Последнее: 06.12.2010, 10:42
  5. ПК8000 - Квазидиск
    от Mick в разделе ПК8000
    Ответов: 86
    Последнее: 13.10.2008, 19:17

Ваши права

  • Вы не можете создавать новые темы
  • Вы не можете отвечать в темах
  • Вы не можете прикреплять вложения
  • Вы не можете редактировать свои сообщения
  •