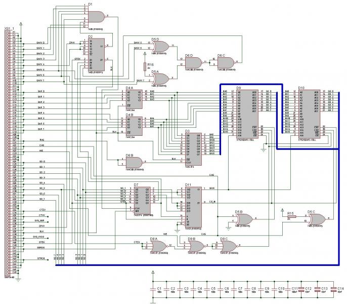
В прошедшие выходные посмотрел в инете доступность в продаже микросхем памяти, и оказалось, что те, которые я планировал вначале можно либо купить в китае либо задёшево б/у с ~10% вероятностью брака, либо дороже, чем в России (в том же "Чипе и Дипе") аналогичные, но с ёмкостью в два раза больше... В общем, на этой волне перерисовал схему:
Схемка
Изменения:
- заменил микросхемы памяти на другие, что позволило избавится от дешифратора.
- откатил назад схему генерации сигнала БЛК.
- управление памятью сделал по CE, как рекомендовал Syntal.
- исправил некоторые ошибки, добавил новые...![]()




Ответить с цитированием