Если нужно, отдам по себестоимости + пару банок пиваПишите в личку.
- - - Добавлено - - -
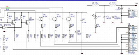
Такой вопрос у меня тут возник. На клавиатуру в оригинале стоят диоды Д9Б. а можно кд 522 (1n4148) туда воткнуть? на что это вообще влияет, вроде функция то у них не особо хитрая?
Блокировочные конденсаторы в оригинале 68 нф такие лучше и ставить ? Просто в другой схеме с герберами, которая была зачем то 0,22 написано...


Пишите в личку.
Ответить с цитированием
Размещение рекламы на форуме способствует его дальнейшему развитию 




