User Tag List

Показано с 1 по 10 из 10

Тема: AY-3-8910 - Харьковский вариант (схема)...

Древовидный режим

Предыдущее сообщение Предыдущее сообщение   Следующее сообщение Следующее сообщение
  1. #1

    Регистрация
    21.12.2010
    Адрес
    Харьковская обл.
    Сообщений
    36
    Спасибо Благодарностей отдано 
    0
    Спасибо Благодарностей получено 
    0
    Поблагодарили
    0 сообщений
    Mentioned
    3 Post(s)
    Tagged
    0 Thread(s)

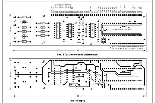
    По умолчанию AY-3-8910 - Харьковский вариант (схема)...

    Просьба сильно не пинать!
    Собрал! Подключил! Класс!

    url: http://narod.ru/disk/34056759001/Kharkov-AY.rar.html

    С ув. St.
    Миниатюры Миниатюры Нажмите на изображение для увеличения. 

Название:	AY-1.jpg 
Просмотров:	657 
Размер:	49.6 Кб 
ID:	31533   Нажмите на изображение для увеличения. 

Название:	AY-2.jpg 
Просмотров:	523 
Размер:	46.0 Кб 
ID:	31534   Нажмите на изображение для увеличения. 

Название:	AY-3.jpg 
Просмотров:	545 
Размер:	55.5 Кб 
ID:	31535   Нажмите на изображение для увеличения. 

Название:	AY-4.jpg 
Просмотров:	501 
Размер:	51.8 Кб 
ID:	31536   Нажмите на изображение для увеличения. 

Название:	AY-5.jpg 
Просмотров:	583 
Размер:	57.4 Кб 
ID:	31537  

    Последний раз редактировалось St; 13.12.2011 в 08:14.

  2. #1
    С любовью к вам, Yandex.Direct
    Размещение рекламы на форуме способствует его дальнейшему развитию

Информация о теме

Пользователи, просматривающие эту тему

Эту тему просматривают: 1 (пользователей: 0 , гостей: 1)

Похожие темы

  1. Ответов: 13
    Последнее: 13.09.2018, 09:12
  2. AY-3-8910
    от Eugeny в разделе Звук
    Ответов: 14
    Последнее: 05.09.2011, 17:11
  3. Харьковский ZX-Форум
    от SpAwN_LMG в разделе Люди
    Ответов: 0
    Последнее: 14.09.2007, 19:14
  4. Ответов: 92
    Последнее: 05.09.2007, 22:27
  5. NK-DOS (вариант MS-DOS под TR-DOS)
    от Nomy Graphics в разделе Оси
    Ответов: 30
    Последнее: 03.09.2007, 16:59

Ваши права

  • Вы не можете создавать новые темы
  • Вы не можете отвечать в темах
  • Вы не можете прикреплять вложения
  • Вы не можете редактировать свои сообщения
  •