Важная информация

User Tag List

Страница 2 из 22 ПерваяПервая 123456 ... ПоследняяПоследняя
Показано с 11 по 20 из 211

Тема: "Океан-240": видеовыход

  1. #11

    Регистрация
    28.03.2006
    Адрес
    Санкт-Петербург
    Сообщений
    2,780
    Спасибо Благодарностей отдано 
    568
    Спасибо Благодарностей получено 
    201
    Поблагодарили
    139 сообщений
    Mentioned
    2 Post(s)
    Tagged
    0 Thread(s)

    По умолчанию

    Цитата Сообщение от L Juriy Посмотреть сообщение
    Проверил на собранной плате(старой), там все тоже соответствует схеме и номиналы стоят как в схеме.
    А старую плату к чему подключали?

  2. #12

    Регистрация
    25.11.2011
    Адрес
    г. Красногорск
    Сообщений
    1,389
    Спасибо Благодарностей отдано 
    16
    Спасибо Благодарностей получено 
    7
    Поблагодарили
    7 сообщений
    Mentioned
    0 Post(s)
    Tagged
    0 Thread(s)

    По умолчанию

    Цитата Сообщение от L Juriy Посмотреть сообщение
    Проверил схему на соответствие журнальной, полностью совпадают.
    я про некорректную журнальную схему писал
    ошибки в проектировании схемы Океана
    предлагаю присмотреться к аналогичным узлам у Профи Спектрумовского и к БК-0011М. Последняя как раз тоже имеет ПЗУ палитр на видеовыходе. Можно подсмотреть как там согласование выходов РТ4 сделаны со входами транзисторными.

  3. #13

    Регистрация
    29.11.2009
    Адрес
    г. Бийск
    Сообщений
    521
    Спасибо Благодарностей отдано 
    34
    Спасибо Благодарностей получено 
    41
    Поблагодарили
    31 сообщений
    Mentioned
    0 Post(s)
    Tagged
    0 Thread(s)

    По умолчанию

    tnt23,
    Юность Ц401 с переделанным входом.
    А ч/б как обычно "колокольчик", но с раздельными видео и ССИ, КСИ.
    Микро-80, Радио-86РК, Океан 240, Ириша, Спектрум-48, NEC PC-8201, ЮТ-88(2017) .

  4. #14

    Регистрация
    28.03.2006
    Адрес
    Санкт-Петербург
    Сообщений
    2,780
    Спасибо Благодарностей отдано 
    568
    Спасибо Благодарностей получено 
    201
    Поблагодарили
    139 сообщений
    Mentioned
    2 Post(s)
    Tagged
    0 Thread(s)

    По умолчанию

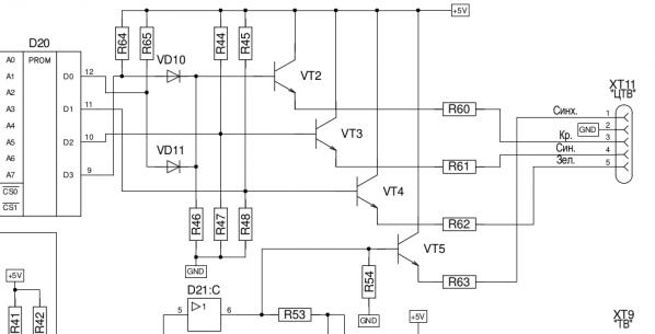
    Поразглядывал каскады формирования видео в БК-0011М, много думал.

    Скрытый текст

    Нажмите на изображение для увеличения. 

Название:	Screenshot from 2018-11-10 19-34-26.jpg 
Просмотров:	389 
Размер:	23.6 Кб 
ID:	66883

    В принципе, если в наших двухтактных выходах выбросить нижнее плечо на КТ361, получится обычный эмиттерный повторитель.

    [свернуть]


    Пока остановился на таком варианте модификации выходов R, G и B:

    • заменил перемычками резисторы R19-R21 (в оригинале 1К6)
    • резисторы R13-R15 заменил на 3К3 (в оригинале 5К1)
    • базы транзисторов посадил на землю через резисторы 510 Ом


    Выходы ч/б VIDEO и синхросмеси не трогал. В ч/б VIDEO по-прежнему отсутствует задняя полка, с этим надо будет разобраться позже.

    Картинка в целом на троечку, нужно приделать клавиатуру и наваять какую-нибудь испытательную таблицу в цветном режиме.
    Последний раз редактировалось tnt23; 10.11.2018 в 23:41.

  5. #15

    Регистрация
    29.11.2009
    Адрес
    г. Бийск
    Сообщений
    521
    Спасибо Благодарностей отдано 
    34
    Спасибо Благодарностей получено 
    41
    Поблагодарили
    31 сообщений
    Mentioned
    0 Post(s)
    Tagged
    0 Thread(s)

    По умолчанию

    tnt23,
    Мне внести эти изменения на плату, или еще подождать немного до окончательного варианта.
    А может сделать так. Выбросить все эти формирователи с платы, а вывести сигналы на разьем.
    На него (разьем ) добавить питание и весь огород(если он нужен) городить на доп плате.
    Все сигналы вывести раздельно.(R, G, B, Vsyn, Hsyn, Video).
    Микро-80, Радио-86РК, Океан 240, Ириша, Спектрум-48, NEC PC-8201, ЮТ-88(2017) .

  6. #16

    Регистрация
    28.03.2006
    Адрес
    Санкт-Петербург
    Сообщений
    2,780
    Спасибо Благодарностей отдано 
    568
    Спасибо Благодарностей получено 
    201
    Поблагодарили
    139 сообщений
    Mentioned
    2 Post(s)
    Tagged
    0 Thread(s)

    По умолчанию

    L Juriy, думаю, формирователи лучше на плате оставить. Все-таки реплика, более-менее точная и законченная. Чтобы подключать к ТВ без дополнительных плат.

  7. #16
    С любовью к вам, Yandex.Direct
    Размещение рекламы на форуме способствует его дальнейшему развитию

  8. #17

    Регистрация
    28.03.2006
    Адрес
    Санкт-Петербург
    Сообщений
    2,780
    Спасибо Благодарностей отдано 
    568
    Спасибо Благодарностей получено 
    201
    Поблагодарили
    139 сообщений
    Mentioned
    2 Post(s)
    Tagged
    0 Thread(s)

    По умолчанию

    Откопал стюардессу:

    Цитата Сообщение от tnt23 Посмотреть сообщение

    • заменил перемычками резисторы R19-R21 (в оригинале 1К6)
    Оказалось, что с такими номиналами совершенно не работает цвет фона. Новая вводная:

    • R19-R21 - 220R

  9. #18

    Регистрация
    25.11.2011
    Адрес
    г. Красногорск
    Сообщений
    1,389
    Спасибо Благодарностей отдано 
    16
    Спасибо Благодарностей получено 
    7
    Поблагодарили
    7 сообщений
    Mentioned
    0 Post(s)
    Tagged
    0 Thread(s)

    По умолчанию

    Цитата Сообщение от tnt23 Посмотреть сообщение
    совершенно не работает
    Может в симулятор электронных схем участок схемы с РТ4 c палитрой, резисторами "ЦАП" и транзисторными каскадами согласования, эквивалентом входа монититора/телевизора попробуете загнать и замучить до победного, после чего рабочую теорию из симулятора на железке проверить и сообщить какие номиналы резисторов по факту нужны и возможно какие изменения в схеме требуются.

  10. #19

    Регистрация
    28.03.2006
    Адрес
    Санкт-Петербург
    Сообщений
    2,780
    Спасибо Благодарностей отдано 
    568
    Спасибо Благодарностей получено 
    201
    Поблагодарили
    139 сообщений
    Mentioned
    2 Post(s)
    Tagged
    0 Thread(s)

    По умолчанию

    Цитата Сообщение от perestoronin Посмотреть сообщение
    Может в симулятор электронных схем участок схемы с РТ4 c палитрой, резисторами "ЦАП" и транзисторными каскадами согласования, эквивалентом входа монититора/телевизора попробуете загнать и замучить до победного, после чего рабочую теорию из симулятора на железке проверить и сообщить какие номиналы резисторов по факту нужны и возможно какие изменения в схеме требуются.
    Так я это уже проделал в первом приближении, разве что схему формирования полного ч/б ТВ сигнала не учитывал. В принципе все выглядело красиво, кроме выходного размаха напряжения:

    Скрытый текст


    [свернуть]


    Более того, вчера я убил очередной вечер, играясь с номиналами, и в результате опять вернулся к штатному журнальному варианту. Только придавил уровни RGB после усилителей сильно.

    PS В Тест-ПЗУ второй графический тест, который рисует монохромную шахматную доску, пошагово окрашивает ее темные шашечки в цвета фона

    PPS То, что называется "монохромный режим", на самом деле не черно-белый, как я ошибочно полагал, а ОДНОцветный. Один цвет фона и один цвет переднего плана, то есть варианты "белые буквы на черном фоне", "голубые буквы на черном фоне", "черные буквы на синем фоне" и т.д.

    PPPS а "Инв.зеленый" у меня отображается как "черные буквы на синем".
    Последний раз редактировалось tnt23; 20.11.2018 в 09:15.

  11. #20

    Регистрация
    28.03.2006
    Адрес
    Санкт-Петербург
    Сообщений
    2,780
    Спасибо Благодарностей отдано 
    568
    Спасибо Благодарностей получено 
    201
    Поблагодарили
    139 сообщений
    Mentioned
    2 Post(s)
    Tagged
    0 Thread(s)

    По умолчанию

    Вход видеосигнала черно-белого ТВ соединяется с выходом VIDEO кабелем, имеющим волновое сопротивление 50...150 Ом. Амплитуда сигнала составляет 3 В (двойной размах) (ее можно уменьшить, установив резистор 50...100 Ом между выходом VIDEO и общим проводом).
    И все-таки что-то не так с формированием видео. Попробую сделать несколько слайдов.

Страница 2 из 22 ПерваяПервая 123456 ... ПоследняяПоследняя

Информация о теме

Пользователи, просматривающие эту тему

Эту тему просматривают: 1 (пользователей: 0 , гостей: 1)

Похожие темы

  1. Реплика КНГМД ПЭВМ "Океан-240"
    от Viktor2312 в разделе Океан-240
    Ответов: 91
    Последнее: 08.12.2025, 21:23
  2. "Океан-240": подключение клавиатуры
    от tnt23 в разделе Океан-240
    Ответов: 74
    Последнее: 03.12.2025, 16:50
  3. Компьютер "Океан-240"
    от Gryphon в разделе Океан-240
    Ответов: 453
    Последнее: 30.11.2025, 12:15
  4. Реплики платы ПЭВМ "Океан-240"
    от perestoronin в разделе Океан-240
    Ответов: 318
    Последнее: 22.09.2025, 21:28
  5. Ответов: 22
    Последнее: 06.12.2018, 11:55

Ваши права

  • Вы не можете создавать новые темы
  • Вы не можете отвечать в темах
  • Вы не можете прикреплять вложения
  • Вы не можете редактировать свои сообщения
  •