Тестовое ПЗУ для ремонта, это все таки стандарт. В том числе и для "шагалки". Правильный набор кода, который помогает, а не усложняет проверку каждого элемента (будь то тестером, осциллографом или светодиодами). Сначала проверяются шины, затем более сложные проверки.
Предлагаю здесь предлагать мысли и идеи в эту сторону, что значительно упростит ремонт и создание новоделов.
Вставлять тест, можно вместо самой первой ПЗУ (из восьми).
С чего же начать разработку? Очевидно, что на схеме регенерации ОЗУ (и вывода на экран) нет специальных микросхем, которые нужно инициализировать и включить.
Следовательно, если этот блок включен постоянно, надо понять как его отключить, чтобы на шинах была тишина.
Верно ли я понимаю, и как это можно сделать?
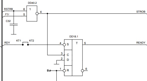
Схема включения шагалки, видимо будет на одной из КТ, предусмотренной производителем. Верно?




wtf
Ответить с цитированием
Размещение рекламы на форуме способствует его дальнейшему развитию 


