Важная информация

User Tag List

Страница 2 из 4 ПерваяПервая 1234 ПоследняяПоследняя
Показано с 11 по 20 из 32

Тема: Подключение В ЦВЕТЕ

  1. #11

    Регистрация
    08.01.2015
    Адрес
    г. Запорожье, Украина
    Сообщений
    134
    Спасибо Благодарностей отдано 
    0
    Спасибо Благодарностей получено 
    6
    Поблагодарили
    4 сообщений
    Mentioned
    0 Post(s)
    Tagged
    0 Thread(s)

    По умолчанию

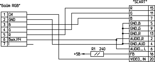
    Ага. Самый простой вариант напаять резисторы. Скажите какого номинала и куда. Одной стороной к +5 а другой на три выхода лн5 Р Г и Б? Только три резистора? Какие шесть?

  2. #12

    Регистрация
    10.06.2015
    Адрес
    г. Запорожье, Украина
    Сообщений
    1,712
    Спасибо Благодарностей отдано 
    80
    Спасибо Благодарностей получено 
    416
    Поблагодарили
    198 сообщений
    Mentioned
    2 Post(s)
    Tagged
    0 Thread(s)

    По умолчанию

    Цитата Сообщение от AndreiZX Посмотреть сообщение
    Ага. Самый простой вариант напаять резисторы. Скажите какого номинала и куда. Одной стороной к +5 а другой на три выхода лн5 Р Г и Б? Только три резистора? Какие шесть?
    10-47к любые на 2, 6, 12, 10, 8 ноки, с нее кроме RGB еще яркосный и звук выходят

    Отправлено с моего m2 note через Tapatalk

    Скрытый текст


    Специалист "УЦА" +SD-Vinxru +PS/2-Vinxru
    PLM-X 128 + AY -эмуль на 8меге
    Profi V3.2 - 768+Color-CP/M+ProfiExtender Solegstar
    Profi V3.2 -1024 Sim30+Color-CP/M+ProfiExtender Solegstar
    Pentagon 1024SL 1.42 - работает не совсем стабильно
    ZXM-Phoenix V06
    ZX-Evolition Rev C2 White FSP-MItX
    Sprinter 2000 v.Zorel
    Karabas128 + ZX-Taper by TrolSoft +DivSD +ScanDoubler
    ZX-UNO v4.1 2М с 4 переключаемыми флешками
    Поиск-1 - ждет ремонта
    Корвет ПК8010 up to 8020
    MisT 1.31
    Galaksija + SMD
    [свернуть]

  3. #13

    Регистрация
    06.04.2013
    Адрес
    г. Могилев, Беларусь
    Сообщений
    254
    Записей в дневнике
    3
    Спасибо Благодарностей отдано 
    110
    Спасибо Благодарностей получено 
    62
    Поблагодарили
    28 сообщений
    Mentioned
    1 Post(s)
    Tagged
    0 Thread(s)

    По умолчанию

    Цитата Сообщение от AndreiZX Посмотреть сообщение
    Добрый день. Перечитал все темы, один пустой треп для гуру. Ну дайте схему начинающему наконец то. С одной стороны разьем корвета, с другой скарт,
    Да ну, прямо все? Рекомендую к чтению весь этот пост и соседние с ним:
    https://zx-pk.ru/threads/27856-orbit...l=1#post919504

    В этом посте есть ссылка на статью, с аналогичной схемой для SCART: http://zxbyte.ru/?id=58
    Нажмите на изображение для увеличения. 

Название:	byte15_06.gif 
Просмотров:	244 
Размер:	9.1 Кб 
ID:	67377
    Для сравнения:
    Цитата Сообщение от tank-uk Посмотреть сообщение
    Лови по этому файлу Korvet_Schematics_20_01_89.djvu
    Вложение 67322
    Только слева пины вместо Байта, сопоставить по названиям с разъемом Корвета по схеме из поста:
    Цитата Сообщение от Serebriakov Посмотреть сообщение
    Вот распиновка цветного и монохромного видеовыходов Корвета:
    Нажмите на изображение для увеличения. 

Название:	Korvet_video.jpg 
Просмотров:	212 
Размер:	47.3 Кб 
ID:	67388
    (Взято отсюда: http://realddp.narod.ru/miscinfo/Korvet/Korvet_TO.djvu, 42 страница)
    Ну и с Интенсивностью (Яркостным сигналом), скорее всего придется повозиться, если нужны градации (в статье есть примеры схем).
    Цитата Сообщение от Serebriakov Посмотреть сообщение
    C интенсивностью:
    Нажмите на изображение для увеличения. 

Название:	PAL-GOOD.jpg 
Просмотров:	196 
Размер:	21.5 Кб 
ID:	67382

    Без интенсивности:
    Нажмите на изображение для увеличения. 

Название:	PAL-BAD-WITHOUT-INTENSITY.jpg 
Просмотров:	173 
Размер:	16.8 Кб 
ID:	67393
    Для тестов пригодится:
    Цитата Сообщение от Serebriakov Посмотреть сообщение
    Так же, вот небольшой тест на BASIC, для настройки монитора: PAL-MONITOR-COLORS-LUT-TEST.zip.
    Вот как он выглядит:
    Нажмите на изображение для увеличения. 

Название:	PAL.PNG 
Просмотров:	177 
Размер:	12.3 Кб 
ID:	67385.
    По нему можно выстроить геометрию монитора, понять все ли в порядке с интенсивностью (не будет видно цифр и оттенков, если не в порядке) и работает ли ЛУТ.
    Для загрузки с магнитофона приложил в архив PAL.WAV. Чтобы загрузить, пишем в BASIC: LOAD"CAS:",R
    Так же может быть проблема с полярностью синхроимпульсов, вот цитата из того же поста на тему:
    Цитата Сообщение от Serebriakov Посмотреть сообщение
    Все верно, если возле ВКУ ЦВ стоит микросхема ЛН5, то лучше поменять ее на ЛН1 (они совместимы по пинам - старую выкусить и припаять новую). Микросхема ЛН5 с открытым коллектором, чтобы получить размах сигнала, нужно будет впаивать резисторы для подтяжки к потенциалу (например, к +5В) для всех сигналов цвета и синхры. Проще просто поменять микросхему с ЛН5 на ЛН1.

    Еще может быть перевернута полярность синхроимпульсов при переходе с четных на нечетные полукадры. Чтобы это исправить, понадобиться перекусить одну из перемычек, которая инвертирует синхроимпульс. На плате Корвета она находится, чуть ниже разъемов с монохромным выходом - там три контакта. На этом фото, под разъёмами где монохром, правее белой ПЗУ-шки (в которой хранится шрифт знакогенератора) есть ЛП5, выше нее стоит та самая перемычка для синхры, которую надо перекусить.
    И еще, как вариант, попробовать:
    Цитата Сообщение от Serebriakov Посмотреть сообщение
    Еще surinm советует использовать для синхры не сигнал HVSYNC - Строчно-кадровый синхроимпульс, а сигнал VIDGR - Смешанный сигнал "Видео" и "Синхро" для монохромного ВКУ
    Цитата Сообщение от surinm Посмотреть сообщение
    Скандаблер не дает изображение, если в качестве синхры ему дать синхру с корвета. А вот со смешанным сигналом - прекрасное изображение.
    Последний раз редактировалось Serebriakov; 21.12.2018 в 14:02.

    Эти 2 пользователя(ей) поблагодарили Serebriakov за это полезное сообщение:

    crackintosh(06.02.2021), Escaper(09.05.2022)

  4. #14

    Регистрация
    08.01.2015
    Адрес
    г. Запорожье, Украина
    Сообщений
    134
    Спасибо Благодарностей отдано 
    0
    Спасибо Благодарностей получено 
    6
    Поблагодарили
    4 сообщений
    Mentioned
    0 Post(s)
    Tagged
    0 Thread(s)

    По умолчанию

    Спасибо всем за участие. В итоге поменял лн5 на лн1 и все начало показывать. Но наверно это ещё не всё, надо прогу с магнитофона загрузить и проверить. Но вообще то цвет есть. Просто вся эта информация разбросана по куче тем в виде отдельных советов, лучше когда все вместе, так проще для начинающих. Ещё раз спасибо всем, дальше пока сам.

  5. #15

    Регистрация
    08.01.2015
    Адрес
    г. Запорожье, Украина
    Сообщений
    134
    Спасибо Благодарностей отдано 
    0
    Спасибо Благодарностей получено 
    6
    Поблагодарили
    4 сообщений
    Mentioned
    0 Post(s)
    Tagged
    0 Thread(s)

    По умолчанию

    Ещё помогите срочно! Уже неделю не могу загрузить тест цвета, вав файл от которого выложен выше. Загрузка просто не идёт, ввожу команду, и ждёт загрузки, но ничего! И громкость менял, и контакты разъема, ничего не помогает. Масса на 2, вход на 4. Сейчас так распаяно, как по схеме и не реагирует. В чем дело?

  6. #16

    Регистрация
    27.11.2014
    Адрес
    г. Саратов
    Сообщений
    563
    Спасибо Благодарностей отдано 
    59
    Спасибо Благодарностей получено 
    42
    Поблагодарили
    32 сообщений
    Mentioned
    0 Post(s)
    Tagged
    0 Thread(s)

    По умолчанию

    Цитата Сообщение от AndreiZX Посмотреть сообщение
    ввожу команду, и ждёт загрузки, но ничего!
    Команду правильно вводите?
    На всякий случай: LOAD "CAS:FILNAM" или просто LOAD "CAS:" для загрузки первого встречного.

    Цитата Сообщение от AndreiZX Посмотреть сообщение
    И громкость менял
    Там амплитуда маленькая. Надо бы сначала в звуковом редакторе увеличить громкость до максимума, а это раз в шесть. И потом при воспроизведении громкость на максимум. Здесь перегрузка не повредит, а наоборот будет на пользу. На чём воспроизводите? Эквалайзер, звуковые эффекты какие не включены? У меня на ноуте была включена какая-то обстановка (пещера, ванная комната и т.п.), из-за этого на Корвете не грузилось.

  7. #16
    С любовью к вам, Yandex.Direct
    Размещение рекламы на форуме способствует его дальнейшему развитию

  8. #17

    Регистрация
    08.01.2015
    Адрес
    г. Запорожье, Украина
    Сообщений
    134
    Спасибо Благодарностей отдано 
    0
    Спасибо Благодарностей получено 
    6
    Поблагодарили
    4 сообщений
    Mentioned
    0 Post(s)
    Tagged
    0 Thread(s)

    По умолчанию

    Со смартфона громкость и на мин ставил и на Макс. Файл не менял, такой как выложили, так и воспроизводил. Ну хоть бы какая реакция, ну бордюр мигал или хоть что-то, но нет, как мертвый. На мсхе помню на Макс громкости уверенно грузился, а тут простейшее действие вводит в ступор.

  9. #18

    Регистрация
    27.11.2014
    Адрес
    г. Саратов
    Сообщений
    563
    Спасибо Благодарностей отдано 
    59
    Спасибо Благодарностей получено 
    42
    Поблагодарили
    32 сообщений
    Mentioned
    0 Post(s)
    Tagged
    0 Thread(s)

    По умолчанию

    Проверил на своём. У меня всё нормально грузится. Уровень - как есть. С ноутбука через Winamp.
    На всякий случай попробуйте нормализованный файл (с максимальным уровнем). Не пойдёт - попробуйте воспроизвести на другом устройстве. Так же, можно проверить на запись: набрать простенькую программу, хоть на одну строчку, и вывести на магнитофон. Будет ли звук на выходе.
    Последний раз редактировалось Arix; 28.12.2018 в 23:39.

  10. #19

    Регистрация
    06.04.2013
    Адрес
    г. Могилев, Беларусь
    Сообщений
    254
    Записей в дневнике
    3
    Спасибо Благодарностей отдано 
    110
    Спасибо Благодарностей получено 
    62
    Поблагодарили
    28 сообщений
    Mentioned
    1 Post(s)
    Tagged
    0 Thread(s)

    По умолчанию

    Попробуйте загрузить на эмуляторе этот wav файл, чтобы понять как Корвет вообще отображает загрузку (звёздочками). Загрузку с магнитафона поддерживает эмулятор b2m (emu):
    Цитата Сообщение от Serebriakov Посмотреть сообщение
    Протестировать загрузку с магнитафона можно в эмуляторе B2M:
    https://yadi.sk/d/KwY0WiZO3XoGN7 - по ссылке сборка, где выброшено все кроме конфига Корвета с эмуляцией магнитафона. В эмуляторе пишете команду загрузки LOAD "CAS:NAME",B,R для бинарников (например, TETRIS.wav) или LOAD "CAS:NAME",A,R для ASCII-файлов (например, mozhno.wav), потом ENTER и жмете на значок Play "->", чтобы выбрать WAVE для загрузки. Я приложил пару тестовых файлов в папке TEST_WAV. Чтобы ввести двоеточие в b2m нужно нажать клавишу "+" слева от backspace (неочевидно, пришлось поискать )
    Про синтаксис команд загрузки можно почитать здесь : https://zx-pk.ru/threads/15147-korve...l=1#post967499
    Утилита для конвертирования из basic в wave и обратно живёт здесь: https://zx-pk.ru/threads/29539-utili...l=1#post979354

    Потом, как вариант, прозвонить разъём аудио, нет ли обрыва по пути к плате, а заодно и распайку проверить. Если что у Корвета своя распайка, нестанлартная, читайте djvu файлик Тех Описания - выше давал на него ссылку.
    Последний раз редактировалось Serebriakov; 30.12.2018 в 01:34.

  11. #20

    Регистрация
    27.11.2014
    Адрес
    г. Саратов
    Сообщений
    563
    Спасибо Благодарностей отдано 
    59
    Спасибо Благодарностей получено 
    42
    Поблагодарили
    32 сообщений
    Mentioned
    0 Post(s)
    Tagged
    0 Thread(s)

    По умолчанию

    Подключил Корвет к телевизору "Сокол". Использовал адаптер для Суры ПК8000. Изображение негативное.
    Нажмите на изображение для увеличения. 

Название:	IMG_20200428_225930.jpg 
Просмотров:	144 
Размер:	36.3 Кб 
ID:	72436
    Эта же картинка на ч/б мониторе:
    Нажмите на изображение для увеличения. 

Название:	IMG_20200428_225940.jpg 
Просмотров:	144 
Размер:	35.3 Кб 
ID:	72437
    В Корвете стоит ЛН5. Резисторы я не ставил, но в адаптере на входе стоит К155ЛН1, по идее, она должна подтягивать сигналы к логической единице. Теперь непонятно, требуется ли для Корвета инверсия, как для Суры, или нет? Или негатив из-за ЛН5?

    Я думаю, что менять ЛН5 на ЛН1 - слишком опрометчиво. Телевизору не сплохеет? Ведь на входы телевизора пойдёт сигнал амплитудой 5 В. У Спектрума выход "зарезистирован", а тут всё напрямую. Значит, ЛН5 с открытым коллектором стоит не просто так. В модуле цветности МЦ-31 между входами RGB и землёй стоят резисторы 75 Ом. Если подавать 5 В, потечет ток 66 мА. То есть, если поставить ЛН1, пойдут десятки мА с каждого выхода. Тут как бы этой ЛН1 не сплохело...
    Последний раз редактировалось Arix; 30.04.2020 в 22:26.

Страница 2 из 4 ПерваяПервая 1234 ПоследняяПоследняя

Информация о теме

Пользователи, просматривающие эту тему

Эту тему просматривают: 1 (пользователей: 0 , гостей: 1)

Похожие темы

  1. Renegade III в цвете
    от michellekg в разделе Игры
    Ответов: 101
    Последнее: 17.07.2018, 19:46
  2. DoubleDragon III в цвете?
    от ZX_NOVOSIB в разделе Игры
    Ответов: 10
    Последнее: 13.04.2015, 20:05
  3. SwitchBlade в доп.цвете
    от goodboy в разделе Игры
    Ответов: 10
    Последнее: 12.04.2015, 23:44
  4. Mr.Heli в цвете
    от Rindex в разделе Игры
    Ответов: 9
    Последнее: 16.04.2014, 00:47
  5. Pac-Land в цвете
    от abelenki в разделе Игры
    Ответов: 37
    Последнее: 16.02.2014, 14:43

Ваши права

  • Вы не можете создавать новые темы
  • Вы не можете отвечать в темах
  • Вы не можете прикреплять вложения
  • Вы не можете редактировать свои сообщения
  •