Для компьютера к примеру -Поиск- захотелось использовать БП от обычного домашнего компа. У меня есть -
GP-ATX12V REV:2.03
350X P4 350W
Так вот по пока невыясненным причинам -Поиск- работает от 4,9-5,0 вольт. А БП выдает 5,13 Вольт.
Ребята подскажите как сделать в БП незначительную регулировку напряжения, к примеру от 4,85 до 5,2 вольт.
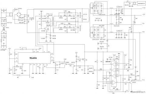
И может кто имеет схему данного БП.
Спасибо.


Ответить с цитированием
Размещение рекламы на форуме способствует его дальнейшему развитию 


