User Tag List

Страница 6 из 8 ПерваяПервая ... 2345678 ПоследняяПоследняя
Показано с 51 по 60 из 72

Тема: Сборка платы ZX Max 128 от Павла

  1. #51

    Регистрация
    13.07.2007
    Адрес
    Москва
    Сообщений
    598
    Спасибо Благодарностей отдано 
    17
    Спасибо Благодарностей получено 
    39
    Поблагодарили
    18 сообщений
    Mentioned
    0 Post(s)
    Tagged
    0 Thread(s)

    По умолчанию

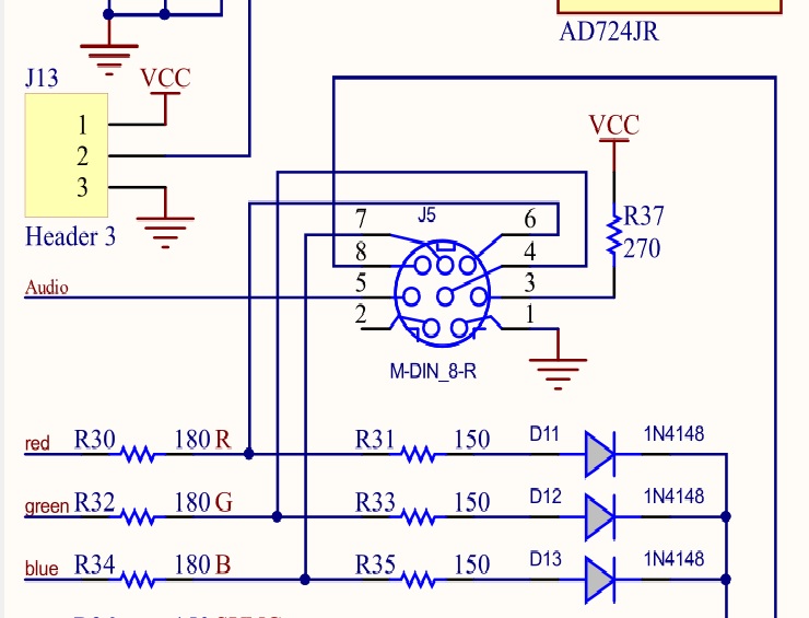
    Цитата Сообщение от nimdasys_inbox_ru Посмотреть сообщение
    Поделитесь пожалуйста распиновкой S-Video...
    Нажмите на изображение для увеличения. 

Название:	svid.jpg 
Просмотров:	165 
Размер:	96.8 Кб 
ID:	74356
    Ленинград-48+AY, Ленинград-2+AY, SPECCY2007-128+TR-DOS+AY+VGA, SPECCY2010, Спектр Б-ИК 48, ZX Evolution, ZXM-Phoenix V.3.....

    Этот пользователь поблагодарил Andrey F за это полезное сообщение:

    nimdasys_inbox_ru(29.12.2020)

  2. #52

    Регистрация
    17.05.2008
    Адрес
    Москва
    Сообщений
    504
    Спасибо Благодарностей отдано 
    14
    Спасибо Благодарностей получено 
    106
    Поблагодарили
    61 сообщений
    Mentioned
    0 Post(s)
    Tagged
    0 Thread(s)

    По умолчанию

    Распиновка такая же, как в Карабасе и Арлекине.

    Этот пользователь поблагодарил Freiwind за это полезное сообщение:

    nimdasys_inbox_ru(29.12.2020)

  3. #53

    Регистрация
    28.02.2005
    Адрес
    Москва
    Сообщений
    2,249
    Спасибо Благодарностей отдано 
    999
    Спасибо Благодарностей получено 
    627
    Поблагодарили
    338 сообщений
    Mentioned
    3 Post(s)
    Tagged
    0 Thread(s)

    По умолчанию

    Коллеги, собрал ZX Max 128. Питаю от +9V плюс на центре. Перемычка J9 замкнута как 1-3, 2-4. Проблема с тем, что адски греется L7805ACV, уже через пять минут работы пальцем горячо прикасаться. Померил, 94 градуса!!!
    Нагреваются рядом стоящие кондеры. Что посоветуете?
    Все остальное вроде работает, комп стартует и работает, альтера холодная. Новая Дизя 8 работает, музыка норм.


    А еще поделитесь, пожалуйста, правильной прошивкой под w27c512. Пока зашил два раза ромку от Just Speccy, но из меню почему-то не переходит в Basic 48. Нужно делать usr 0 чтобы перейти.

    Процессор стоит пластиковый Toshiba TMPZ84C00AP-6, в тесте z80full 9 ощибок - стандартные две на SCF, CCF и вот эти:
    Последний раз редактировалось SoftLight; 21.02.2021 в 14:58.

  4. #54

    Регистрация
    08.11.2015
    Адрес
    г. Луховицы, Московская обл.
    Сообщений
    838
    Спасибо Благодарностей отдано 
    59
    Спасибо Благодарностей получено 
    136
    Поблагодарили
    116 сообщений
    Mentioned
    0 Post(s)
    Tagged
    0 Thread(s)

    По умолчанию

    Цитата Сообщение от SoftLight Посмотреть сообщение
    Проблема с тем, что адски греется L7805ACV
    Уменьшить входное напряжение. Кстати, сколько подается на вход?

  5. #55

    Регистрация
    28.02.2005
    Адрес
    Москва
    Сообщений
    2,249
    Спасибо Благодарностей отдано 
    999
    Спасибо Благодарностей получено 
    627
    Поблагодарили
    338 сообщений
    Mentioned
    3 Post(s)
    Tagged
    0 Thread(s)

    По умолчанию

    Цитата Сообщение от r3d Посмотреть сообщение
    Уменьшить входное напряжение. Кстати, сколько подается на вход?
    Цитата Сообщение от SoftLight Посмотреть сообщение
    Коллеги, собрал ZX Max 128. Питаю от +9V плюс на центре. Перемычка J9 замкнута как 1-3, 2-4.
    Куда его уменьшать если на разъеме 9 вольт должно быть для периферии.

  6. #56

    Регистрация
    08.11.2015
    Адрес
    г. Луховицы, Московская обл.
    Сообщений
    838
    Спасибо Благодарностей отдано 
    59
    Спасибо Благодарностей получено 
    136
    Поблагодарили
    116 сообщений
    Mentioned
    0 Post(s)
    Tagged
    0 Thread(s)

  7. #57

    Регистрация
    28.02.2005
    Адрес
    Москва
    Сообщений
    2,249
    Спасибо Благодарностей отдано 
    999
    Спасибо Благодарностей получено 
    627
    Поблагодарили
    338 сообщений
    Mentioned
    3 Post(s)
    Tagged
    0 Thread(s)

    По умолчанию

    Цитата Сообщение от r3d Посмотреть сообщение
    Хорошая идея! Но попробую сначала куплю понижающий модуль у китайцев.

    А вот что делать со сбросом в basic 48k я так и не разобрался. Прошил ром от Карабаса 128 и тоже самое - есть меню 128k, выбираю 'Basic 48' вместо сброса мусор на экране и фигвамы рисует. Может в каком-то другом порядке надо страницы пзу зашивать? Или я J10 выставляю не верно?

    upd. а это похоже из-за того, что флешка слишком быстрая w27c512-45. Вот это требование конечно просто капец:
    'Use low speed EPROM (U2) 27C256 of 150ns or 200ns, EEPROM 28C256 of 150ns can be used.'
    Последний раз редактировалось SoftLight; 22.02.2021 в 00:55.

  8. #58

    Регистрация
    08.11.2015
    Адрес
    г. Луховицы, Московская обл.
    Сообщений
    838
    Спасибо Благодарностей отдано 
    59
    Спасибо Благодарностей получено 
    136
    Поблагодарили
    116 сообщений
    Mentioned
    0 Post(s)
    Tagged
    0 Thread(s)

    По умолчанию

    SoftLight, https://www.chipdip.ru/product/amsro1-7805-nz
    Чуть дешевле, но не хуже.

    Этот пользователь поблагодарил r3d за это полезное сообщение:

    SoftLight(21.02.2021)

  9. #59

    Регистрация
    10.02.2015
    Адрес
    г. Екатеринбург
    Сообщений
    801
    Спасибо Благодарностей отдано 
    54
    Спасибо Благодарностей получено 
    34
    Поблагодарили
    29 сообщений
    Mentioned
    0 Post(s)
    Tagged
    0 Thread(s)

    По умолчанию

    Еще лучше https://www.chipdip.ru/product/oki-78sr-5-1.5-w36-c, но вот только цена выросла, я за 200 с чем то покупал.

    Моё железо

    ZX Spectrum 48K issue 2/3/4A/4B/4S/6A
    ZX Spectrum +2
    ZX Spectrum +3
    Harlequin 48K
    Harlequin 128K
    Karabas-128
    [свернуть]

    Этот пользователь поблагодарил NiKa за это полезное сообщение:

    SoftLight(21.02.2021)

  10. #60

    Регистрация
    28.02.2005
    Адрес
    Москва
    Сообщений
    2,249
    Спасибо Благодарностей отдано 
    999
    Спасибо Благодарностей получено 
    627
    Поблагодарили
    338 сообщений
    Mentioned
    3 Post(s)
    Tagged
    0 Thread(s)

    По умолчанию

    Я смотрю не я один испытываю такие трудности

    Скрытый текст



    [свернуть]

    По идее плата ZX Max 48 потребляет 0,25A, сам по себе регулятор исправен, не понимаю с чего такой нагрев. Вообще, если я правильно понимаю, по схеме 9 вольт идет только на zxbus и разъем J14. Стало быть, если внешним платам не нужно 9 вольт (а я даже и не знаю такие, которым нужно), то может и правда питать плату тупо от 5 вольт чтобы так сильно не диссипировала разница напряжений на корпусе l7805?

    Vdrop x Iload (9-5) x 0.25 A = 4 x 0.25 = 1 Ватт. Каждый Ватт по даташиту диссипирует в 50 градусов Цельсия. У меня около 100 градусов, видимо, плата потребляет больше 500 мА.
    Последний раз редактировалось SoftLight; 21.02.2021 в 18:06.

Страница 6 из 8 ПерваяПервая ... 2345678 ПоследняяПоследняя

Информация о теме

Пользователи, просматривающие эту тему

Эту тему просматривают: 1 (пользователей: 0 , гостей: 1)

Похожие темы

  1. Ответов: 104
    Последнее: 16.10.2025, 06:34
  2. Ответов: 903
    Последнее: 06.05.2024, 09:05
  3. Ответов: 307
    Последнее: 07.02.2019, 14:08
  4. Ответов: 169
    Последнее: 06.11.2018, 16:36
  5. продам gravis ultrasound max ( gus max)
    от OlegK в разделе Барахолка (архив)
    Ответов: 0
    Последнее: 18.01.2011, 16:35

Ваши права

  • Вы не можете создавать новые темы
  • Вы не можете отвечать в темах
  • Вы не можете прикреплять вложения
  • Вы не можете редактировать свои сообщения
  •