User Tag List

Страница 3 из 4 ПерваяПервая 1234 ПоследняяПоследняя
Показано с 21 по 30 из 39

Тема: SMUC2 печатная плата.

  1. #21

    Регистрация
    20.03.2007
    Адрес
    Санкт-Петербург
    Сообщений
    3,000
    Спасибо Благодарностей отдано 
    201
    Спасибо Благодарностей получено 
    113
    Поблагодарили
    97 сообщений
    Mentioned
    0 Post(s)
    Tagged
    0 Thread(s)

    По умолчанию

    Цитата Сообщение от PVG Посмотреть сообщение
    схема SMUKа на дискретах, если есть то поделись.
    Тут если поискать есть соответствующая тема. А так - вот.
    МГТФ - любимый провод!
    KAY-1024(4096)/SL-4/TURBO v2010 + Nemo-FDC + Nemo-IDE (CF 4GB) + SMUC2 Rev.B RTC (HDD 1.6GB + DVD-ROM) + PROF-ROM + ZXMC2 + GENERAL SOUND 2MB + ZX-BUS_TEE + FDD 3.5' + FDD 5.25' + VGA&PAL

  2. #22

    Регистрация
    30.08.2010
    Адрес
    Санкт-Петербург
    Сообщений
    1,263
    Спасибо Благодарностей отдано 
    53
    Спасибо Благодарностей получено 
    200
    Поблагодарили
    163 сообщений
    Mentioned
    2 Post(s)
    Tagged
    0 Thread(s)

    По умолчанию

    Цитата Сообщение от PVG Посмотреть сообщение
    у тебя есть схема SMUKа на дискретах...
    Уже опередили, выложили... Вот ссылка на топик по этой схеме https://zx-pk.ru/threads/1360-smuc-n...kh-i-plis.html
    Но имей в виду, невзирая на многочисленные редакции в схеме всё ещё есть незначительные ошибки...

  3. #23

    Регистрация
    28.11.2010
    Адрес
    Краснодар
    Сообщений
    183
    Спасибо Благодарностей отдано 
    24
    Спасибо Благодарностей получено 
    29
    Поблагодарили
    14 сообщений
    Mentioned
    0 Post(s)
    Tagged
    0 Thread(s)

    По умолчанию

    Спасибо, я эти топики читал но не ожидал схему найти в WORD файле.

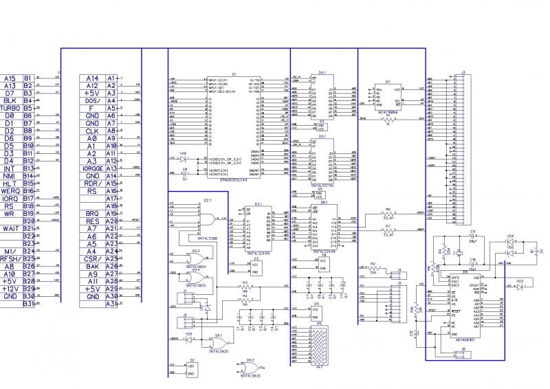
    Кому интересно, выложил схему и плату с двух сторон, а также 3D макет платы.
    Есть люди кому не лень проверить плату на наличие ошибок, проверьте пожалуйста, а то глаза уже разбегаются «два глаза хорошо, а больше лучше».
    Миниатюры Миниатюры Нажмите на изображение для увеличения. 

Название:	3D-плата.jpg 
Просмотров:	166 
Размер:	25.5 Кб 
ID:	67699   Нажмите на изображение для увеличения. 

Название:	Печатка1.jpg 
Просмотров:	158 
Размер:	92.1 Кб 
ID:	67700   Нажмите на изображение для увеличения. 

Название:	Печатка2.jpg 
Просмотров:	146 
Размер:	78.6 Кб 
ID:	67701   Нажмите на изображение для увеличения. 

Название:	Схема.jpg 
Просмотров:	158 
Размер:	76.0 Кб 
ID:	67702  
    Последний раз редактировалось PVG; 17.01.2019 в 17:02.

  4. #24

    Регистрация
    30.08.2010
    Адрес
    Санкт-Петербург
    Сообщений
    1,263
    Спасибо Благодарностей отдано 
    53
    Спасибо Благодарностей получено 
    200
    Поблагодарили
    163 сообщений
    Mentioned
    2 Post(s)
    Tagged
    0 Thread(s)

    По умолчанию

    Цитата Сообщение от PVG Посмотреть сообщение
    Есть люди кому не лень проверить плату на наличие ошибок, проверьте пожалуйста...
    Нихрена не видно в схеме при таком разрешении...
    P.S. Разъём выполнен под SL-62, по идее должен быть под ОНп-КС-23m...
    При таком подключении кварца часы будут идти нестабильно...
    Последний раз редактировалось krotan; 19.01.2019 в 15:27.

  5. #25

    Регистрация
    28.11.2010
    Адрес
    Краснодар
    Сообщений
    183
    Спасибо Благодарностей отдано 
    24
    Спасибо Благодарностей получено 
    29
    Поблагодарили
    14 сообщений
    Mentioned
    0 Post(s)
    Tagged
    0 Thread(s)

    По умолчанию

    Цитата Сообщение от krotan Посмотреть сообщение
    Нихрена не видно в схеме при таком разрешении...
    P.S. Разъём выполнен под SL-62, по идее должен быть под ОНп-КС-23m...
    При таком подключении кварца часы будут идти нестабильно...
    Разъем я сделал SL-62 т.к. у меня впаян ISA разъем, насчет кварца почему будет нестабильно работать? Длинные дорожки сделал?
    Схема в принципе SMUC2 rev.b + дочка, но в понедельник заменю на более качественную.

  6. #26

    Регистрация
    30.08.2010
    Адрес
    Санкт-Петербург
    Сообщений
    1,263
    Спасибо Благодарностей отдано 
    53
    Спасибо Благодарностей получено 
    200
    Поблагодарили
    163 сообщений
    Mentioned
    2 Post(s)
    Tagged
    0 Thread(s)

    По умолчанию

    Цитата Сообщение от PVG Посмотреть сообщение
    почему будет нестабильно работать?
    http://zxbyte.ru/index.php?id=89&sub=m&print=1

  7. #27

    Регистрация
    28.11.2010
    Адрес
    Краснодар
    Сообщений
    183
    Спасибо Благодарностей отдано 
    24
    Спасибо Благодарностей получено 
    29
    Поблагодарили
    14 сообщений
    Mentioned
    0 Post(s)
    Tagged
    0 Thread(s)

    По умолчанию

    Я эту статью читал, и данную схему 286 видел ещё в 90х. Микруха такая есть и даже вроде не одна, насчёт PG тоже думал хотел завести на 61 контакт на ISA слоте, все равно 61 и 62 свободные.

    Вот схема с изменением схема.pdf, Плата1.pdf, Плата2.pdf

    Люди, кому нибудь требуется данная плата?
    Я хочу заказать около 4 шт. или больше.
    4 платы стоит 3546.58р.
    Последний раз редактировалось PVG; 22.01.2019 в 14:34.

  8. #28

    Регистрация
    06.02.2009
    Адрес
    Кемерово
    Сообщений
    1,409
    Спасибо Благодарностей отдано 
    72
    Спасибо Благодарностей получено 
    227
    Поблагодарили
    161 сообщений
    Mentioned
    3 Post(s)
    Tagged
    0 Thread(s)

    По умолчанию

    Схема оригинального смука https://zx-pk.ru/threads/25-skorpion...ull=1#post1541
    ПК8010 "Корвет"+ExtRom+AY, Atari 65XE+SDrive, Дельта-С(52ИС)+AY, Scorpion ZS 1024+SMUC

  9. #29

    Регистрация
    30.08.2010
    Адрес
    Санкт-Петербург
    Сообщений
    1,263
    Спасибо Благодарностей отдано 
    53
    Спасибо Благодарностей получено 
    200
    Поблагодарили
    163 сообщений
    Mentioned
    2 Post(s)
    Tagged
    0 Thread(s)

    По умолчанию

    Цитата Сообщение от PVG Посмотреть сообщение
    4 платы стоит 3546.58р.
    Дорого. Я по немного большей цене заказывал платы зелёного скорпа, у которых размер много больше и они гораздо сложнее...
    Советую выбрать другого производителя...

  10. #30

    Регистрация
    28.11.2010
    Адрес
    Краснодар
    Сообщений
    183
    Спасибо Благодарностей отдано 
    24
    Спасибо Благодарностей получено 
    29
    Поблагодарили
    14 сообщений
    Mentioned
    0 Post(s)
    Tagged
    0 Thread(s)

    По умолчанию

    А ссылку дашь или наименование конторы.

Страница 3 из 4 ПерваяПервая 1234 ПоследняяПоследняя

Информация о теме

Пользователи, просматривающие эту тему

Эту тему просматривают: 1 (пользователей: 0 , гостей: 1)

Похожие темы

  1. ЮТ-88: Печатная плата "Всё в одном"
    от Stampmaker в разделе ЮТ-88
    Ответов: 126
    Последнее: 13.08.2024, 09:29
  2. Печатная плата SMK-512
    от Woland в разделе БК-0010/0011
    Ответов: 8
    Последнее: 11.06.2021, 11:11
  3. Нужен SMUC2 и Проф ПЗУ
    от DATAsoft в разделе Барахолка (архив)
    Ответов: 4
    Последнее: 26.11.2009, 14:44
  4. Куплю чистую плату SMUC2+ПрофПЗУ
    от luzanov в разделе Барахолка (архив)
    Ответов: 2
    Последнее: 11.11.2009, 16:05

Ваши права

  • Вы не можете создавать новые темы
  • Вы не можете отвечать в темах
  • Вы не можете прикреплять вложения
  • Вы не можете редактировать свои сообщения
  •