Предлагается обсудить конструкцию пин-то-пин совместимую с М1801ВМ2Б-7 мгц на переразогнанном Н1806ВМ2 с персональным БП на +6в.
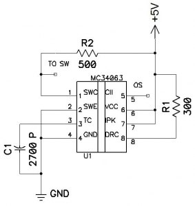
( ШИМ на конденсаторном мосте с подстройкой напряжения ).
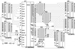
МПИ буферизирована на ЭКФ1564АП6 и некотрых др. малогабариных ИС.
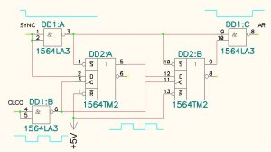
Производится нормализация сигнала AR согласно ТО ( логика сигнала малость отлична от М1801ВМ2 ).
Основное назначение - МС1201.02 и УКНЦ.
Нижняя ДПП - БП
Верхняя 4СПП - камень и буфера.
Камень установлен по центру крышкой вниз - для установки сверху пассивного теплотовода от П-1.
Может, конечно, он и до 8 мгц разгонится - но это надо эксперементировать.
Ожидаемая рассеиваемая мощность - 1 ватт при +40 градусах камня.




Ответить с цитированием
Размещение рекламы на форуме способствует его дальнейшему развитию 

