User Tag List

Показано с 1 по 3 из 3

Тема: Buttonpad для "Денди"

Древовидный режим

Предыдущее сообщение Предыдущее сообщение   Следующее сообщение Следующее сообщение
  1. #1

    Регистрация
    02.01.2007
    Адрес
    Волгоград, Россия
    Сообщений
    1,454
    Спасибо Благодарностей отдано 
    194
    Спасибо Благодарностей получено 
    161
    Поблагодарили
    99 сообщений
    Mentioned
    5 Post(s)
    Tagged
    0 Thread(s)

    По умолчанию Buttonpad для "Денди"

    Всем привет.

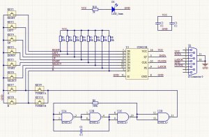
    Так как я не люблю джойпады, сделал для "Денди", как его назвал, ButtonPad с кнопками Gateron. Управление поменял местами, получилось что-то типа клавиатуры, курсор - справа, остальное - слева, "старт" и "выбор" остались в центре. К сожалению, при проектировании я не учёл расположения коннектора относительно верхней части, расстояние получилось очень небольшое и ответная часть с кабелем в корпусе просто не вставляется. Проблема решилась использованием переходника-удлинителя, купленного на "Алиэкспрессе". Правда, нужно ещё чуть подточить корпус, так как, всё же, он немного отгибается, но это уже мелочи. Плата односторонняя, с перемычками, изготавливалась на бюджетном станке CNC3018, дорожки резались фрезой, кажется, 0,2мм - за давностью уже подзабыл. Отверстия под контакты кнопок сверлились сверлом 0,9мм, отверстия под перемычки - вроде бы, 0,5мм, остальные отверстия и фрезеровка по периметру - "кукурузой" 1мм.
    Возможно, кто-нибудь захочет повторить - с сообщением файлы проекта и фотографии. Впрочем, всё настолько просто, что можно разработать и самому.

    Гербер: dendy_joy_gerber.zip
    3D-модель для печати: dendy_joy_stl.zip

    Картинки:

    Скрытый текст











    [свернуть]
    Последний раз редактировалось AlexBel; 26.07.2025 в 14:54.

    Эти 3 пользователя(ей) поблагодарили AlexBel за это полезное сообщение:

    and1981(28.07.2025), CityAceE(26.07.2025), Froggy(26.07.2025)

  2. #1
    С любовью к вам, Yandex.Direct
    Размещение рекламы на форуме способствует его дальнейшему развитию

Информация о теме

Пользователи, просматривающие эту тему

Эту тему просматривают: 1 (пользователей: 0 , гостей: 1)

Похожие темы

  1. SUBOR SB225-B "клавиатурная Денди".
    от falanger в разделе Nintendo
    Ответов: 26
    Последнее: 16.05.2024, 10:23
  2. Ответов: 14
    Последнее: 08.09.2023, 15:34
  3. Ответов: 51
    Последнее: 11.08.2014, 10:40
  4. Subor SB225 "классический Денди".
    от falanger в разделе Nintendo
    Ответов: 4
    Последнее: 10.02.2010, 17:35

Ваши права

  • Вы не можете создавать новые темы
  • Вы не можете отвечать в темах
  • Вы не можете прикреплять вложения
  • Вы не можете редактировать свои сообщения
  •