Не так давно наткнулся в сети на красивую фотографию некого девайса в акриловом прозрачном корпусе с двуцветным индикатором. Оказалось, что это TZXDuino - цифровой магнитофон для воспроизведения файлов формата TZX и TAP для ZX-Spectrum.
Кроме этого, этот магнитофон воспроизводит файлы TSX, CAS для платформы MSX.
Т.к. сборка MSX у меня в планах, то было принято решение собрать TZXDuino.
Прозрачный акриловый корпус очень удачно вписывается в мою концепцию прозрачной ретро-техники (уже есть Пентагон и Скорпион 256 в прозрачных корпусах, кроме этого недавно сделал 9.7" монитор тоже в прозрачном оформлении).
На плате установлен отдельный разъем для управления магнитофоном. Скорее всего - это функция ПУСК-СТОП. На Спектруме не используется, наверно, это фишки MSX или Амстрада.
Этот магнитофон - не совсем магнитофон. Он только воспроизводит файлы, функции записи у него нет. Впрочем, мне это не нужно.
TZXDuino собран на базе модуля Arduino NANO. Кроме самого модуля используется минимальное количество элементов: ОЛЕД-дисплей (128х64 или 128х32), картридер для microSD карты, пять кнопок, две микросхемы, разъем для наушников и несколько резисторов/конденсаторов.
Есть две версии прошивки. Первая - официальная https://github.com/arananet/TzxDuino-Reloaded
Вторая - MaxDuino альтернативная прошивка, в которой больше настроек и всяких "бантиков".
https://github.com/rcmolina/MaxDuino
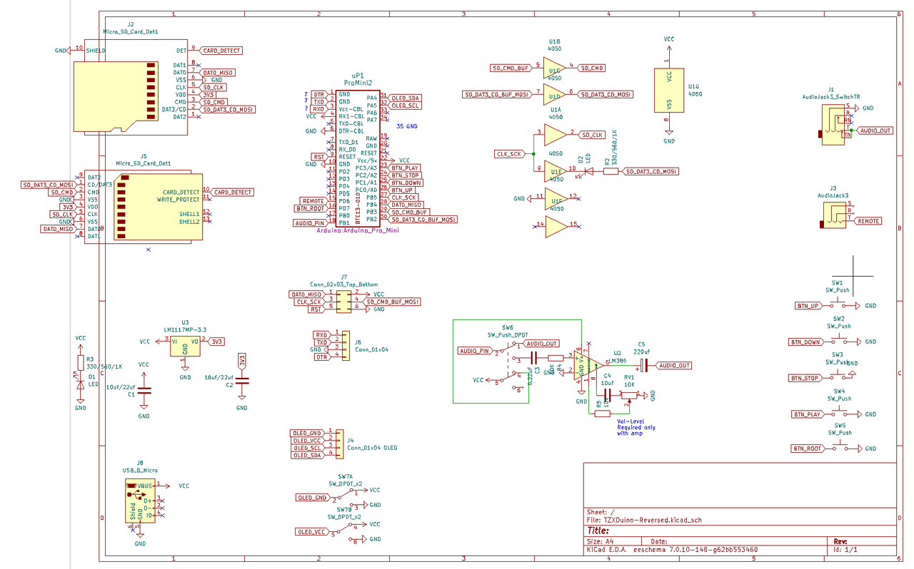
Принципиальной схемы я не нашел. Есть только реверс от старой версии, которую собирали на Arduino ProMini.
На первый взгляд плата кажется неудачной. Однако, по задумке авторов плата не должна лежать горизонтально. Рабочее положение девайса - кнопками вверх. СД-карта будет снизу, а кабель питания и аудио-кабель расположены на правой стенке корпуса.
Готового конструктора я не нашел, пришлось собирать его самостоятельно.
Плату заказал на Elecrow. Они пока еще работают с РБ. Прислали достаточно быстро - примерно через три недели.
Дополнительно закупил:
- панельки для установки модуля Ардуино Нано
- светодиоды 0805 красного и зеленого цветов
- дисплей ОЛЕД 128х64 двухцветный (желто-синий)
- ридер SD-карты
- кнопки
Разъем аудио у меня уже был от других проектов. Микросхемы мне подарил товарищ из своего архива.
Жду еще ОЛЕД -экран и картридер. После чего можно начинать сборку.
Забыл написать. В схему включен усилитель. Будет полезен, если устройство требует повышенный уровень сигнала. При необходимости, усилитель можно отключать и подавать сигнал напрямую с выхода Ардуино НАНО. Выключатель есть на фото - планарный на два положения.
Ссылка на статью по TZXDuino https://theretrohacker.com/2022/03/0...uino-reloaded/





Ответить с цитированием
Размещение рекламы на форуме способствует его дальнейшему развитию 












wtf
