User Tag List

Страница 18 из 21 ПерваяПервая ... 1415161718192021 ПоследняяПоследняя
Показано с 171 по 180 из 209

Тема: Эмулятор контроллера дисковода beta disk на AVR

  1. #171

    Регистрация
    30.12.2018
    Адрес
    г. Москва
    Сообщений
    1,375
    Спасибо Благодарностей отдано 
    11
    Спасибо Благодарностей получено 
    384
    Поблагодарили
    346 сообщений
    Mentioned
    1 Post(s)
    Tagged
    0 Thread(s)

    По умолчанию

    Цитата Сообщение от gdv2002 Посмотреть сообщение
    Наверное по моей схеме /EDOS?
    да, он, ошибся.

    Зверинецъ

    Специалист (был когда-то "совсем стандарт") - 1988-2023
    Ленинград1 +256К +AY+BDI+VGA выход +Ethernet (Speccyboot) +Xmodem (115200)+divmmc
    Ленинград2 + CF карта
    Платформа 8085+Z80+CPLD (Специалист МХ2 +SD +FDD +PS/2kbd)
    БК0010-01 стоковый
    [свернуть]

  2. #172

    Регистрация
    20.01.2020
    Адрес
    г. Калуга
    Сообщений
    146
    Спасибо Благодарностей отдано 
    6
    Спасибо Благодарностей получено 
    19
    Поблагодарили
    16 сообщений
    Mentioned
    0 Post(s)
    Tagged
    0 Thread(s)

    По умолчанию

    Цитата Сообщение от Serg6845 Посмотреть сообщение
    ногу ЛА2 оторвать
    На 3 ленине у меня вроде как и без этого работает. Правда уже малехо подзабыл с ремонтом. Пора вспоминать что я там навертел....

  3. #173

    Регистрация
    17.07.2013
    Адрес
    г. Курган
    Сообщений
    2,035
    Записей в дневнике
    2
    Спасибо Благодарностей отдано 
    123
    Спасибо Благодарностей получено 
    171
    Поблагодарили
    121 сообщений
    Mentioned
    1 Post(s)
    Tagged
    0 Thread(s)

    По умолчанию

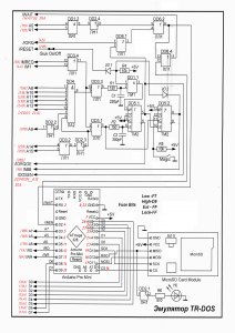
    Вот схема эмулятора для НЭТИевского варианта



    На Ардуинке пометил номера ног, при использовании Атмеги в ДИП-корпусе.

    Необходимые доработки внес в схему и плату Ленинграл-256 НЭТИ.
    https://zx-pk.ru/threads/33168-leningrad-256-neti.html
    Последний раз редактировалось gdv2002; 29.04.2021 в 14:18.
    С уважением, Дмитрий.
    Karabas-Go
    Pentagon-128 вер.2023+Turbo Sound+ZXM-GeneralSound
    ZXM-Phoenix 2048+Turbo Sound+ZXM-GeneralSound+ZXM-SoundCard Lite
    ZXM-Phoenix в Телеграмм

  4. #174

    Регистрация
    30.12.2018
    Адрес
    г. Москва
    Сообщений
    1,375
    Спасибо Благодарностей отдано 
    11
    Спасибо Благодарностей получено 
    384
    Поблагодарили
    346 сообщений
    Mentioned
    1 Post(s)
    Tagged
    0 Thread(s)

    По умолчанию

    Цитата Сообщение от nemo Посмотреть сообщение
    На 3 ленине у меня вроде как и без этого работает. Правда уже малехо подзабыл с ремонтом. Пора вспоминать что я там навертел....
    на 48к это не нужно. на 128к - я этот кусок схемы взял со 128 пентагона.

    Зверинецъ

    Специалист (был когда-то "совсем стандарт") - 1988-2023
    Ленинград1 +256К +AY+BDI+VGA выход +Ethernet (Speccyboot) +Xmodem (115200)+divmmc
    Ленинград2 + CF карта
    Платформа 8085+Z80+CPLD (Специалист МХ2 +SD +FDD +PS/2kbd)
    БК0010-01 стоковый
    [свернуть]

  5. #175

    Регистрация
    20.01.2020
    Адрес
    г. Калуга
    Сообщений
    146
    Спасибо Благодарностей отдано 
    6
    Спасибо Благодарностей получено 
    19
    Поблагодарили
    16 сообщений
    Mentioned
    0 Post(s)
    Tagged
    0 Thread(s)

    По умолчанию

    Цитата Сообщение от Serg6845 Посмотреть сообщение
    на 48к это не нужно.
    У меня память расширена до 256.

  6. #176

    Регистрация
    20.01.2020
    Адрес
    г. Калуга
    Сообщений
    146
    Спасибо Благодарностей отдано 
    6
    Спасибо Благодарностей получено 
    19
    Поблагодарили
    16 сообщений
    Mentioned
    0 Post(s)
    Tagged
    0 Thread(s)

    По умолчанию

    Цитата Сообщение от valerium Посмотреть сообщение
    сейчас проблем нет со списком
    А можно указать "пароли и явки" где что и на что изменено?

    Цитата Сообщение от valerium Посмотреть сообщение
    Использованный там petitfs не умеет дописывать существующий файл
    Т.е. создаем файл, набиваем с десяток другой пустых строк с верху пишем что нам надо и в этом случае глюк наблюдаться не должен?

  7. #177

    Регистрация
    03.05.2020
    Адрес
    г. Челябинск
    Сообщений
    796
    Записей в дневнике
    3
    Спасибо Благодарностей отдано 
    260
    Спасибо Благодарностей получено 
    274
    Поблагодарили
    145 сообщений
    Mentioned
    1 Post(s)
    Tagged
    0 Thread(s)

    По умолчанию

    Цитата Сообщение от nemo Посмотреть сообщение
    А можно указать "пароли и явки" где что и на что изменено?
    Функция WD1793_UpdateConfig() в файле wd1793.c
    Помню уже смутно, но вроде ее целиком можно просто взять из версии 2.
    Исходную версию не правил, правил уже только перепиленную под 644
    Т.е. создаем файл, набиваем с десяток другой пустых строк с верху пишем что нам надо и в этом случае глюк наблюдаться не должен?
    Набиваем _в_конце_ побольше пустых строк. Чтоб в случае, если все упомянутые в конфиге имена образов разом стали длинее, то им бы хватило места в этом файле.
    Библа petitfs при записи в файл не умеет увеличивать его длину. То есть если файл исходно был 50 байт длиной, то хоть сколько в него выполняй дозапись, он все обрежет на эти 50 байт.
    Последний раз редактировалось valerium; 01.05.2021 в 09:43. Причина: оговорился )

  8. #178

    Регистрация
    20.01.2020
    Адрес
    г. Калуга
    Сообщений
    146
    Спасибо Благодарностей отдано 
    6
    Спасибо Благодарностей получено 
    19
    Поблагодарили
    16 сообщений
    Mentioned
    0 Post(s)
    Tagged
    0 Thread(s)

    По умолчанию

    Цитата Сообщение от valerium Посмотреть сообщение
    взять из версии 2
    Это версия какая? Вроде от автора под arduino только рабочая и не проверенная под arduino ide.

    Цитата Сообщение от valerium Посмотреть сообщение
    правил уже только перепиленную под 644
    не думаю что она в этой части сильно перепилена. Вероятно функцию можно из исходика взять без изменений или с минимальными изменениями.

  9. #179

    Регистрация
    03.05.2020
    Адрес
    г. Челябинск
    Сообщений
    796
    Записей в дневнике
    3
    Спасибо Благодарностей отдано 
    260
    Спасибо Благодарностей получено 
    274
    Поблагодарили
    145 сообщений
    Mentioned
    1 Post(s)
    Tagged
    0 Thread(s)

    По умолчанию

    Цитата Сообщение от nemo Посмотреть сообщение
    Это версия какая? Вроде от автора под arduino только рабочая и не проверенная под arduino ide.
    вот эта
    исходники на гитхабе

  10. #180

    Регистрация
    20.01.2020
    Адрес
    г. Калуга
    Сообщений
    146
    Спасибо Благодарностей отдано 
    6
    Спасибо Благодарностей получено 
    19
    Поблагодарили
    16 сообщений
    Mentioned
    0 Post(s)
    Tagged
    0 Thread(s)

    По умолчанию

    Цитата Сообщение от valerium Посмотреть сообщение
    А работает ?
    Нет. Автор видно поправил, сейчас компилится без предупреждений однако после входа в trdos любая команда вводит спек в ступор без каких либо сообщений и промпта с курсором. На экране только заставка trdos.

Страница 18 из 21 ПерваяПервая ... 1415161718192021 ПоследняяПоследняя

Информация о теме

Пользователи, просматривающие эту тему

Эту тему просматривают: 1 (пользователей: 0 , гостей: 1)

Похожие темы

  1. Оригинальный ZX и beta-disk
    от megabyte в разделе Внешние накопители
    Ответов: 3
    Последнее: 11.09.2012, 02:31
  2. Куплю Beta Disk Interface.
    от Biozoom в разделе Барахолка (архив)
    Ответов: 9
    Последнее: 26.10.2011, 14:14
  3. Опознайте Beta disk interface...
    от crolicasm в разделе Внешние накопители
    Ответов: 4
    Последнее: 04.08.2011, 13:39
  4. Плата Beta Disk на опознание.
    от m.d. в разделе Внешние накопители
    Ответов: 15
    Последнее: 22.01.2010, 19:56
  5. Beta Disk контроллер!
    от poison в разделе Внешние накопители
    Ответов: 17
    Последнее: 02.05.2006, 14:12

Ваши права

  • Вы не можете создавать новые темы
  • Вы не можете отвечать в темах
  • Вы не можете прикреплять вложения
  • Вы не можете редактировать свои сообщения
  •