Важная информация

User Tag List

Страница 15 из 21 ПерваяПервая ... 111213141516171819 ... ПоследняяПоследняя
Показано с 141 по 150 из 209

Тема: Эмулятор контроллера дисковода beta disk на AVR

  1. #141

    Регистрация
    08.02.2021
    Адрес
    с. Токаево
    Сообщений
    123
    Спасибо Благодарностей отдано 
    48
    Спасибо Благодарностей получено 
    3
    Поблагодарили
    3 сообщений
    Mentioned
    0 Post(s)
    Tagged
    0 Thread(s)

    По умолчанию

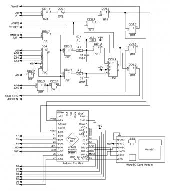
    Кто собирал по этой схеме скиньте пожалуйста фото монтажа.
    Нажмите на изображение для увеличения. 

Название:	Эмулятор диковода на Ардуино.jpg 
Просмотров:	350 
Размер:	22.8 Кб 
ID:	75231

    - - - Добавлено - - -

    Цитата Сообщение от valerium Посмотреть сообщение
    Не перепрошить, а добавить. Если исходно есть только один банк на 16к для бейсика-48, то надо ПЗУ на 32к (27256), куда прошить два банка для бейсика и ТРДОСа. Триггер ТРДОСа переключает их по старшей адресной линии.
    Напаять сверху еще один прошитый бэйсиком и ТРДОС, вывод выбора МС куда соединить?

  2. #142

    Регистрация
    28.06.2020
    Адрес
    г. Краснодар
    Сообщений
    74
    Спасибо Благодарностей отдано 
    12
    Спасибо Благодарностей получено 
    39
    Поблагодарили
    35 сообщений
    Mentioned
    1 Post(s)
    Tagged
    0 Thread(s)

    По умолчанию

    Я собирал но в конце концов немного изменил. Паял просто на картонке так что на монтаж смотреть бесполезно.
    Элементы R3 C3 можно не ставить это только для моего случая.
    Вложения Вложения

    Этот пользователь поблагодарил П321 за это полезное сообщение:

    IREK(15.04.2021)

  3. #143

    Регистрация
    20.01.2010
    Адрес
    г. Зеленоград
    Сообщений
    600
    Спасибо Благодарностей отдано 
    28
    Спасибо Благодарностей получено 
    231
    Поблагодарили
    123 сообщений
    Mentioned
    1 Post(s)
    Tagged
    0 Thread(s)

    По умолчанию

    Цитата Сообщение от valerium Посмотреть сообщение
    Ворнинги вообще не критичные, преобразование uint8_t * к char * (корректно совершенно) и в основном в дебаговых сообщениях. Они и в атмел студио почти в том же составе отображаются.
    Откуда там uint8_t? Строковые константы имеют тип const char *, вот он и должен быть у аргументов функций print()/printError(). Компилятор ругается на передачу строковых констант в функцию, которая не обещает сохранять константность аргументов.

  4. #144

    Регистрация
    03.05.2020
    Адрес
    г. Челябинск
    Сообщений
    796
    Записей в дневнике
    3
    Спасибо Благодарностей отдано 
    263
    Спасибо Благодарностей получено 
    274
    Поблагодарили
    145 сообщений
    Mentioned
    1 Post(s)
    Tagged
    0 Thread(s)

    По умолчанию

    Цитата Сообщение от IREK Посмотреть сообщение
    Напаять сверху еще один прошитый бэйсиком и ТРДОС, вывод выбора МС куда соединить?
    Если напаять бейсик+трдос, то старую микросхему надо как-то отключить (/cs или /oe в единицу), а в новой выбирать банк по ноге A14 (выв 27 - при активном /DOSEN должен выбираться банк с трдосом, т е трдос лучше шить в нижнюю половину адресов.
    А если напаять сверху только 16к с трдосом, то надо будет еще схему выборки соорудить. Обычно у наших спеков или /oe или /cs всегда в активном уровне (на земле), вот по этой ноге и можно будет выбирать. На одну подавая /DOSEN, на другую его же инвертированный.
    Но проще с единым ПЗУ.

    Этот пользователь поблагодарил valerium за это полезное сообщение:

    IREK(15.04.2021)

  5. #145

    Регистрация
    08.02.2021
    Адрес
    с. Токаево
    Сообщений
    123
    Спасибо Благодарностей отдано 
    48
    Спасибо Благодарностей получено 
    3
    Поблагодарили
    3 сообщений
    Mentioned
    0 Post(s)
    Tagged
    0 Thread(s)

    По умолчанию

    Значит сигнал /DOSEN нужен для переключения Basic48/TR-DOS. Зачем нужен /OUTIORQ?

  6. #146

    Регистрация
    27.02.2005
    Адрес
    москва
    Сообщений
    14,338
    Записей в дневнике
    1
    Спасибо Благодарностей отдано 
    205
    Спасибо Благодарностей получено 
    1,497
    Поблагодарили
    974 сообщений
    Mentioned
    18 Post(s)
    Tagged
    0 Thread(s)

    По умолчанию

    изучай теорию https://vtrd.in/book/BDI.ZIP

    Этот пользователь поблагодарил goodboy за это полезное сообщение:

    USERHOME(16.04.2021)

  7. #147

    Регистрация
    03.05.2020
    Адрес
    г. Челябинск
    Сообщений
    796
    Записей в дневнике
    3
    Спасибо Благодарностей отдано 
    263
    Спасибо Благодарностей получено 
    274
    Поблагодарили
    145 сообщений
    Mentioned
    1 Post(s)
    Tagged
    0 Thread(s)

    По умолчанию

    Цитата Сообщение от IREK Посмотреть сообщение
    Значит сигнал /DOSEN нужен для переключения Basic48/TR-DOS. Зачем нужен /OUTIORQ?
    Контроллер флопа "врезается" в линию /IORQ от процессора между процессором и другими устройствами ввода-вывода для того, чтобы во время работы контроллера запрещать их работу. А /OUTIORQ - это "отфильтрованный" контроллером сигнал "/IORQ", который равен процессорному /IORQ при неактивном контроллере и единице при активном.

    Этот пользователь поблагодарил valerium за это полезное сообщение:

    IREK(15.04.2021)

  8. #148

    Регистрация
    20.01.2020
    Адрес
    г. Калуга
    Сообщений
    146
    Спасибо Благодарностей отдано 
    6
    Спасибо Благодарностей получено 
    19
    Поблагодарили
    16 сообщений
    Mentioned
    0 Post(s)
    Tagged
    0 Thread(s)

    По умолчанию

    Цитата Сообщение от П321 Посмотреть сообщение
    Элементы R3 C3 можно не ставить это только для моего случая.
    А на что они влияют?

  9. #149

    Регистрация
    28.06.2020
    Адрес
    г. Краснодар
    Сообщений
    74
    Спасибо Благодарностей отдано 
    12
    Спасибо Благодарностей получено 
    39
    Поблагодарили
    35 сообщений
    Mentioned
    1 Post(s)
    Tagged
    0 Thread(s)

    По умолчанию

    Это для нормальной записи в режиме пентагона.

  10. #150

    Регистрация
    03.05.2020
    Адрес
    г. Челябинск
    Сообщений
    796
    Записей в дневнике
    3
    Спасибо Благодарностей отдано 
    263
    Спасибо Благодарностей получено 
    274
    Поблагодарили
    145 сообщений
    Mentioned
    1 Post(s)
    Tagged
    0 Thread(s)

    По умолчанию

    Цитата Сообщение от П321 Посмотреть сообщение
    Это для нормальной записи в режиме пентагона.
    Кстати, а как выглядит "ненормальная запись" ?
    Эти элементы есть в схеме пентагона для формирования какой-то задержки, я их тоже оттуда копировал, но потом убирал и разницы не обнаруживал. И в CPLD-версии их нет - и не требуются (на ленине с времянками пентагона)

Страница 15 из 21 ПерваяПервая ... 111213141516171819 ... ПоследняяПоследняя

Информация о теме

Пользователи, просматривающие эту тему

Эту тему просматривают: 1 (пользователей: 0 , гостей: 1)

Похожие темы

  1. Оригинальный ZX и beta-disk
    от megabyte в разделе Внешние накопители
    Ответов: 3
    Последнее: 11.09.2012, 02:31
  2. Куплю Beta Disk Interface.
    от Biozoom в разделе Барахолка (архив)
    Ответов: 9
    Последнее: 26.10.2011, 14:14
  3. Опознайте Beta disk interface...
    от crolicasm в разделе Внешние накопители
    Ответов: 4
    Последнее: 04.08.2011, 13:39
  4. Плата Beta Disk на опознание.
    от m.d. в разделе Внешние накопители
    Ответов: 15
    Последнее: 22.01.2010, 19:56
  5. Beta Disk контроллер!
    от poison в разделе Внешние накопители
    Ответов: 17
    Последнее: 02.05.2006, 14:12

Ваши права

  • Вы не можете создавать новые темы
  • Вы не можете отвечать в темах
  • Вы не можете прикреплять вложения
  • Вы не можете редактировать свои сообщения
  •