User Tag List

Страница 6 из 16 ПерваяПервая ... 2345678910 ... ПоследняяПоследняя
Показано с 51 по 60 из 161

Тема: Z80 на Корвет

Комбинированный просмотр

Предыдущее сообщение Предыдущее сообщение   Следующее сообщение Следующее сообщение
  1. #1

    Регистрация
    30.05.2017
    Адрес
    г. Алматы, Казахстан
    Сообщений
    908
    Спасибо Благодарностей отдано 
    63
    Спасибо Благодарностей получено 
    275
    Поблагодарили
    148 сообщений
    Mentioned
    0 Post(s)
    Tagged
    0 Thread(s)

    По умолчанию

    Цитата Сообщение от gdv2002 Посмотреть сообщение
    Цепочки 5МГц и F1T отличаются.
    Да, я об этом сообщал в предыдущих сообщениях.
    Цитата Сообщение от gdv2002 Посмотреть сообщение
    Через часок закончу и выложу предварительный вариант под проверку.
    Так выше уже есть финальный вариант. Там все цепочки, как надо... Или вы по Госту хотите ?

  2. #1
    С любовью к вам, Yandex.Direct
    Размещение рекламы на форуме способствует его дальнейшему развитию

  3. #2

    Регистрация
    17.07.2013
    Адрес
    г. Курган
    Сообщений
    2,035
    Записей в дневнике
    2
    Спасибо Благодарностей отдано 
    124
    Спасибо Благодарностей получено 
    172
    Поблагодарили
    122 сообщений
    Mentioned
    1 Post(s)
    Tagged
    0 Thread(s)

    По умолчанию

    Цитата Сообщение от Sancho45 Посмотреть сообщение
    Или вы по Госту хотите ?
    Можно и так сказать. Я библиотеки отрисовывая по ГОСТу.
    Собственно вот:
    С уважением, Дмитрий.
    Karabas-Go
    Pentagon-128 вер.2023+Turbo Sound+ZXM-GeneralSound
    ZXM-Phoenix 2048+Turbo Sound+ZXM-GeneralSound+ZXM-SoundCard Lite
    ZXM-Phoenix в Телеграмм

    Эти 2 пользователя(ей) поблагодарили gdv2002 за это полезное сообщение:

    Elias(02.03.2021), Sancho45(02.03.2021)

  4. #3

    Регистрация
    30.05.2017
    Адрес
    г. Алматы, Казахстан
    Сообщений
    908
    Спасибо Благодарностей отдано 
    63
    Спасибо Благодарностей получено 
    275
    Поблагодарили
    148 сообщений
    Mentioned
    0 Post(s)
    Tagged
    0 Thread(s)

    По умолчанию

    На первый взгляд всё в порядке. Инвертор в цепи F1T/ я заменил с ла3 на ле1, тк ле1 1531 серии для уменьшения задержки клока. Но в варианте 2.5 МГц 1531ЛЕ1 можно полностью исключить, заменив этот инвертор на элемент с ЛА3 и соединив выход ЛА3 F1T c входом CLK Z80. Платку надо делать однозначно на системный разьем, гораздо легче будет устанавливать. Я и все так склоняюсь, к тому что бы сделать посадочные места на платке для AY или дальнейших расширений

    - - - Добавлено - - -

    Шаг разьема буржуйский под IDC иголки, они отлично входят в системный разъем

  5. #4

    Регистрация
    17.07.2013
    Адрес
    г. Курган
    Сообщений
    2,035
    Записей в дневнике
    2
    Спасибо Благодарностей отдано 
    124
    Спасибо Благодарностей получено 
    172
    Поблагодарили
    122 сообщений
    Mentioned
    1 Post(s)
    Tagged
    0 Thread(s)

    По умолчанию

    Цитата Сообщение от Sancho45 Посмотреть сообщение
    Платку надо делать однозначно на системный разьем
    Под него и рисовал

    Цитата Сообщение от Sancho45 Посмотреть сообщение
    Я и все так склоняюсь, к тому что бы сделать посадочные места на платке для AY или дальнейших расширений
    Ну не знаю, по сути расширений нет как и готовой схемы, а нагородить можно чего угодно. Думаю сначала сделать небольшую платку сугубо Z80 - надо "завлечь" народ. :-)
    А вот продублировать системный разъём наверное стоит.

    Цитата Сообщение от Sancho45 Посмотреть сообщение
    Шаг разьема буржуйский под IDC иголки
    да, под них нарисовано, хотя на мою форманту у меня есть ответки "штатные", но и штырьки хорошо подходят, я примерял.

    Если со схемой всё нормуль, займусь дальше, блокировочных кондеров добавить, настроить классы сетей и начну трассировать, как время выдадется, вот была пара часов - схемку отрисовал.
    С уважением, Дмитрий.
    Karabas-Go
    Pentagon-128 вер.2023+Turbo Sound+ZXM-GeneralSound
    ZXM-Phoenix 2048+Turbo Sound+ZXM-GeneralSound+ZXM-SoundCard Lite
    ZXM-Phoenix в Телеграмм

  6. #5

    Регистрация
    17.07.2013
    Адрес
    г. Курган
    Сообщений
    2,035
    Записей в дневнике
    2
    Спасибо Благодарностей отдано 
    124
    Спасибо Благодарностей получено 
    172
    Поблагодарили
    122 сообщений
    Mentioned
    1 Post(s)
    Tagged
    0 Thread(s)

    По умолчанию

    Такой вопрос, плату готовить чтобы детали "смотрели" вниз или вверх?
    Вот тут старый ускоритель я так понял деталями вниз

    https://zx-pk.ru/threads/30601-z80-n...=1#post1025274

    И еще вопрос по дополнительному разъему, разводить его в ряд, как PLD6 или оставить пятаки под пайку там, где удобнее для трассировки?
    Последний раз редактировалось gdv2002; 05.03.2021 в 11:57.
    С уважением, Дмитрий.
    Karabas-Go
    Pentagon-128 вер.2023+Turbo Sound+ZXM-GeneralSound
    ZXM-Phoenix 2048+Turbo Sound+ZXM-GeneralSound+ZXM-SoundCard Lite
    ZXM-Phoenix в Телеграмм

  7. #6

    Регистрация
    30.05.2017
    Адрес
    г. Алматы, Казахстан
    Сообщений
    908
    Спасибо Благодарностей отдано 
    63
    Спасибо Благодарностей получено 
    275
    Поблагодарили
    148 сообщений
    Mentioned
    0 Post(s)
    Tagged
    0 Thread(s)

    По умолчанию

    Деталями вниз думаю.
    Пятаки и в ряд. Мне не принципиально,но думаю удобнее будет искать где какой, если они в одном месте и в ряд.
    Нужно еще некоторые изменения в основной плате сделать.
    Например d71 8.45 на 8 листе в одном варианте к 2.5МГц подключен, в другом к CAS/, надо к CAS/

    - - - Добавлено - - -

    Иначе при установке z80 клок 2.5 МГц не попадает в окно записи атрибутов цвета
    Последний раз редактировалось Sancho45; 03.03.2021 в 14:10.

  8. #7

    Регистрация
    17.07.2013
    Адрес
    г. Курган
    Сообщений
    2,035
    Записей в дневнике
    2
    Спасибо Благодарностей отдано 
    124
    Спасибо Благодарностей получено 
    172
    Поблагодарили
    122 сообщений
    Mentioned
    1 Post(s)
    Tagged
    0 Thread(s)

    По умолчанию

    Цитата Сообщение от Sancho45 Посмотреть сообщение
    Деталями вниз думаю
    Я подумал что проц так сильнее греться будет.

    Цитата Сообщение от Sancho45 Посмотреть сообщение
    Нужно еще некоторые изменения в основной плате сделать.
    Это нужно будет отдельное описание сделать, а потом всё вместе к примеру в ПДФ сделать.
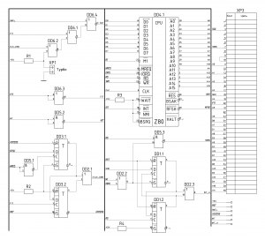
    Миниатюры Миниатюры Нажмите на изображение для увеличения. 

Название:	Z80_v1.jpg 
Просмотров:	111 
Размер:	50.9 Кб 
ID:	74839  
    Последний раз редактировалось gdv2002; 05.03.2021 в 11:57.
    С уважением, Дмитрий.
    Karabas-Go
    Pentagon-128 вер.2023+Turbo Sound+ZXM-GeneralSound
    ZXM-Phoenix 2048+Turbo Sound+ZXM-GeneralSound+ZXM-SoundCard Lite
    ZXM-Phoenix в Телеграмм

  9. #8

    Регистрация
    17.07.2013
    Адрес
    г. Курган
    Сообщений
    2,035
    Записей в дневнике
    2
    Спасибо Благодарностей отдано 
    124
    Спасибо Благодарностей получено 
    172
    Поблагодарили
    122 сообщений
    Mentioned
    1 Post(s)
    Tagged
    0 Thread(s)

    По умолчанию

    Цитата Сообщение от Sancho45 Посмотреть сообщение
    Нужно еще некоторые изменения в основной плате сделать.
    Например d71 8.45 на 8 листе в одном варианте к 2.5МГц подключен, в другом к CAS/, надо к CAS/
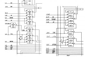
    Есть такое дело, и заморочек это принесёт еще не мало, но всем по разному! Вот сводный кусок схемы двух разновидностей Корвета.



    Как видим подключение различается. Но и этого мало, я проследил по файлу платы и сканам распаянной платы Корвета. Так вот по нумерации деталей она совпадает со схемой Sancho45, а подключение сразу к CAS/ как на второй схеме, т.е. без элемента исключающее ИЛИ!
    Всё надо будет по месту смотреть и сравнивать.
    Последний раз редактировалось gdv2002; 04.03.2021 в 07:48.
    С уважением, Дмитрий.
    Karabas-Go
    Pentagon-128 вер.2023+Turbo Sound+ZXM-GeneralSound
    ZXM-Phoenix 2048+Turbo Sound+ZXM-GeneralSound+ZXM-SoundCard Lite
    ZXM-Phoenix в Телеграмм

  10. #9

    Регистрация
    30.05.2017
    Адрес
    г. Алматы, Казахстан
    Сообщений
    908
    Спасибо Благодарностей отдано 
    63
    Спасибо Благодарностей получено 
    275
    Поблагодарили
    148 сообщений
    Mentioned
    0 Post(s)
    Tagged
    0 Thread(s)

    По умолчанию

    Z80 не греется особо. Надо что бы плата входила между разъемом и пзу

  11. #10

    Регистрация
    17.07.2013
    Адрес
    г. Курган
    Сообщений
    2,035
    Записей в дневнике
    2
    Спасибо Благодарностей отдано 
    124
    Спасибо Благодарностей получено 
    172
    Поблагодарили
    122 сообщений
    Mentioned
    1 Post(s)
    Tagged
    0 Thread(s)

    По умолчанию

    ПЗУ мешать не будет, там места для 6 деталек вагон!
    С уважением, Дмитрий.
    Karabas-Go
    Pentagon-128 вер.2023+Turbo Sound+ZXM-GeneralSound
    ZXM-Phoenix 2048+Turbo Sound+ZXM-GeneralSound+ZXM-SoundCard Lite
    ZXM-Phoenix в Телеграмм

Страница 6 из 16 ПерваяПервая ... 2345678910 ... ПоследняяПоследняя

Информация о теме

Пользователи, просматривающие эту тему

Эту тему просматривают: 1 (пользователей: 0 , гостей: 1)

Похожие темы

  1. Корвет на ПЛИС ?
    от SaintTurnip в разделе Корвет
    Ответов: 118
    Последнее: 24.12.2021, 20:00
  2. Корвет: Игры
    от pshelepu в разделе Игры
    Ответов: 6
    Последнее: 13.03.2011, 00:58
  3. Корвет: Публикации
    от AlecV в разделе Корвет
    Ответов: 13
    Последнее: 31.05.2010, 22:31
  4. Корвет.
    от Mick в разделе Барахолка (архив)
    Ответов: 8
    Последнее: 19.09.2007, 19:58
  5. Куплю Пк Корвет
    от DATAsoft в разделе Барахолка (архив)
    Ответов: 3
    Последнее: 09.03.2006, 11:16

Ваши права

  • Вы не можете создавать новые темы
  • Вы не можете отвечать в темах
  • Вы не можете прикреплять вложения
  • Вы не можете редактировать свои сообщения
  •