Важная информация

User Tag List

Страница 9 из 17 ПерваяПервая ... 5678910111213 ... ПоследняяПоследняя
Показано с 81 по 90 из 161

Тема: Z80 на Корвет

  1. #81

    Регистрация
    17.07.2013
    Адрес
    г. Курган
    Сообщений
    2,035
    Записей в дневнике
    2
    Спасибо Благодарностей отдано 
    124
    Спасибо Благодарностей получено 
    172
    Поблагодарили
    122 сообщений
    Mentioned
    1 Post(s)
    Tagged
    0 Thread(s)

    По умолчанию

    Ну вот, подготовил платку деталями вниз, вымерял по разводке платы Корвета, проц сверху "ложиться" в старое место ВМ80 головой вниз.
    Сигналы на разъёме:
    X3.02 - +5V
    X3.04 - RST/
    X3.06 - INT_A
    X3.08 - INT
    X3.14 - ACCESS/
    X3.16 - 5МГц
    С уважением, Дмитрий.
    Karabas-Go
    Pentagon-128 вер.2023+Turbo Sound+ZXM-GeneralSound
    ZXM-Phoenix 2048+Turbo Sound+ZXM-GeneralSound+ZXM-SoundCard Lite
    ZXM-Phoenix в Телеграмм

  2. #82

    Регистрация
    30.05.2017
    Адрес
    г. Алматы, Казахстан
    Сообщений
    908
    Спасибо Благодарностей отдано 
    63
    Спасибо Благодарностей получено 
    275
    Поблагодарили
    148 сообщений
    Mentioned
    0 Post(s)
    Tagged
    0 Thread(s)

    По умолчанию

    Супер.
    Но чем вызван такой порядок новых сигналов на системный разъём? Предыдущие мои сообщения исходили из рациональности перемычек на системной плате, а так же безопасностью, если вдруг кто будет использовать иголки вместо готового IDC ide и , к примеру, промахнется и воткнёт на один пин левее или правее, там +5в на разъеме, что бы не коротнуло.

    - - - Добавлено - - -
    в вашем варианте +5v с одной стороны в некуда, с другой на вход сигнала rst/
    Последний раз редактировалось Sancho45; 04.03.2021 в 15:10.

  3. #83

    Регистрация
    17.07.2013
    Адрес
    г. Курган
    Сообщений
    2,035
    Записей в дневнике
    2
    Спасибо Благодарностей отдано 
    124
    Спасибо Благодарностей получено 
    172
    Поблагодарили
    122 сообщений
    Mentioned
    1 Post(s)
    Tagged
    0 Thread(s)

    По умолчанию

    Цитата Сообщение от Sancho45 Посмотреть сообщение
    Но чем вызван такой порядок новых сигналов на системный разъём?
    Трассировкой на платке, иначе их расположить можно, но разводить очень геморойно!


    Цитата Сообщение от Sancho45 Посмотреть сообщение
    в вашем варианте +5v с одной стороеы в некуда, с другой на выход сигнала rst/
    не понял?

    Как-то так

    С уважением, Дмитрий.
    Karabas-Go
    Pentagon-128 вер.2023+Turbo Sound+ZXM-GeneralSound
    ZXM-Phoenix 2048+Turbo Sound+ZXM-GeneralSound+ZXM-SoundCard Lite
    ZXM-Phoenix в Телеграмм

  4. #84

    Регистрация
    30.05.2017
    Адрес
    г. Алматы, Казахстан
    Сообщений
    908
    Спасибо Благодарностей отдано 
    63
    Спасибо Благодарностей получено 
    275
    Поблагодарили
    148 сообщений
    Mentioned
    0 Post(s)
    Tagged
    0 Thread(s)

    По умолчанию

    В смысле, когда одни иголки, можно промахнуться и воткнуть левее на один пин или правее, надо так, что бы +5в ни на что не коротнуло...

  5. #85

    Регистрация
    17.07.2013
    Адрес
    г. Курган
    Сообщений
    2,035
    Записей в дневнике
    2
    Спасибо Благодарностей отдано 
    124
    Спасибо Благодарностей получено 
    172
    Поблагодарили
    122 сообщений
    Mentioned
    1 Post(s)
    Tagged
    0 Thread(s)

    По умолчанию

    Sancho45, тогда только искать ответку под свой разъём на Корвете, либо брать 40-ка ногий разъем (IDE) с "юбкой" и подгонять её под Корветовский. Тогда тоже ни куда не сдвинется.
    С уважением, Дмитрий.
    Karabas-Go
    Pentagon-128 вер.2023+Turbo Sound+ZXM-GeneralSound
    ZXM-Phoenix 2048+Turbo Sound+ZXM-GeneralSound+ZXM-SoundCard Lite
    ZXM-Phoenix в Телеграмм

  6. #86

    Регистрация
    17.07.2013
    Адрес
    г. Курган
    Сообщений
    2,035
    Записей в дневнике
    2
    Спасибо Благодарностей отдано 
    124
    Спасибо Благодарностей получено 
    172
    Поблагодарили
    122 сообщений
    Mentioned
    1 Post(s)
    Tagged
    0 Thread(s)

    По умолчанию

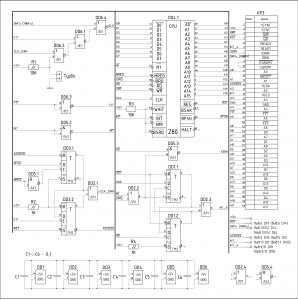
    Надеюсь финал. После автотрассировки "оптимизировал" ручками почти треть дорожек.
    Платка проходит все проверки, и на нормы и на логику и на соответствие схеме.
    Дополнительные сигналы как на площадках, так и на системном разъёме.



    Свёл в коллажик фотовид платы, 3D модельку с разъёмом и фотка моего разъёма, как видно с таким разъёмом шаг контактов совершенно не важен

    Ниже финальная схема



    Предыдущие сообщения подчищу, чтобы неразберихи не было.

    Единственная просьба к Sancho45, распечатать платку, наклеить на картонку, повтыкать проц с микрами и разъём и прикинуть по месту всё-ли нормально влазит.
    Обидно будет, если после изготовления плат окажется что, что-то, где-то не влазит!
    Последний раз редактировалось gdv2002; 05.03.2021 в 14:22.
    С уважением, Дмитрий.
    Karabas-Go
    Pentagon-128 вер.2023+Turbo Sound+ZXM-GeneralSound
    ZXM-Phoenix 2048+Turbo Sound+ZXM-GeneralSound+ZXM-SoundCard Lite
    ZXM-Phoenix в Телеграмм

    Этот пользователь поблагодарил gdv2002 за это полезное сообщение:

    Sancho45(05.03.2021)

  7. #87

    Регистрация
    30.05.2017
    Адрес
    г. Алматы, Казахстан
    Сообщений
    908
    Спасибо Благодарностей отдано 
    63
    Спасибо Благодарностей получено 
    275
    Поблагодарили
    148 сообщений
    Mentioned
    0 Post(s)
    Tagged
    0 Thread(s)

    По умолчанию

    Выглядит все здорово. Единственное мне покоя не даёт 16 контакт разъема, там 5(10)MHz. Эта линия подтянута к земле через резюк в 12к. Не повлияет ли это на сам сигнал 5(10) мгц !? Думаю INT туда бы лучше подошел. Ну да ладно, дома буду, подключу через этот пин и проверю.
    Последний раз редактировалось Sancho45; 07.03.2021 в 12:02.

  8. #88

    Регистрация
    17.07.2013
    Адрес
    г. Курган
    Сообщений
    2,035
    Записей в дневнике
    2
    Спасибо Благодарностей отдано 
    124
    Спасибо Благодарностей получено 
    172
    Поблагодарили
    122 сообщений
    Mentioned
    1 Post(s)
    Tagged
    0 Thread(s)

    По умолчанию

    Цитата Сообщение от Sancho45 Посмотреть сообщение
    Единственное мне покоя не даёт 16 контакт разъема
    Поправил как надо, 16 пин - INT, 8 пин - 5МГц

    Картинки выше обновил
    Последний раз редактировалось gdv2002; 05.03.2021 в 14:24.
    С уважением, Дмитрий.
    Karabas-Go
    Pentagon-128 вер.2023+Turbo Sound+ZXM-GeneralSound
    ZXM-Phoenix 2048+Turbo Sound+ZXM-GeneralSound+ZXM-SoundCard Lite
    ZXM-Phoenix в Телеграмм

    Этот пользователь поблагодарил gdv2002 за это полезное сообщение:

    Sancho45(05.03.2021)

  9. #89

    Регистрация
    30.05.2017
    Адрес
    г. Алматы, Казахстан
    Сообщений
    908
    Спасибо Благодарностей отдано 
    63
    Спасибо Благодарностей получено 
    275
    Поблагодарили
    148 сообщений
    Mentioned
    0 Post(s)
    Tagged
    0 Thread(s)

    По умолчанию

    Цитата Сообщение от gdv2002 Посмотреть сообщение
    Единственная просьба к Sancho45, распечатать платку, наклеить на картонку, повтыкать проц с микрами и разъём и прикинуть по месту всё-ли нормально влазит.
    проверил, всё отлично.

    так же выяснялось, что при подключении 10 МГц плата более требовательна к питанию +5в, те при заниженном питании 4.6в через раз стартует, а на 5МГц все норм. Разъем питания дает просадку. Ну это так,мысли вслух...
    И между сигналами Access/ и RAS/ зазор 40нс, ну вроде 555кп12 успевает переключить адреса для РУшек перед RAS/.


    Примерил IDC коннектор на 40пин (IDEшный), им можно промахнуться на один пин влево или вправо.
    По нашей распиновке можно только RST/ насадить на 5в, не знаю критично ли это будет. Или надо отдельно проводом +5в на платку или оставить как есть и надеяться на аккуратность ))

  10. #90

    Регистрация
    17.07.2013
    Адрес
    г. Курган
    Сообщений
    2,035
    Записей в дневнике
    2
    Спасибо Благодарностей отдано 
    124
    Спасибо Благодарностей получено 
    172
    Поблагодарили
    122 сообщений
    Mentioned
    1 Post(s)
    Tagged
    0 Thread(s)

    По умолчанию

    Здорово, что все влезло! Теперь перенесу шелк на нижний слой, плата ведь будет головой вниз, и будем искать, кто платки закажет. Я посмотрю сколько это в Китае стоить будет, заказать десяток, может и сам потяну.

    Или надо отдельно проводом +5в на платку или оставить как есть и надеяться на аккуратность
    Или найти с десяток (по кол-ву плат) ответок оригинальных разъемов.
    Но думаю лучше оставить как есть.
    Можно выдернуть первый пин, а на Корвете его заглушить.
    Последний раз редактировалось gdv2002; 07.03.2021 в 13:16.
    С уважением, Дмитрий.
    Karabas-Go
    Pentagon-128 вер.2023+Turbo Sound+ZXM-GeneralSound
    ZXM-Phoenix 2048+Turbo Sound+ZXM-GeneralSound+ZXM-SoundCard Lite
    ZXM-Phoenix в Телеграмм

Страница 9 из 17 ПерваяПервая ... 5678910111213 ... ПоследняяПоследняя

Информация о теме

Пользователи, просматривающие эту тему

Эту тему просматривают: 1 (пользователей: 0 , гостей: 1)

Похожие темы

  1. Корвет на ПЛИС ?
    от SaintTurnip в разделе Корвет
    Ответов: 118
    Последнее: 24.12.2021, 20:00
  2. Корвет: Игры
    от pshelepu в разделе Игры
    Ответов: 6
    Последнее: 13.03.2011, 00:58
  3. Корвет: Публикации
    от AlecV в разделе Корвет
    Ответов: 13
    Последнее: 31.05.2010, 22:31
  4. Корвет.
    от Mick в разделе Барахолка (архив)
    Ответов: 8
    Последнее: 19.09.2007, 19:58
  5. Куплю Пк Корвет
    от DATAsoft в разделе Барахолка (архив)
    Ответов: 3
    Последнее: 09.03.2006, 11:16

Ваши права

  • Вы не можете создавать новые темы
  • Вы не можете отвечать в темах
  • Вы не можете прикреплять вложения
  • Вы не можете редактировать свои сообщения
  •