User Tag List

Страница 4 из 5 ПерваяПервая 12345 ПоследняяПоследняя
Показано с 31 по 40 из 51

Тема: Ленинград-1 - помехи на экране

Комбинированный просмотр

Предыдущее сообщение Предыдущее сообщение   Следующее сообщение Следующее сообщение
  1. #1

    Регистрация
    27.08.2019
    Адрес
    г. Мариуполь, Украина
    Сообщений
    46
    Спасибо Благодарностей отдано 
    6
    Спасибо Благодарностей получено 
    1
    Поблагодарили
    1 сообщение
    Mentioned
    0 Post(s)
    Tagged
    0 Thread(s)

    По умолчанию

    Сейчас символы пропали. Если касаться контактов кварца, то узкие, чуть диагональные полоски превращаются в ровные широкие полосы, которые движутся то в низ, то вверх, при этом разгоняясь(похоже на лопасти у вентилятора, если вы понимаете, о чем я)

  2. #1
    С любовью к вам, Yandex.Direct
    Размещение рекламы на форуме способствует его дальнейшему развитию

  3. #2

    Регистрация
    27.08.2019
    Адрес
    г. Мариуполь, Украина
    Сообщений
    46
    Спасибо Благодарностей отдано 
    6
    Спасибо Благодарностей получено 
    1
    Поблагодарили
    1 сообщение
    Mentioned
    0 Post(s)
    Tagged
    0 Thread(s)

    По умолчанию

    Подскажите еще пожалуйста, что мне можно проверить на плате(питание, частоты, перемычки ну и т.п.)

  4. #3

    Регистрация
    27.08.2019
    Адрес
    г. Мариуполь, Украина
    Сообщений
    46
    Спасибо Благодарностей отдано 
    6
    Спасибо Благодарностей получено 
    1
    Поблагодарили
    1 сообщение
    Mentioned
    0 Post(s)
    Tagged
    0 Thread(s)

    По умолчанию

    Я установил кварцевый резонатор на ровно 14 Мгц(нашел все-таки), но там было только 13.975. Я поставил на 14.31818 и установил подстроечный кондер параллельно ему, подогнал частоту до 14.000 Мгц. Но строчный синхроимпульс был 13656. На первой к555ие7(она под тактовым генератором лн1) частота на входе 7 Мгц, на выходе - 437ннн Кгц. Я так понимаю, деление должно быть на 14, а у меня на 16. Какие бы я значения на ие7 под лн1 не ставил(на D1-D4) Все равно счет идет каждые 16 импульсов. на входе R на ие7 у меня +5 вольт. Напишите, какие значения надо подавать на ее выводы и что вообще делать(счетчик я заменял).

  5. #4

    Регистрация
    27.08.2019
    Адрес
    г. Мариуполь, Украина
    Сообщений
    46
    Спасибо Благодарностей отдано 
    6
    Спасибо Благодарностей получено 
    1
    Поблагодарили
    1 сообщение
    Mentioned
    0 Post(s)
    Tagged
    0 Thread(s)

    По умолчанию

    Почему вы перестали отвечать?

  6. #5

    Регистрация
    27.08.2019
    Адрес
    г. Мариуполь, Украина
    Сообщений
    46
    Спасибо Благодарностей отдано 
    6
    Спасибо Благодарностей получено 
    1
    Поблагодарили
    1 сообщение
    Mentioned
    0 Post(s)
    Tagged
    0 Thread(s)

    По умолчанию

    Ну помогите!

  7. #6

    Регистрация
    08.10.2006
    Адрес
    СПб
    Сообщений
    116
    Спасибо Благодарностей отдано 
    2
    Спасибо Благодарностей получено 
    5
    Поблагодарили
    5 сообщений
    Mentioned
    0 Post(s)
    Tagged
    0 Thread(s)

    По умолчанию

    Не отвечают, потому что в принципе всё рассказано. По моему первая ИЕ7 D3 должна именно на 16 делить. У неё же все 4 входа на +5. Чуть попозже сегодня замерю на рабочем Ленинграде по всем делителям частоты и напишу. Может это поможет найти неисправность.

    - - - Updated - - -

    Пишу свои частоты, замеряны на рабочем ленинграде. Вход первой ИЕ7 D3 5 нога 7 мГц, выход 12 нога 437 кГц. У вас с ней похоже всё верно! D4 вход 5 нога 437 кгц выход 12 нога 31 240 Гц. D40 на которой формируется синхроимпульс 9 нога 15620 Гц, 10 нога 31 240 Гц, 11 нога 62 480 Гц. На выходе D40 8 ноге 15 620 Гц это и есть строчные синхроимпульсы. Ищите какие из частот у вас не попадают.

  8. #7

    Регистрация
    27.08.2019
    Адрес
    г. Мариуполь, Украина
    Сообщений
    46
    Спасибо Благодарностей отдано 
    6
    Спасибо Благодарностей получено 
    1
    Поблагодарили
    1 сообщение
    Mentioned
    0 Post(s)
    Tagged
    0 Thread(s)

    По умолчанию

    Спасибо, буду смотреть. Только пожалуйста, проверяйте чаще эту тему.

  9. #8

    Регистрация
    27.08.2019
    Адрес
    г. Мариуполь, Украина
    Сообщений
    46
    Спасибо Благодарностей отдано 
    6
    Спасибо Благодарностей получено 
    1
    Поблагодарили
    1 сообщение
    Mentioned
    0 Post(s)
    Tagged
    0 Thread(s)

    По умолчанию

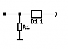
    Кстати, есть еще один вопросик, но не по теме: если на вход логической микросхемы надо подать "0", то этот вывод надо подключить к земле, или просто ничего на него не подавать? Просто если-бы надо было заземлять этот контакт, это было бы сложнее, чем допустим просто поставить выключатель на вход(вкл-1, выкл-0)

    Либо можно просто на вход еще прицепить резистор с заземлением, и если подать +5(к примеру) на вход, будет 1, а если оставить без напряжения, вход автоматически будет заземлен?
    Нажмите на изображение для увеличения. 

Название:	Безымянный.png 
Просмотров:	55 
Размер:	1.1 Кб 
ID:	70084
    Последний раз редактировалось Temych640; 25.09.2019 в 22:38.

  10. #9

    Регистрация
    08.10.2006
    Адрес
    СПб
    Сообщений
    116
    Спасибо Благодарностей отдано 
    2
    Спасибо Благодарностей получено 
    5
    Поблагодарили
    5 сообщений
    Mentioned
    0 Post(s)
    Tagged
    0 Thread(s)

    По умолчанию

    Нет, зависит от серии микросхемы, у большинства микросхем на не подключенном входе напряжение соответствует высокому уровню, но у некоторых может быть что то неопределенное. Если надо вручную переключать уровень на входе, подключите вход к +5в через резистор 10к, а выключатель поставьте со входа на землю. тогда при разомкнутом выключателе на входе будет 1, при замкнутом 0.

    Этот пользователь поблагодарил brian4ever за это полезное сообщение:

    Temych640(27.09.2019)

  11. #10

    Регистрация
    27.08.2019
    Адрес
    г. Мариуполь, Украина
    Сообщений
    46
    Спасибо Благодарностей отдано 
    6
    Спасибо Благодарностей получено 
    1
    Поблагодарили
    1 сообщение
    Mentioned
    0 Post(s)
    Tagged
    0 Thread(s)

    По умолчанию

    Цитата Сообщение от brian4ever Посмотреть сообщение
    Вход первой ИЕ7 D3 5 нога 7 мГц, выход 12 нога 437 кГц. У вас с ней похоже всё верно! D4 вход 5 нога 437 кгц выход 12 нога 31 240 Гц. D40 на которой формируется синхроимпульс 9 нога 15620 Гц, 10 нога 31 240 Гц, 11 нога 62 480 Гц. На выходе D40 8 ноге 15 620 Гц это и есть строчные синхроимпульсы. Ищите какие из частот у вас не попадают.
    первая ИЕ7-5 нога ~ 7 Мгц,12 нога 447 кГц. D4 5 нога 447 кГц, 12 нога 27945 Гц, а соответственно и все остальные частоты тоже неправильные.
    Напишите подробно о работе D4 ИЕ7, что подается на КАЖДУЮ ее ногу, и как записать туда число, и какое; что бы я не подавал на ее ноги d1-d4, все равно на 12 ноге 27945 Гц. В справочниках я не разобрался, как она работает. Может я слишком много прошу, но мне 12 лет, ответьте пожалуйста на все все мои вопросы.

    - - - Добавлено - - -

    Вот если что схема, по которой собирал Ленинград:http://sblive.narod.ru/ZX-Spectrum/L...dSCH180dpi.gif

    - - - Добавлено - - -

    Я думал, что 437 кГц надо делить на 14, то есть выставить в счетчике число 2, но:
    Во-первых: как стереть и записать число;
    Во-вторых: почему вы пишите, что надо подать на 1 1, на 15 1, на 9 и 10 -0, это выйдет вроде число 3!
    Ну вообщем, жду ваших советов.

Страница 4 из 5 ПерваяПервая 12345 ПоследняяПоследняя

Информация о теме

Пользователи, просматривающие эту тему

Эту тему просматривают: 1 (пользователей: 0 , гостей: 1)

Похожие темы

  1. Ленинград-1 полосы на экране
    от Neofit2016 в разделе Ленинград
    Ответов: 37
    Последнее: 16.06.2019, 16:37
  2. ВЧ помехи на экране
    от norduk в разделе Источники питания
    Ответов: 11
    Последнее: 26.01.2019, 13:44
  3. Полоски на экране +2А
    от crrush в разделе Зарубежные модели
    Ответов: 14
    Последнее: 10.09.2018, 08:23
  4. Полоски на экране +2А
    от crrush в разделе Зарубежные модели
    Ответов: 0
    Последнее: 04.09.2018, 23:31
  5. Помехи от БП
    от Forward в разделе Источники питания
    Ответов: 10
    Последнее: 08.01.2006, 17:43

Ваши права

  • Вы не можете создавать новые темы
  • Вы не можете отвечать в темах
  • Вы не можете прикреплять вложения
  • Вы не можете редактировать свои сообщения
  •