Всем привет.
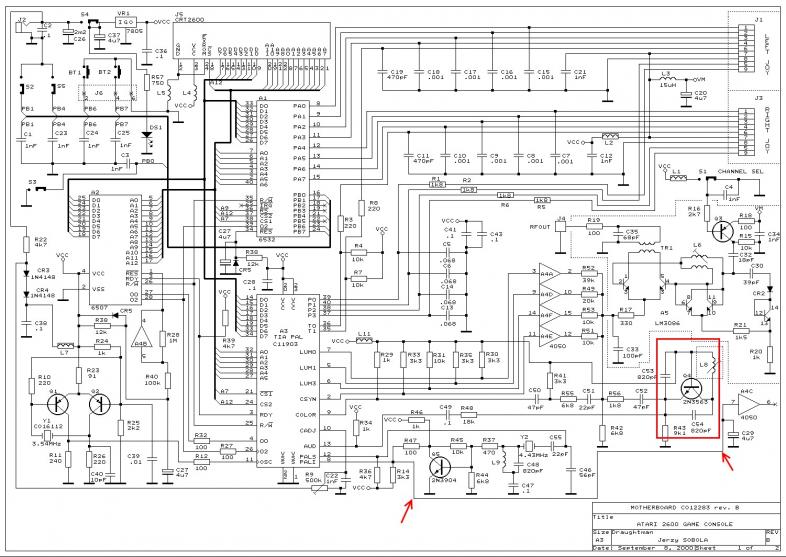
Ищу правильную, проверенную схему Atari 2600 PAL с использованием TIA UM6526 (комплект UM6526, UM6532, UM6507). В найденных схемах с C11903 непонятно использование выводов 12 (PALS) и 8 (PALI), да и другие участки схемы вызывают недоумение. Или я что-то не понимаю, или в схемах присутствуют ошибки. С сообщением пара файлов с найденными схемами, где красным цветом я отметил цепи и узлы непонятного для меня назначения.
![]()
Если у кого-нибудь есть правильная схема Atari 2600 PAL (UM6526, UM6532, UM6507) и/или даташит на UM6526 - поделитесь, пожалуйста.


Ответить с цитированием
Размещение рекламы на форуме способствует его дальнейшему развитию 
Модуляция происходит подачей сигнала в эмиттер через C49, R48, а чтобы звуковая частота не лезла в видеосигнал, конденсатор C52 выбран маленькой ёмкости - 47 пФ. Но вот это соединение базы с источником питания - это опять какой-то косяк. Транзистор будет в насыщении и генерировать ничего не сможет. Там явно пару резисторов забыли. Правильно такой генератор нарисован здесь 