Далее идет описание правильного конвертера телеграфного порта ДВК в сигналы высоковольтного RS-232 ( дешовый вариант без гальванической развязки ,для скоростей не более 19200 Бод ).
Желающие всё сделать на 1 транзисторе и паре др. компонентов направляются в др. топик.![]()
Применение RS-232 в Мультикарте :
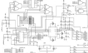
Э3 телеграфа на 1002ХЛ1 и 588ВН1 :
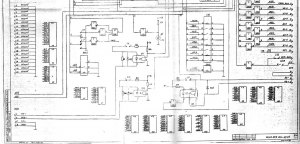
Позже выложу Э3 для МС1201.02 с ОНП-КГ-56-10
- - - Добавлено - - -
Можно применять :
555ЛП5
533ЛП5
155ЛП5
531ЛП5
1564ЛП5
Лучше не применять :
1533ЛП5 - т.к. у неё маловат выходной ток, и придется исключить резисторы с выхода элементов до оптопар в МС1201.х
Для присоединения к MAX232 из Мультикарты или Калькулятора.
Установка защитных стабиллитронов на MAX232 настоятельно рекомендуется, или установить её в колодку.


Ответить с цитированием
Размещение рекламы на форуме способствует его дальнейшему развитию 

