User Tag List

Страница 1 из 2 12 ПоследняяПоследняя
Показано с 1 по 10 из 15

Тема: Проект Трэмиел Мини Комп

  1. #1

    Регистрация
    15.05.2010
    Адрес
    Москва
    Сообщений
    64
    Спасибо Благодарностей отдано 
    0
    Спасибо Благодарностей получено 
    3
    Поблагодарили
    1 сообщение
    Mentioned
    1 Post(s)
    Tagged
    0 Thread(s)

    По умолчанию Проект Трэмиел Мини Комп

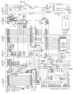
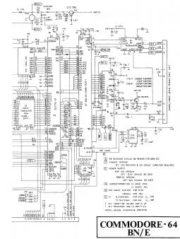
    Есть желающие принять участие в создании клона-компьютера Commodore 64 Kb (возможно Commodore 128 Kb, если будет востребован) на современной элементной базе?

    Схемы версии 64 Kb выкладываю в прикреплении ниже, взяты с сайта: http://www.zimmers.net/ !
    Миниатюры Миниатюры Нажмите на изображение для увеличения. 

Название:	250469-rev.A-left.jpg 
Просмотров:	169 
Размер:	20.4 Кб 
ID:	70475   Нажмите на изображение для увеличения. 

Название:	250469-rev.A-right.jpg 
Просмотров:	137 
Размер:	21.3 Кб 
ID:	70476  

  2. #1
    С любовью к вам, Yandex.Direct
    Размещение рекламы на форуме способствует его дальнейшему развитию

  3. #2

    Регистрация
    08.10.2005
    Адрес
    Москва
    Сообщений
    14,392
    Спасибо Благодарностей отдано 
    1,701
    Спасибо Благодарностей получено 
    2,218
    Поблагодарили
    872 сообщений
    Mentioned
    69 Post(s)
    Tagged
    1 Thread(s)

    По умолчанию

    Миниатюры нечитабельны. Нужно размещать на стороннем хостинге.

  4. #3

    Регистрация
    26.04.2009
    Адрес
    г. Воронеж
    Сообщений
    6,480
    Спасибо Благодарностей отдано 
    310
    Спасибо Благодарностей получено 
    249
    Поблагодарили
    217 сообщений
    Mentioned
    6 Post(s)
    Tagged
    0 Thread(s)

    По умолчанию

    Цитата Сообщение от Titus Посмотреть сообщение
    Нужно размещать на стороннем хостинге.
    Или ссылки откуда они взяты. Я что-то на том сайте нихрена не нашёл.
    "Во времена всеобщей лжи говорить правду - это экстремизм" - афоризм.

  5. #4

    Регистрация
    22.05.2011
    Адрес
    г. Дзержинск, Украина
    Сообщений
    6,829
    Спасибо Благодарностей отдано 
    483
    Спасибо Благодарностей получено 
    663
    Поблагодарили
    513 сообщений
    Mentioned
    10 Post(s)
    Tagged
    0 Thread(s)

    По умолчанию

    Цитата Сообщение от Titus Посмотреть сообщение
    Миниатюры нечитабельны
    да какая...
    там или все на одной фпга или все на несколких фпга...

    у нас даже железного 6510 не найти
    не то что сид
    чтоб сделать хоть какой то полужелезный клон...
    Последний раз редактировалось NEO SPECTRUMAN; 28.10.2019 в 01:57.

  6. #5

    Регистрация
    11.01.2006
    Адрес
    Брест/Минск
    Сообщений
    8,398
    Записей в дневнике
    4
    Спасибо Благодарностей отдано 
    188
    Спасибо Благодарностей получено 
    122
    Поблагодарили
    60 сообщений
    Mentioned
    7 Post(s)
    Tagged
    0 Thread(s)

    По умолчанию

    в миниатюрах ничего интересного, обычная схема С64.
    С уважением, Александр.
    Scorpion ZS-256 Turbo+ GMX-2048
    SID-Blaster/ZX
    Музей ретрокомпьютеров в Минске!
    Здесь ничего нет => http://byteman.by
    И здесь тоже --->>> http://bytespace.by

  7. #6

    Регистрация
    12.07.2006
    Адрес
    г. Киев, Украина
    Сообщений
    2,147
    Спасибо Благодарностей отдано 
    25
    Спасибо Благодарностей получено 
    95
    Поблагодарили
    82 сообщений
    Mentioned
    2 Post(s)
    Tagged
    0 Thread(s)

    По умолчанию

    "на современной элементной базе" - уже все созданно, это mister

    а вот развести плату классического c64 и выложить в свободный доступ герберы, это дело благородное
    Последний раз редактировалось bigral; 01.11.2019 в 12:02.

  8. #7

    Регистрация
    15.05.2010
    Адрес
    Москва
    Сообщений
    64
    Спасибо Благодарностей отдано 
    0
    Спасибо Благодарностей получено 
    3
    Поблагодарили
    1 сообщение
    Mentioned
    1 Post(s)
    Tagged
    0 Thread(s)

    По умолчанию

    Цитата Сообщение от bigral Посмотреть сообщение
    "на современной элементной базе" - уже все созданно, это mister

    а вот развести плату классического c64 и выложить в свободный доступ герберы, это дело благородное
    Не нашёл на сайте zx-pk.ru пользователя mister - который предложил современный вариант C64? Герберы это конечно хорошо, только с чего их рисовать, нужны фото платы в высоком расширении с двух сторон, как минимум!!! По ссылке http://www.zimmers.net/anonftp/pub/c...als/index.html нашёл файл: C64-C64C_Service_Manual_314001-03_(1992_Mar).pdf - PCB там конечно есть, но нету разводки контактов между элементами платы, вообщем нужна конкретика, чтобы даже клонировать полноразмерный вариант???

  9. #8

    Регистрация
    26.04.2009
    Адрес
    г. Воронеж
    Сообщений
    6,480
    Спасибо Благодарностей отдано 
    310
    Спасибо Благодарностей получено 
    249
    Поблагодарили
    217 сообщений
    Mentioned
    6 Post(s)
    Tagged
    0 Thread(s)

    По умолчанию

    Цитата Сообщение от alex8418 Посмотреть сообщение
    Не нашёл на сайте zx-pk.ru пользователя mister - который предложил современный вариант C64?
    Да, поиск на форуме не работает, можно бы вообще убрать эту функцию, что бы не вводила в заблуждение. Искать так.

    Цитата Сообщение от alex8418 Посмотреть сообщение
    Герберы это конечно хорошо, только с чего их рисовать, нужны фото платы в высоком расширении с двух сторон, как минимум!!!
    Капитан очевидность? Понятно, что надо покупать мёртвого донора для этого, либо распаять свой комп, сделать фото и спаять на панельках ;-)11
    "Во времена всеобщей лжи говорить правду - это экстремизм" - афоризм.

  10. #9

    Регистрация
    15.05.2010
    Адрес
    Москва
    Сообщений
    64
    Спасибо Благодарностей отдано 
    0
    Спасибо Благодарностей получено 
    3
    Поблагодарили
    1 сообщение
    Mentioned
    1 Post(s)
    Tagged
    0 Thread(s)

    По умолчанию

    Цитата Сообщение от CodeMaster Посмотреть сообщение
    Капитан очевидность? Понятно, что надо покупать мёртвого донора для этого, либо распаять свой комп, сделать фото и спаять на панельках ;-)11
    Люди добрые помогите кто чем может!!! Выложите человеку Commodor-а не имущего, фотографии в качестве желательно UltraHD 4K, платы Commodor-а 64 c двух сторон, предварительно вынув плату из корпуса или платы Commodore-а 128 c тех же двух сторон!!! Дабы не дать открытой теме уйти в вечность!!! Заранее благодарю за внимание!!!

    Не дышащие варианты Commodore-а 64 или Commodore-а 128 так же вполне подойдут, уже ничего не опасаясь можно будет вынуть их корпуса!!!

    - - - Добавлено - - -

    Цитата Сообщение от CodeMaster Посмотреть сообщение
    Да, поиск на форуме не работает, можно бы вообще убрать эту функцию, что бы не вводила в заблуждение. Искать так.
    MISter по ссылке https://zx-pk.ru/threads/27834-miste...yj-proekt.html предлагает миниатюрный аналог ZX Spectrum (про возможность работы в режиме Commodore в описании не написано - может не увидел), но он не единственный такой изобретатель Мини Спектрумов, вот Вам ещё один вариант на AVR микроконтроллере - https://good-kits.ru/nabory-bloki-i-...spectrum-v2-2/ !!!

    В моём топике речь идёт о том чтобы наконец сделать клон Commodor-а, притом не важно 64-ый или 128-ой вариант это будет, а потом уже пытаться применить AVR микроконтроллер для минимизации полученного клона!!!

  11. #10

    Регистрация
    26.04.2009
    Адрес
    г. Воронеж
    Сообщений
    6,480
    Спасибо Благодарностей отдано 
    310
    Спасибо Благодарностей получено 
    249
    Поблагодарили
    217 сообщений
    Mentioned
    6 Post(s)
    Tagged
    0 Thread(s)

    По умолчанию

    Цитата Сообщение от alex8418 Посмотреть сообщение
    ро возможность работы в режиме Commodore в описании не написано
    C64. Там на гитхабе 6 страниц конфигураций для него.
    Цитата Сообщение от alex8418 Посмотреть сообщение
    вот Вам ещё один вариант на AVR микроконтроллере
    Не понял, при чём тут AVR, но этот клон разрабатывался на этом форуме и все про него в курсе.
    Цитата Сообщение от alex8418 Посмотреть сообщение
    сделать клон Commodor-а, ... а потом уже пытаться применить AVR микроконтроллер для минимизации полученного клона
    Не вижу особой связи между этими двумя задачами.
    "Во времена всеобщей лжи говорить правду - это экстремизм" - афоризм.

Страница 1 из 2 12 ПоследняяПоследняя

Информация о теме

Пользователи, просматривающие эту тему

Эту тему просматривают: 1 (пользователей: 0 , гостей: 1)

Похожие темы

  1. Новогодний мини-ZX конкурс :)
    от zebest в разделе События
    Ответов: 18
    Последнее: 31.12.2014, 22:03
  2. МИНИ мультик на zx spectrume 48
    от женя999 в разделе Графика
    Ответов: 25
    Последнее: 22.08.2009, 13:10
  3. мини комп 4-bit
    от bigral в разделе Зарубежные компьютеры
    Ответов: 0
    Последнее: 18.06.2008, 14:11

Ваши права

  • Вы не можете создавать новые темы
  • Вы не можете отвечать в темах
  • Вы не можете прикреплять вложения
  • Вы не можете редактировать свои сообщения
  •