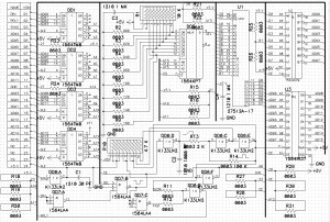
Компоненты :
ЭКФ1564ТМ8, ЭКФ1564КП7, ЭКФ1564ЛА4, ЭКФ1564ЛН2, ЭКФ1564АП9, ЭКФ1564ИР37, 27C512 ДИП-28, CAY17, резисторы 0603, конденсаторы 1210 сигнальные и 1206 по питанию.
Габариты - 40 х 40 миллиметров.
Это из ТЗ.
С серией 573 будет очень медленный , под 500+ нс.
Приемлемое быстродействие ( 0 тактов ЦП ) - только на БИС ППЗУ не медленнее 60 нс.


Ответить с цитированием
Размещение рекламы на форуме способствует его дальнейшему развитию 
