User Tag List

Показано с 1 по 3 из 3

Тема: подключение Парус ВИ-201 к современному телевизору

  1. #1

    Регистрация
    22.07.2014
    Адрес
    г. Санкт-Петербург
    Сообщений
    471
    Спасибо Благодарностей отдано 
    36
    Спасибо Благодарностей получено 
    57
    Поблагодарили
    41 сообщений
    Mentioned
    4 Post(s)
    Tagged
    0 Thread(s)

    По умолчанию подключение Парус ВИ-201 к современному телевизору

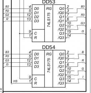
    т.к. в данном компьютере есть СЕКАМ модуль, то лучше в нем поменять мелкие высохшие ёмкости, что бы это не влияло на изображение

    но при подключении по RGB к ТВ на моей версии платы пришлось вводить привязку цветов к уровню черного, т.к. без этого телевизор выдавал черную картинку при любых цветах на экране

    плюс был инвертирован BRIGHT 1 режим

    Нажмите на изображение для увеличения. 

Название:	привязка гашения к RGB.jpg 
Просмотров:	183 
Размер:	19.8 Кб 
ID:	71898

    реализация простая, не надо резать никаких дорожек, достаточно перекусить посередине ножки микросхем и спаять, как показано на схеме

    после доработки все стало показывать нормально, уровни яркости RGB регулируются переменным резистором RP6

    Этот пользователь поблагодарил blackinwoman за это полезное сообщение:

    SAMuel(29.03.2020)

  2. #1
    С любовью к вам, Yandex.Direct
    Размещение рекламы на форуме способствует его дальнейшему развитию

  3. #2

    Регистрация
    13.06.2011
    Адрес
    Киев, Украина
    Сообщений
    13
    Спасибо Благодарностей отдано 
    8
    Спасибо Благодарностей получено 
    1
    Поблагодарили
    1 сообщение
    Mentioned
    0 Post(s)
    Tagged
    0 Thread(s)

    По умолчанию

    Хех, а я как раз пару дней как подрубал к телеку, картинка то белая то черная, рвёт изображение, в общем не стабильное как по композиту так и по ВЧ.
    TL866A, TL866II Plus, Triton+ V5.7TM USB, Altera USB Blaster, ST-Link V2, USB SPI NAND Flasher, XFlash NAND Flasher, E3 Flasher, Willem PCB5.0a, ChipStar Janus, ChipProg+LPT, LabProg+LPT, FlashCat USB...
    Парус ВИ-201 Ленинград 48к ZX-UNO 4.2

  4. #3

    Регистрация
    13.06.2011
    Адрес
    Киев, Украина
    Сообщений
    13
    Спасибо Благодарностей отдано 
    8
    Спасибо Благодарностей получено 
    1
    Поблагодарили
    1 сообщение
    Mentioned
    0 Post(s)
    Tagged
    0 Thread(s)

    По умолчанию

    Сделал акуратные разрезы скальпелем, поставил перемычки кк нада, порядок, цвета как положено отображаются.
    TL866A, TL866II Plus, Triton+ V5.7TM USB, Altera USB Blaster, ST-Link V2, USB SPI NAND Flasher, XFlash NAND Flasher, E3 Flasher, Willem PCB5.0a, ChipStar Janus, ChipProg+LPT, LabProg+LPT, FlashCat USB...
    Парус ВИ-201 Ленинград 48к ZX-UNO 4.2

Информация о теме

Пользователи, просматривающие эту тему

Эту тему просматривают: 1 (пользователей: 0 , гостей: 1)

Похожие темы

  1. Ответов: 29
    Последнее: 23.01.2024, 20:28
  2. Подключение к телевизору
    от Janik в разделе Корвет
    Ответов: 25
    Последнее: 04.07.2022, 12:13
  3. Восстановление Парус ВИ-201
    от SlashAudio в разделе Несортированное железо
    Ответов: 10
    Последнее: 10.01.2020, 20:39
  4. Подключение Львова к телевизору.
    от ßpectrum2003 в разделе Изображение
    Ответов: 13
    Последнее: 06.09.2017, 17:14
  5. Подключение Байта к телевизору
    от Citron в разделе Изображение
    Ответов: 5
    Последнее: 07.04.2009, 20:51

Ваши права

  • Вы не можете создавать новые темы
  • Вы не можете отвечать в темах
  • Вы не можете прикреплять вложения
  • Вы не можете редактировать свои сообщения
  •