Важная информация

User Tag List

Страница 3 из 12 ПерваяПервая 1234567 ... ПоследняяПоследняя
Показано с 21 по 30 из 113

Тема: Платочка батарейного СОЗУ 3.5 Мб для МС1201.03 с Звучком

  1. #21

    Регистрация
    07.05.2013
    Адрес
    г. Уфа
    Сообщений
    1,207
    Спасибо Благодарностей отдано 
    345
    Спасибо Благодарностей получено 
    140
    Поблагодарили
    114 сообщений
    Mentioned
    1 Post(s)
    Tagged
    0 Thread(s)

    По умолчанию

    ММ а что значит выбираться выключателями вдм 1-8
    ?
    Эти выключатели будут выведены на переднюю панель?
    Простите за нубские вопросы.

    Мои скромные железяки


    Altair8800(в процессе)
    ATARI 65хе
    YAMAHA YIS503IIIR
    PackardBell
    HP Vectra 286/25n/VE/VL/VL800/VLi8, Kayak XA
    AcerPower 433sv
    Fujitsu-Siemens Scenic/S 2
    Compaq deskpro en

    МС 0511-01
    Микро80(в процессе)
    Микроком85
    Апогей-БК01Ц
    РадиоРК-86
    БК0010/10-01/11/11М
    ПК-8000
    Львов ПК-01
    Агат-9
    Электроника 60м
    ДВК-3М
    Вектор-06ц
    Специалист
    ХТ8088 nec-20
    АТ286,386,486
    PI-75-200ММХ
    РII, III,IV

    ZX-Evolution r.C3
    Santaka-002
    Дельта-С
    Ленинград48к
    [свернуть]

    Этот пользователь поблагодарил Ратмир за это полезное сообщение:

    MM(18.04.2020)

  2. #22

    Регистрация
    20.04.2013
    Адрес
    г. Павловский Посад
    Сообщений
    4,246
    Спасибо Благодарностей отдано 
    498
    Спасибо Благодарностей получено 
    557
    Поблагодарили
    436 сообщений
    Mentioned
    42 Post(s)
    Tagged
    0 Thread(s)

    По умолчанию

    Цитата Сообщение от Ратмир Посмотреть сообщение
    Эти выключатели будут выведены на переднюю панель?
    Можно через отдельный разъем ОНП-КГ-56-10 вывести куда-нибуть на корпус ДВК.

    Вообще, при запуске разных звуковых программ понадобится часто менять адреса звуковых портов, т.к. одна программа требует Музпроц на адресе 177714, др. программа - Ковокс, а какой-нить новодел - обоих на др. адресах.

    - - - Добавлено - - -

    Конструктивно плата СОЗУ будет соединена с МС1201.03 через разъем СНП58-64 папа в виде 32 сигналов, и еще 2 штыря для управления МС1201.03 - отключение ДОЗУ, типа опция, т.к. их можно не выводить в минимальной конфе. Ряд сигналов выведен на сторону МС1201.03, где обитают КР537РУ8 и 1801РЕ2.

    Вообще, эта платочка может устанавливаться на полуплату перехода для подключения блоков БК к ДВК, для использования совместно с процессорами Э-60 с 22-разрядной адресацией.
    Блог : http://collectingrd.kxk.ru/ . В ЛС прошу не писать, все сообщения MMTEMA@MAIL.RU

  3. #23

    Регистрация
    20.04.2013
    Адрес
    г. Павловский Посад
    Сообщений
    4,246
    Спасибо Благодарностей отдано 
    498
    Спасибо Благодарностей получено 
    557
    Поблагодарили
    436 сообщений
    Mentioned
    42 Post(s)
    Tagged
    0 Thread(s)

    По умолчанию

    Уважаемые музыканты, посоветуйте - 1.66 мгц для музпроца - это нормальная частота, или надо именно 12/7 = 1.71 мгц ?

    - - - Добавлено - - -

    Вариант 1 :

    Все 8 шт. СОЗУ не показаны. Батарейка - 2032, расчетный ток потребления, включая ЭКФ1564ИД4 - 20 мка, при емкости батарейки не менее 200 ма/ч, срок хранения ЭД порядка 10 т.час., или 1.5 года.
    Размер - порядка 12х12 см, разъемы :
    1. Системный 32 проволоки, под МГТФ.
    2. Опциональные штыри управления МС1201.03 - 2 шт.
    3. Для внешнего пульта выбора адресов Музпроца и ЦАП ( Ковокса ) - 10 проволок, под кабель ЛКВ-10.
    4. Стерео-джек 3.5 мм.

    Аналоговая часть :
    Блог : http://collectingrd.kxk.ru/ . В ЛС прошу не писать, все сообщения MMTEMA@MAIL.RU

    Этот пользователь поблагодарил MM за это полезное сообщение:

    Ратмир(04.05.2020)

  4. #24

    Регистрация
    20.04.2013
    Адрес
    г. Павловский Посад
    Сообщений
    4,246
    Спасибо Благодарностей отдано 
    498
    Спасибо Благодарностей получено 
    557
    Поблагодарили
    436 сообщений
    Mentioned
    42 Post(s)
    Tagged
    0 Thread(s)

    По умолчанию

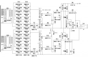
    Предварительная Э3 в ПДФ :
    https://cloud.mail.ru/public/2vjQ/3atKCZ4JQ
    ( нумерация выводов ИС может не совпадать с реальной )
    Микросхемы :
    ДД1...ДД3 - ЭКФ1531АП6 ( 74F245D ) *
    ДД4...ДД6 - ЭКФ1531ИР22 ( 74F373D ) *
    ДД7, ДД25 - ЭКФ1533ЛН1 ( 74ALS04D ) *
    ДД8, ДД10, ДД28 - ЭКФ1531КП7 ( 74F151D ) *
    ДД9 - ЭКФ1533ЛЛ1 ( 74ALS32D ) *
    ДД11 - ЭКФ1533ЛА4 ( 74ALS10D ) *
    ДД12, ДД15 - ЭКФ1533ЛА3 ( 74ALS00D ) *
    ДД13 - 217ЛБ2 ( 2ЛБ172 ) *
    ДД14 - ЭКФ1564ИД4 ( 74HC155D ) *
    ДД16...ДД23- M5M5408AFP-55LL ( -70LL допускается )
    ДД24 - ЭКФ1533ЛИ1 ( 74ALS08D ) *
    ДД26 - ЭКФ1533ТМ2 ( 74ALS74D ) *
    ДД27 - ЭКФ1533ЛН2 ( 74ALS05D ) *
    ДД29, ДД30 - ЭКФ1533СП1 ( 74ALS85D ) *
    ДД31, ДД32 - ЭКФ1564ИР37 ( 74HC574D ) *
    ДД33 - AY38912A/P ДИП-28.
    Габариты ДПП - 13.5 х 12.5 см.
    Приблизительное размещение макета на МС1201.04 :

    Для МС1201.03 - чуть получше.

    Пока предполагаемый срок поставки чистой ДПП - июль 2020 г., ориентировочная цена 500 руб + заказное письмо ( без деталей ).
    Пожалуйста, оставляйте предварительные заявки на ДПП, без каких-либо обязательств сторон, для оценки к-ва шт. в заказе плат.
    Блог : http://collectingrd.kxk.ru/ . В ЛС прошу не писать, все сообщения MMTEMA@MAIL.RU

    Этот пользователь поблагодарил MM за это полезное сообщение:

    Ратмир(24.06.2020)

  5. #25

    Регистрация
    20.04.2013
    Адрес
    г. Павловский Посад
    Сообщений
    4,246
    Спасибо Благодарностей отдано 
    498
    Спасибо Благодарностей получено 
    557
    Поблагодарили
    436 сообщений
    Mentioned
    42 Post(s)
    Tagged
    0 Thread(s)

    По умолчанию


    Предварительный вариант
    Блог : http://collectingrd.kxk.ru/ . В ЛС прошу не писать, все сообщения MMTEMA@MAIL.RU

    Этот пользователь поблагодарил MM за это полезное сообщение:

    Ратмир(24.06.2020)

  6. #26

    Регистрация
    20.04.2013
    Адрес
    г. Павловский Посад
    Сообщений
    4,246
    Спасибо Благодарностей отдано 
    498
    Спасибо Благодарностей получено 
    557
    Поблагодарили
    436 сообщений
    Mentioned
    42 Post(s)
    Tagged
    0 Thread(s)

    По умолчанию



    Подключение в МС1201.03 :
    1. Выв. 36 1801ВП1-119 отрезать от др. схемы, в разрез включить резистор 1 ком ( 470 ом ... 2 ком ).
    Выв. платочки XP4 DRAM OFF подключить к выв. 36 1801ВП1-119 ( и новому резистору ).
    Что делает - при уровне 0в. на 36 выв. ВП1-119 не обращается к своему ДОЗУ.
    2. Выв. 09 ДД17.4 155ЛП9 отрезать от остальной схемы, в разрез включить резистор 470....910 ом.
    К выв. 09 ДД17.4 ( и новому резистору ) подключить выв. платочки XP3 SSYNC .
    Что делает - при опознании адреса СОЗУ платочка выставляет сигнал быстрого цикла шины для 1801ВМ3

    Подключение в МС1201.04 ( 4 ряда ДОЗУ КР565РУ7В ) :
    1. Выв. 36 1801ВП1-119 отрезать от др. схемы, в разрез включить резистор 1 ком ( 470 ом ... 2 ком ).
    Выв. платочки XP4 DRAM OFF подключить к выв. 36 1801ВП1-119 ( и новому резистору ).
    Что делает - при уровне 0в. на 36 выв. ВП1-119 не обращается к своему ДОЗУ.
    2. Выв. платочки XP3 SSYNC через диодик Д9Б подключить в входу SSYNC 1801ВМ3, или :
    выв.01 ДД22.1 155ЛА8, или выв. 02 ДД17.1 155ЛП9. Минус диода - к платочке СОЗУ.
    Что делает - при опознании адресов СОЗУ платочка выставляет сигнал быстрого цикла шины для 1801ВМ3

    Э3 в формате P-CAD2006 SCH :
    https://cloud.mail.ru/public/5Grq/5ssRRqCXV
    Последний раз редактировалось MM; 23.06.2020 в 21:36.
    Блог : http://collectingrd.kxk.ru/ . В ЛС прошу не писать, все сообщения MMTEMA@MAIL.RU

    Этот пользователь поблагодарил MM за это полезное сообщение:

    Ратмир(24.06.2020)

  7. #27

    Регистрация
    20.04.2013
    Адрес
    г. Павловский Посад
    Сообщений
    4,246
    Спасибо Благодарностей отдано 
    498
    Спасибо Благодарностей получено 
    557
    Поблагодарили
    436 сообщений
    Mentioned
    42 Post(s)
    Tagged
    0 Thread(s)

    По умолчанию

    Платочки заказаны.
    Блог : http://collectingrd.kxk.ru/ . В ЛС прошу не писать, все сообщения MMTEMA@MAIL.RU

  8. #28

    Регистрация
    20.04.2013
    Адрес
    г. Павловский Посад
    Сообщений
    4,246
    Спасибо Благодарностей отдано 
    498
    Спасибо Благодарностей получено 
    557
    Поблагодарили
    436 сообщений
    Mentioned
    42 Post(s)
    Tagged
    0 Thread(s)

    По умолчанию

    Платы где-то на почтах Китая.

    СОЗУ - 10 шт. за 652 руб :
    https://aliexpress.ru/item/328638227...04368-e1DAK57E
    Блог : http://collectingrd.kxk.ru/ . В ЛС прошу не писать, все сообщения MMTEMA@MAIL.RU

    Этот пользователь поблагодарил MM за это полезное сообщение:

    Ратмир(30.06.2020)

  9. #29

    Регистрация
    20.04.2013
    Адрес
    г. Павловский Посад
    Сообщений
    4,246
    Спасибо Благодарностей отдано 
    498
    Спасибо Благодарностей получено 
    557
    Поблагодарили
    436 сообщений
    Mentioned
    42 Post(s)
    Tagged
    0 Thread(s)

    По умолчанию

    Выпущено таможней в Внуково.
    Блог : http://collectingrd.kxk.ru/ . В ЛС прошу не писать, все сообщения MMTEMA@MAIL.RU

  10. #30

    Регистрация
    20.04.2013
    Адрес
    г. Павловский Посад
    Сообщений
    4,246
    Спасибо Благодарностей отдано 
    498
    Спасибо Благодарностей получено 
    557
    Поблагодарили
    436 сообщений
    Mentioned
    42 Post(s)
    Tagged
    0 Thread(s)

    По умолчанию


    В процессе отладки.
    СОЗУ - годное ( на частоте 2.5 мгц ВМ3 ).
    ЦАП - рабочий.

    - - - Добавлено - - -


    *
    По ЦАП :

    Скриншот теста ЦАП "Пила" - прямая на правом канале, инверсная - на левом.
    Блог : http://collectingrd.kxk.ru/ . В ЛС прошу не писать, все сообщения MMTEMA@MAIL.RU

    Этот пользователь поблагодарил MM за это полезное сообщение:

    Ратмир(12.08.2020)

Страница 3 из 12 ПерваяПервая 1234567 ... ПоследняяПоследняя

Информация о теме

Пользователи, просматривающие эту тему

Эту тему просматривают: 1 (пользователей: 0 , гостей: 1)

Похожие темы

  1. Ответов: 14
    Последнее: 06.04.2025, 13:03
  2. Ответов: 42
    Последнее: 05.05.2021, 17:01
  3. Ответов: 16
    Последнее: 01.05.2020, 01:09
  4. Ответов: 83
    Последнее: 29.04.2020, 15:50
  5. Ответов: 48
    Последнее: 14.10.2017, 18:48

Ваши права

  • Вы не можете создавать новые темы
  • Вы не можете отвечать в темах
  • Вы не можете прикреплять вложения
  • Вы не можете редактировать свои сообщения
  •