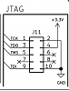
Ещё раз здравствуйте. Скажите, вот запаяна альтера и разъём джитаг. Заказал бластер, и регулируемый преобразователь напряжения для получения 3.3в. И вот вопрос - куда именно надо подать плюс и минус 3.3в для программирования альтеры? Где эти точки? Может на каком нибудь разъёме?


Ответить с цитированием
Размещение рекламы на форуме способствует его дальнейшему развитию 

