User Tag List

Показано с 1 по 8 из 8

Тема: Клон ZX-Spectrum128 на ESP-32

Комбинированный просмотр

Предыдущее сообщение Предыдущее сообщение   Следующее сообщение Следующее сообщение
  1. #1

    Регистрация
    12.07.2005
    Адрес
    Сибирь
    Сообщений
    66
    Спасибо Благодарностей отдано 
    0
    Спасибо Благодарностей получено 
    0
    Поблагодарили
    0 сообщений
    Mentioned
    0 Post(s)
    Tagged
    0 Thread(s)

    По умолчанию Клон ZX-Spectrum128 на ESP-32

    Наткнулся на интересный проект Клон ZX-Spectrum128 на ESP-32.
    https://dzen.ru/a/ZKXDu7QlJEpvx8DS

    Хочу попробовать повторить. Пока жду ESP-32 от китайцев хотел узнать может кто уже повторил

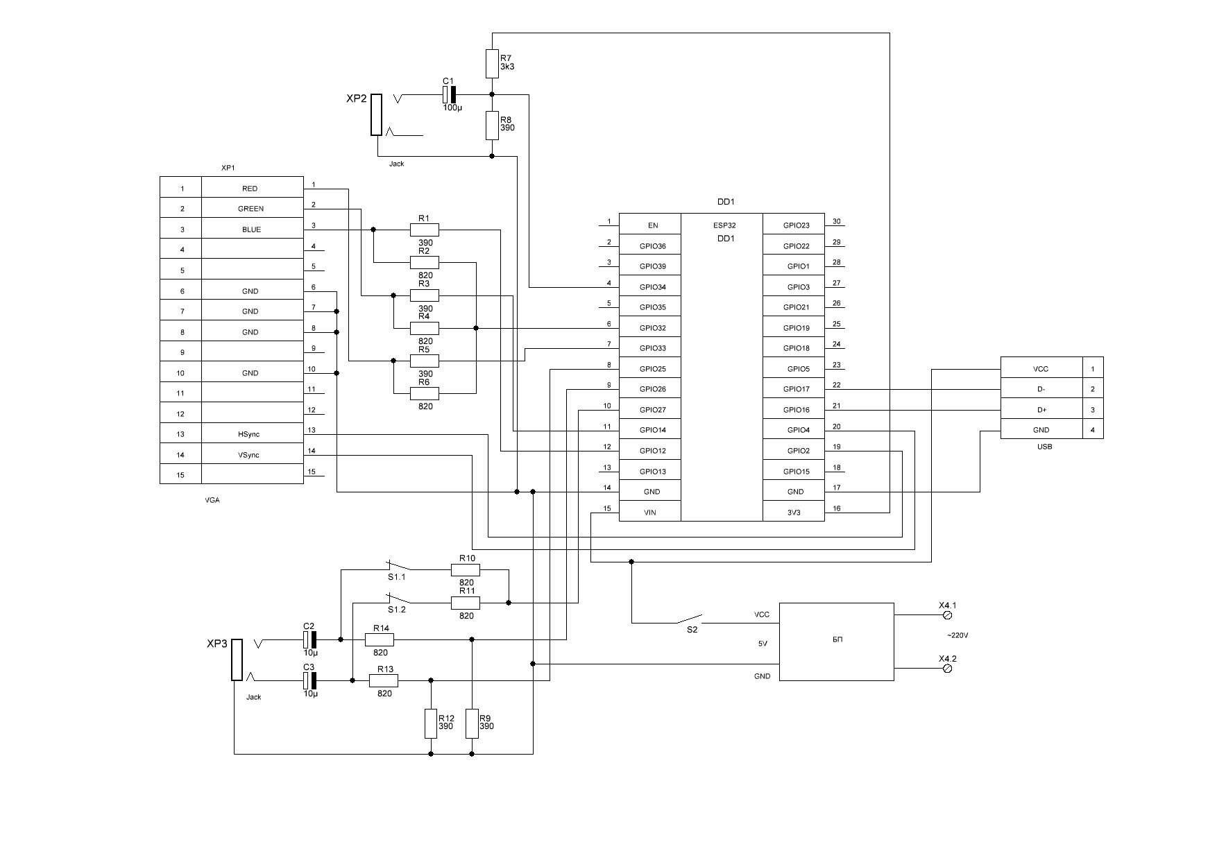
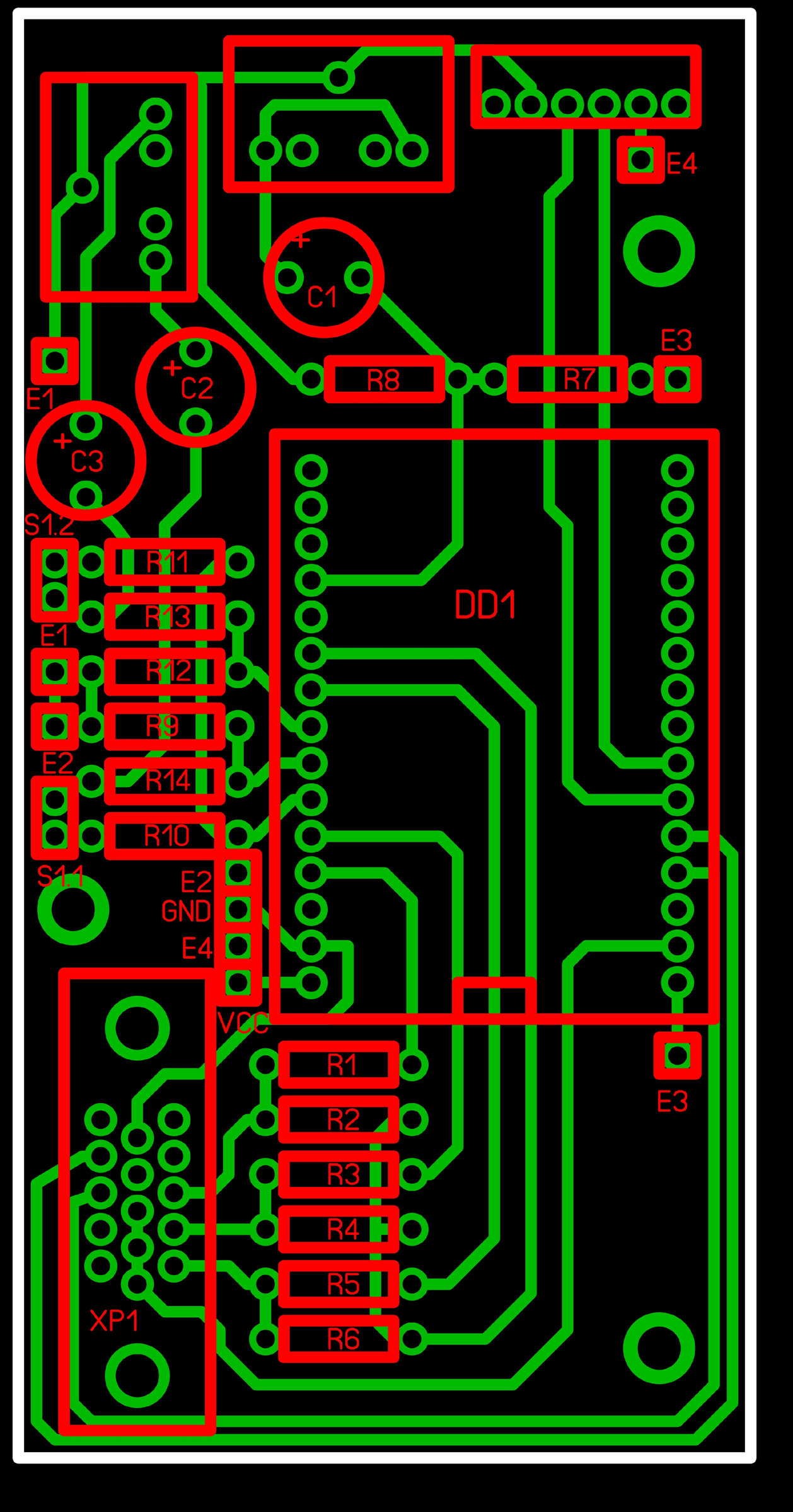
    Схема



    Печатка



    Видео


  2. #1
    С любовью к вам, Yandex.Direct
    Размещение рекламы на форуме способствует его дальнейшему развитию

  3. #2

    Регистрация
    27.02.2005
    Адрес
    москва
    Сообщений
    14,338
    Записей в дневнике
    1
    Спасибо Благодарностей отдано 
    205
    Спасибо Благодарностей получено 
    1,497
    Поблагодарили
    974 сообщений
    Mentioned
    18 Post(s)
    Tagged
    0 Thread(s)

  4. #3

    Регистрация
    11.01.2008
    Адрес
    Ладошкино
    Сообщений
    1,814
    Записей в дневнике
    4
    Спасибо Благодарностей отдано 
    390
    Спасибо Благодарностей получено 
    341
    Поблагодарили
    246 сообщений
    Mentioned
    14 Post(s)
    Tagged
    0 Thread(s)

    По умолчанию

    я собирал этот проект и пробовал запустить. Если в нескольких словах - крайне отрицательное мнение об этом проекте. На ESP32 лучше чем ESPectrum - ничего не существует.
    p.s. Вот тут еще неск. десятков пользователей.
    https://zx-pk.com/forum/viewtopic.php?f=7&t=21761
    возможно комуу-то и нравится :0 Все познается в сравнении.
    зызы - переделывал проект ESPectrum и под эту платку, и то интереснее получается, даже с кривым цветом...
    Последний раз редактировалось zebest; 21.05.2024 в 11:56.
    Profi v3.2 -=- Speccy2010,r2

  5. #4

    Регистрация
    12.07.2005
    Адрес
    Сибирь
    Сообщений
    66
    Спасибо Благодарностей отдано 
    0
    Спасибо Благодарностей получено 
    0
    Поблагодарили
    0 сообщений
    Mentioned
    0 Post(s)
    Tagged
    0 Thread(s)

    По умолчанию

    Кхм... Как мне показалось мы говорим об одном и том же проекте в разных вариантах. Просто автор один Алекс Екб

  6. #5

    Регистрация
    12.07.2005
    Адрес
    Сибирь
    Сообщений
    66
    Спасибо Благодарностей отдано 
    0
    Спасибо Благодарностей получено 
    0
    Поблагодарили
    0 сообщений
    Mentioned
    0 Post(s)
    Tagged
    0 Thread(s)

    По умолчанию

    Повторил проект без узла считывания с магниттофона. Подскажте чем из отечественных аналогов заменить? КТ315 или 3102 пойдет?
    https://new.imagehostx.com/upload/20...1720275111.jpg

  7. #6

    Регистрация
    27.02.2005
    Адрес
    москва
    Сообщений
    14,338
    Записей в дневнике
    1
    Спасибо Благодарностей отдано 
    205
    Спасибо Благодарностей получено 
    1,497
    Поблагодарили
    974 сообщений
    Mentioned
    18 Post(s)
    Tagged
    0 Thread(s)

    По умолчанию

    точный аналог КТ504Б

  8. #7

    Регистрация
    12.07.2005
    Адрес
    Сибирь
    Сообщений
    66
    Спасибо Благодарностей отдано 
    0
    Спасибо Благодарностей получено 
    0
    Поблагодарили
    0 сообщений
    Mentioned
    0 Post(s)
    Tagged
    0 Thread(s)

    По умолчанию

    Цитата Сообщение от zebest Посмотреть сообщение
    Сказал , что транзисторы можно вообще почти любые, лишь бы проводимость соответствовала.
    Я примерно так и подумал, он же все равно работает от отсечки до насыщения. Но думал все же что-то от h21э зависит (коэффициента передачи тока)


    Цитата Сообщение от goodboy Посмотреть сообщение
    точный аналог КТ504Б
    Гугль говорит (точнее кто-то на формуме что какой-то КТ6**)

    Дляч меня что bc817 что КТ504 однохренственно - так как их у меня нет, а выписывать у китайцев долго

  9. #8

    Регистрация
    11.01.2008
    Адрес
    Ладошкино
    Сообщений
    1,814
    Записей в дневнике
    4
    Спасибо Благодарностей отдано 
    390
    Спасибо Благодарностей получено 
    341
    Поблагодарили
    246 сообщений
    Mentioned
    14 Post(s)
    Tagged
    0 Thread(s)

    По умолчанию

    В крайнем видео (на днях) "исходный" автор собирал очередной "zx менее 5$" и там читалка вообще на кт315 была. Сказал , что транзисторы можно вообще почти любые, лишь бы проводимость соответствовала.
    Profi v3.2 -=- Speccy2010,r2

Информация о теме

Пользователи, просматривающие эту тему

Эту тему просматривают: 1 (пользователей: 0 , гостей: 1)

Похожие темы

  1. Светлячок (Firefly) - очередной клон ZX Spectrum128
    от IanPo в разделе Клоны на ПЛИС, МК и БМК
    Ответов: 12
    Последнее: 06.08.2025, 17:31
  2. Zx spectrum128, CP/M 2.2 и терминал на STM32F407
    от sdima1357 в разделе Эмуляторы
    Ответов: 6
    Последнее: 15.03.2021, 22:34
  3. Клон Колер
    от newart в разделе Несортированное железо
    Ответов: 0
    Последнее: 20.07.2013, 20:10
  4. Неизвестный клон ZX
    от MacSys в разделе Несортированное железо
    Ответов: 15
    Последнее: 15.06.2009, 21:05

Ваши права

  • Вы не можете создавать новые темы
  • Вы не можете отвечать в темах
  • Вы не можете прикреплять вложения
  • Вы не можете редактировать свои сообщения
  •