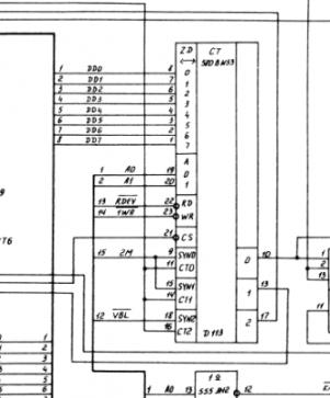
Попробовал разобраться с тем, как все-таки работает таймер в Корвете. Обнаружил, что информация противоречивая.На схемах МГУ, в техническом описании и в альбоме схем на вход CLK2 (синхроимпульцы канала 2) подаётся сигнал VBL с частотой 50 Гц (частота растра) - это очень странно, 50 - это довольно большое число для такого случая. Но в технической документации с http://pk8020.narod.ru/s2-techinfo.html от 1989 там сигнал HBL c частотой 15.244 КГц - это скорее строчная развертка. Может кто-нибудь знает, в чем тут дело? Неужели на разных Корветах это было сделано по-разному?




На схемах МГУ, в техническом описании и в альбоме схем на вход CLK2 (синхроимпульцы канала 2) подаётся сигнал VBL с частотой 50 Гц (частота растра) - это очень странно, 50 - это довольно большое число для такого случая. Но в технической документации с
Ответить с цитированием
Размещение рекламы на форуме способствует его дальнейшему развитию 


