Помогите разобраться с сигналами, подключения по схеме кая, контроллер клавиатуры на Мега48 от кая для пентагона.
Куда подать сигналы со знаком? В пентагоне по схеме я их не нашел.
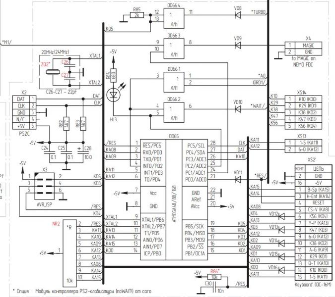
Сигналы беру из разъема клавиатуры
Пентагон / Кай / Ленинград -2
KA0/KA8/A8
KA1/KA9/A9
KA2/KA10/A10
KA3/KA11/A11
KA4/KA12/A12
KA5/KA13/A13
KA6/KA14/A14
KA7/KA15/A15
KD0/KD0/KL0
KD1/KD1/KL1
KD2/KD2/KL2
KD3/KD3/KL3
KD4/KD4/KL4
Сигналы беру частично от ног процессора
?/Турбо
Magic/Magic/ R1
Wait/Wait/ DD22 6 Н.
A0/A0 / никуда не подключил, сигнал на плате контроллера висит на GND
M1/M1/ 27 Н CPU
?/IORD1/11нDD19
Фузы
Для установки в пентагон, разъем J1 должен припаиваться с обратной стороны платы, разъем можно ставить как угловой, так и прямой.
Контроллер предназначен для расширения возможностей компьютера - "пентагон 128" и остальных совместимых с zx spectrum компьютером.
Можно установить 2-х рядные штырьки или Разъем PBD-34 (2х17(м) для пайки на плату).
прошивка для контроллера
Схема на контроллер, спасибо Mor-Da за схему. http://zx-pk.ru/showpost.php?p=817865&postcount=116




Ответить с цитированием
Размещение рекламы на форуме способствует его дальнейшему развитию 


