User Tag List

Страница 1 из 2 12 ПоследняяПоследняя
Показано с 1 по 10 из 12

Тема: Партнер 01.01 ремонт блока питания (1П5 087 030Э3)

  1. #1

    Регистрация
    27.08.2019
    Адрес
    г. Ростов-на-Дону
    Сообщений
    1,034
    Спасибо Благодарностей отдано 
    467
    Спасибо Благодарностей получено 
    194
    Поблагодарили
    125 сообщений
    Mentioned
    1 Post(s)
    Tagged
    0 Thread(s)

    По умолчанию Партнер 01.01 ремонт блока питания (1П5 087 030Э3)

    Доброго времени друзья ! Недавно отремонтировал вычислительный блок Партнера 01.01, и теперь, чтобы машина имела историческую аутентичность - нужно отремонтировать блок питания. Честно говоря, опыта в ремонте импульсных блоков у меня крайне мало. Да и сам блок ведет себя очень странно. Нужна помощь. Имеются все необходимые приборы.

    Первые включения блок запускался, под нагрузкой тоже. Что было на выходах я к сожалению не посмотрел. Решил сразу поменять все конденсаторы, обычно я это делаю сразу. После замены конденсаторов блок продолжил запускаться без нагрузки, на выходе вместо 5 вольт было +17 ... Под нагрузкой блок уходил в защиту, снова запускался, снова в защиту и так в бесконечном цикле, с частотой примерно около секунды. Вчера нагрузил на него лампочку автомобильную, 20 ватт, с лампочкой он не запустился вообще, тогда я включил его без нагрузки, и подключил к нему лампочку. Блок проработал примерно 5 секунд, лампа, как и положено при 5 вольтах - светила примерно в пол накала. После блок выключился, и теперь он чаще не запускается совсем, один или два раза запустился без нагрузки с 17 вольтами на выходе, а не редко "тикает" , ощущение что запуска нет, и пытается повторно. частота примерно четверть секунды.

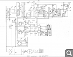
    Вот схема блока:



    Смотрел осциллографом, на V4,V5 есть генерация, но слабенькая, на стабилитроне V1 обычно 2,4 вольта. На диодном мосте после T1 (V12...15) есть порядка 2,4 вольта. Когда запускался, точнее перед запуском напряжение на V1 и на выходе V12...15 поднималось до 19 вольт, и после запуска блока на V1 падало до 2,4. Сейчас когда запускается тоже перед запуском на V1 поднимается до 19 вольт, на сколько я понимаю, это правильно, предполагаю, что схема на v2,v3,v4,v5 это генератор запуска, но не понятно, по какой цепи он должен выклюситься или уменьшить напряжение после запуска основной схемы.. Все полупроводниковые элементы схемы, кроме микросхем, проверял, кроме может двунаправленных стабилитронов, их проверить не реально. Стабилитрон КС520В поменял, на другой, на котором было написано направление диода, ибо по родному не нашел документацию, что обозначает срез на его корпусе, анод или катод.

    Подскажите пожалуйста, куда копать? Может ли такое быть, что замена конденсаторов сильно поменял параметры блока, и теперь его просто нужно настраивать при помощи 3х подстроечников которые есть в схеме ?
    Последний раз редактировалось electroscat; 07.04.2021 в 20:01.

  2. #1
    С любовью к вам, Yandex.Direct
    Размещение рекламы на форуме способствует его дальнейшему развитию

  3. #2

    Регистрация
    30.12.2018
    Адрес
    г. Москва
    Сообщений
    1,375
    Спасибо Благодарностей отдано 
    11
    Спасибо Благодарностей получено 
    384
    Поблагодарили
    346 сообщений
    Mentioned
    1 Post(s)
    Tagged
    0 Thread(s)

    По умолчанию

    Цитата Сообщение от electroscat Посмотреть сообщение
    Смотрел осциллографом, на V4,V5 есть генерация, но слабенькая, на стабилитроне V1 обычно 2,4 вольта. На диодном мосте после T1 (V12...15) есть порядка 2,4 вольта. Когда запускался, точнее перед запуском напряжение на V1 и на выходе V12...15 поднималось до 19 вольт, и после запуска блока на V1 падало до 2,4. Сейчас когда запускается тоже перед запуском на V1 поднимается до 19 вольт, на сколько я понимаю, это правильно, предполагаю, что схема на v2,v3,v4,v5 это генератор запуска, но не понятно, по какой цепи он должен выклюситься или уменьшить напряжение после запуска основной схемы..
    скорее всего что-то вокруг V2-V3

    Цитата Сообщение от electroscat Посмотреть сообщение
    Все полупроводниковые элементы схемы, кроме микросхем, проверял, кроме может двунаправленных стабилитронов, их проверить не реально. Стабилитрон КС520В поменял, на другой, на котором было написано направление диода, ибо по родному не нашел документацию, что обозначает срез на его корпусе, анод или катод.

    Подскажите пожалуйста, куда копать? Может ли такое быть, что замена конденсаторов сильно поменял параметры блока, и теперь его просто нужно настраивать при помощи 3х подстроечников которые есть в схеме ?
    что на С17 происходит? от него питается задающий генератор (D1) и схема обратной связи по +5В (D2). схема между V12-V15 и V30 - защита по току. плюс на схеме как минимум у верхнего вывода С22 (а похоже еще и у нижнего вывода С10) не хватает точек на пересечении проводов.

    Зверинецъ

    Специалист (был когда-то "совсем стандарт") - 1988-2023
    Ленинград1 +256К +AY+BDI+VGA выход +Ethernet (Speccyboot) +Xmodem (115200)+divmmc
    Ленинград2 + CF карта
    Платформа 8085+Z80+CPLD (Специалист МХ2 +SD +FDD +PS/2kbd)
    БК0010-01 стоковый
    [свернуть]

    Этот пользователь поблагодарил Serg6845 за это полезное сообщение:

    electroscat(07.04.2021)

  4. #3

    Регистрация
    27.08.2019
    Адрес
    г. Ростов-на-Дону
    Сообщений
    1,034
    Спасибо Благодарностей отдано 
    467
    Спасибо Благодарностей получено 
    194
    Поблагодарили
    125 сообщений
    Mentioned
    1 Post(s)
    Tagged
    0 Thread(s)

    По умолчанию

    Смотрел на базах, когда пытается запуститься, то там импульсы с частотой попыток запуска, то есть примерно раз в секунду. В общем, когда слышен характерный "щелчек" бывает импульс на базе VT17 b VT18, все остальное время тихо..

    Цитата Сообщение от Serg6845 Посмотреть сообщение
    схема между V12-V15 и V30 - защита по току.
    А какая роль V2-v5 + T1 , правильно ли я понимаю, что это схема запуска чтоли, после включения эта схема генерит порядка 12 вольт на схему с компараторами, а когда та запускается, и напряжения на выходе есть, тогда схема с компараторами питается через диод V16 от +12 вольт, а схема на V2-v5 + T1 должна выключиться или уйти в минимум (+2,4V, который есть всегда)? То есть при запуске схема на V2-v5 + T1 должна дать порядка до 20 вольт, чтобы через V12-V15 компараторы получили питание для запуска, да? Мне интересна цепь, по которой схема на V2-v5 + T1 получает команду - не генерить в полную силу...

    Цитата Сообщение от Serg6845 Посмотреть сообщение
    плюс на схеме как минимум у верхнего вывода С22 (а похоже еще и у нижнего вывода С10) не хватает точек на пересечении проводов.
    Да, эти два конденсатора меня тоже насторожили, 100% там точек не хватает, и в первом и во втором случае..

    - - - Добавлено - - -

    Откинул V19, думал может дальнейшая схема сильно потребляет, решил освободить схему на V2-v5 + T1 от нагрузки, ничего не поменялось, схема после диодного моста дает 2,4 вольта... Хотя в максимуме для запуска должна давать до 20 вольт, 20 вольт ограничивается стабилитроном V1. Генерация есть, но как в дежурке стоит, 2,4 вольта, вместо 18 на питание компараторов.

    - - - Добавлено - - -

    Проверил, в девайсе именно так, С10 на общем, а С22 на плюс 5В, поправил схемку, и на всякий случай спецификацию заскринил:



    - - - Добавлено - - -

    Цитата Сообщение от Serg6845 Посмотреть сообщение
    что на С17 происходит? от него питается задающий генератор (D1) и схема обратной связи по +5В (D2).
    На С17 постоянка, 0,8 вольта. С запуска и до выключения. Когда мерял, вдруг блок начал запускаться, когда блок запускается на С7 +18 вольт, на выходе (+5в) без нагрузки +16В... Блок запустился раз 8 подряд, после чего снова перестал, на С17 0,8 вольта.. Последующие измерения и легкие прогибания платы не привели ни к каким результатам. Блок не запускается.

    - - - Добавлено - - -

    Не понимаю, по каким законам блок запускается, пропаял почти всю плату, толку пока нету. После одного из удачных запусков померял напряжение без нагрузки +16В и прицепил на +5В шину лампу +12В 20W - под нагрузкой блок стал "свистеть" гораздо меньше, и на выходе было 6,5 вольта.. Лампа светилась в пол накала. Работал до того как я его выключил, минут 10.. То есть, нагрузку держит, когда включается.
    Последний раз редактировалось electroscat; 07.04.2021 в 20:57.

  5. #4

    Регистрация
    30.12.2018
    Адрес
    г. Москва
    Сообщений
    1,375
    Спасибо Благодарностей отдано 
    11
    Спасибо Благодарностей получено 
    384
    Поблагодарили
    346 сообщений
    Mentioned
    1 Post(s)
    Tagged
    0 Thread(s)

    По умолчанию

    Цитата Сообщение от electroscat Посмотреть сообщение
    А какая роль V2-v5 + T1 , правильно ли я понимаю, что это схема запуска чтоли, после включения эта схема генерит порядка 12 вольт на схему с компараторами, а когда та запускается, и напряжения на выходе есть, тогда схема с компараторами питается через диод V16 от +12 вольт, а схема на V2-v5 + T1 должна выключиться или уйти в минимум (+2,4V, который есть всегда)? То есть при запуске схема на V2-v5 + T1 должна дать порядка до 20 вольт, чтобы через V12-V15 компараторы получили питание для запуска, да? Мне интересна цепь, по которой схема на V2-v5 + T1 получает команду - не генерить в полную силу...
    похоже на то. С2 заряжается через R7R8, как дойдет до открытия V1 - откроется ключ на V2V3, генератор на V4V5 начинает генерить пока есть заряд в С2. как заряд кончился - остаются те самые 2.4В на которые хватает тока через R7R8.

    Цитата Сообщение от electroscat Посмотреть сообщение
    На С17 постоянка, 0,8 вольта. С запуска и до выключения. Когда мерял, вдруг блок начал запускаться, когда блок запускается на С7 +18 вольт, на выходе (+5в) без нагрузки +16В... Блок запустился раз 8 подряд, после чего снова перестал, на С17 0,8 вольта.. Последующие измерения и легкие прогибания платы не привели ни к каким результатам. Блок не запускается.
    Не понимаю, по каким законам блок запускается, пропаял почти всю плату, толку пока нету. После одного из удачных запусков померял напряжение без нагрузки +16В и прицепил на +5В шину лампу +12В 20W - под нагрузкой блок стал "свистеть" гораздо меньше, и на выходе было 6,5 вольта.. Лампа светилась в пол накала. Работал до того как я его выключил, минут 10.. То есть, нагрузку держит, когда включается.
    думаю надо смотреть как раз цепи слева от Т1. может С2 хреновый попался? или V1 не с тем напряжением?

    а потом уже разбираться со стабилизацией...

    можно посмотреть осциллографом что происходит на С2 при включении питания - если я правильно понял - будет заряд до напряжения срабатывания V1, потом разряд до 2.4В. только там развязки с сетью нет, так что аккуратно - у современных осциллографов часто минус входных разъемов прямо на земле сетевой вилки сидит...
    Последний раз редактировалось Serg6845; 07.04.2021 в 21:18.

    Зверинецъ

    Специалист (был когда-то "совсем стандарт") - 1988-2023
    Ленинград1 +256К +AY+BDI+VGA выход +Ethernet (Speccyboot) +Xmodem (115200)+divmmc
    Ленинград2 + CF карта
    Платформа 8085+Z80+CPLD (Специалист МХ2 +SD +FDD +PS/2kbd)
    БК0010-01 стоковый
    [свернуть]

    Этот пользователь поблагодарил Serg6845 за это полезное сообщение:

    electroscat(07.04.2021)

  6. #5

    Регистрация
    27.08.2019
    Адрес
    г. Ростов-на-Дону
    Сообщений
    1,034
    Спасибо Благодарностей отдано 
    467
    Спасибо Благодарностей получено 
    194
    Поблагодарили
    125 сообщений
    Mentioned
    1 Post(s)
    Tagged
    0 Thread(s)

    По умолчанию

    Цитата Сообщение от Serg6845 Посмотреть сообщение
    похоже на то. С2 заряжается через R7R8, как дойдет до открытия V1 - откроется ключ на V2V3, генератор на V4V5 начинает генерить пока есть заряд в С2. как заряд кончился - остаются те самые 2.4В на которые хватает тока через R7R8.

    думаю надо смотреть как раз цепи слева от Т1. может С2 хреновый попался? или V1 не с тем напряжением?
    С2 поменял, на новый, точнее даже на 2, первый, ради эксперимента повесил 470Х63, после как на схеме 220Х63.. Результат увы не проявился. Пробовал пропаять и прозвонить R7,R8 - там все норм. На всякий случай поменял С1. С3 новый 10мкф стоит, на всякий случай его поменял.


    Цитата Сообщение от Serg6845 Посмотреть сообщение
    можно посмотреть осциллографом что происходит на С2 при включении питания - если я правильно понял - будет заряд до напряжения срабатывания V1, потом разряд до 2.4В. только там развязки с сетью нет, так что аккуратно - у современных осциллографов часто минус входных разъемов прямо на земле сетевой вилки сидит...
    Осциллограф далеко не современный, скорее музейный экспанат, ло-70.. Посмотреть на нем до скольки поднимается напряжение не реально, у него даже градуировки на экране нету, можно только увидеть сигнал. Тем не менее, посмотрел, выглядит напряжение на С2 сначала как экспоненциальная кривая, в течении 0,3 сек, а потом резко вниз и ровная. До скольки поднимается, мультиметр показвывает где то в районе 10 вольт. Почему так, не понятно, может не успевает снимать, а может что то еще. Так же заметил, что скачек происходит иногда при включении, если подождать когда все разрядится... Если не разрядилось, то не скачет при включении.

    По поводу не того напряжения стабилиьтрона, стабилитрон так же называется, КС520В, только в другом корпусе. В целом, разобрался и вернул старый, то есть родной, то же самое.

    - - - Добавлено - - -

    По поводу С2, интересно, разряжается моментально... я думал он какое то время работает, а потом, когда уже 100% компараторы заработали и появились напряжения на выходе - "поджиг" тушится... А тут, к сожалению, не реально понять до скольки заряжается С2, но думаю, что вполне может и до +18...+21 - напряжения стабилизации V1. Но так как мультиметр видит что либо что стоит на месте хотя бы пол секунды, то не понятно, до куда поднимается напряжение. Факт в том, что даже если оно поднимается до +20, этого короткого мига не хватает для запуска компараторов. Ну и исследовать вариант, когда блок завелся - не удалось, с последнего раза, описанного тут, он ни разу не запустился больше.

    - - - Добавлено - - -

    Ну и еще, появилась идея, может кто то из транзисторов под нагрузкой начинает себя не адекватно вести и резко разряжает C2... Пару раз встречал такое поведение транзисторов, звонились вполне адекватно, но это крайне редкий вариант... Имею в виду, то что очевидно, заряженный конденсатор какое то время таки должен питать схему.. Завтра еще посмотрю как ведет себя сигнал на обмотках T1, в какой момент появляется генерация, на сколько увеличивается и как спадает.

  7. #6

    Регистрация
    27.08.2019
    Адрес
    г. Ростов-на-Дону
    Сообщений
    1,034
    Спасибо Благодарностей отдано 
    467
    Спасибо Благодарностей получено 
    194
    Поблагодарили
    125 сообщений
    Mentioned
    1 Post(s)
    Tagged
    0 Thread(s)

    По умолчанию

    Создается ощущение, что "зажигалка" работает, а задающему генератору этого не хватает для запуска. Генерации нет, пока не накопится напряжение стабилизации на конденсаторе, после, генератор запускается, конденсатор практически моментально разряжается, и далее генерит 2,4 вольта переменки, которые после T1 и диодного моста становятся около 2 вольт постоянки. Запуска задающего генератора не происходит. Попробовал подать принудительно 16 вольт на выход диодного моста, V12...15 - реакции ни какой. Напряжение источника с 16в упало до 11... Правда источник 16 вольт составной, и может быть слабеньким... Тем не менее.. Ну то есть, по идее, подача принудительно 16 вольт на +\- V12...15 должно было запустить задающий генератор, и соответственно питание задающего генератора от выходного напряжения (до стабилизатора 12в) +18в.. но увы... Ножет конечно мой источник оказался крайне слабым, и его падение до 11 вольт на нагрузке не дает возможности запуститься задающему генератору,... попробую еще раз, есть источник 19 вольт по мощьнее...

    А, и еще, для того чтобы исключить неисправность стабилитрона КС520В (20в), поставил последовательно два по 12 вольт, все отрабатывает, мультиметром вижу срабатывание при 20 вольтах, учитывая что мультиметр отрабатывает одно измерение в пол секунды, а нарастание происходит в течении трети секунды, то результат нормальный, в целом, получается что стабилитрон не причем,.

    - - - Добавлено - - -

    Да, принудительно не получается, источник импульсный, очень мошьный, минимальное напряжение 20 вольт. при подаче блок напрягается не на шутку, и включает ветнилятор на полную мошьность, при этом, напряжение падает до 19,6 что в целом нормально. Нужно наверное искать где то сопли в схеме генератора, потому что иногда ведь запускается... Хотя... последний раз запускался, давно, я это тут выше описывал... Видимо большое потребление где то на территории схемы генератора обуславливает моментальный разряд "зажигалки".. Хотя тут вопрос спорный, я откидывал сегодня V12...15 от нагрузки, и не заметил, чтобы в холостую "зажигалка" работала хоть немного дольше. Сразу после срабатывания стабилитрона и начала генерации все приходит к 2,4 вольтам...

    Ну должна же схема запускаться от принудительной подачи +19 вольт ?, вроде нет причин не запуститься если устройство исправное...

    - - - Добавлено - - -

    Осмысленные действия у меня на данный момент закончились, если кто то что то может посоветовать, прошу, пишите. На днях найду пару 554СА3, думаю, такое действие вряд ли к чему то приведет, тем не менее, это не трудно, поменять пару микросхем на не использованные, а за одно, посмотрю под микросхемами на предмет окислов и повреждений дорожек. Поставлю микросхемы на панели, чтобы, в случае бесполезности действия вернуть обратно проверенные родные и настроенные в данной схеме... Ну и в целом, вдруг выстрелит.. Все полупроводниковые приборы исправные, кроме микросхем, конденсаторы почти все новые, а те что не новые - проверенные,... коротышей и соплей нет, что еще можно поменять, кроме микросхем, не знаю...

    - - - Добавлено - - -

    Еще вопрос, может у кого то есть рабочий блок на продажу, такой же, без оптопары, рассматриваю вариант приобретения, как крайнюю меру. Лимит времени на этот комп уже давно иссяк, на восстановление самого Партнера и переделку его видеосигнала под GBS8220 ушёл почти месяц, тратить еще хотя бы пару недель на блок питания не вижу смысла...
    Последний раз редактировалось electroscat; 08.04.2021 в 21:58.

  8. #7

    Регистрация
    30.12.2018
    Адрес
    г. Москва
    Сообщений
    1,375
    Спасибо Благодарностей отдано 
    11
    Спасибо Благодарностей получено 
    384
    Поблагодарили
    346 сообщений
    Mentioned
    1 Post(s)
    Tagged
    0 Thread(s)

    По умолчанию

    Цитата Сообщение от electroscat Посмотреть сообщение
    Да, принудительно не получается, источник импульсный, очень мошьный, минимальное напряжение 20 вольт. при подаче блок напрягается не на шутку, и включает ветнилятор на полную мошьность, при этом, напряжение падает до 19,6 что в целом нормально.
    странно это, вроде некому там сильно жрать...

    Нужно наверное искать где то сопли в схеме генератора, потому что иногда ведь запускается... Хотя... последний раз запускался, давно, я это тут выше описывал... Видимо большое потребление где то на территории схемы генератора обуславливает моментальный разряд "зажигалки".. Хотя тут вопрос спорный, я откидывал сегодня V12...15 от нагрузки, и не заметил, чтобы в холостую "зажигалка" работала хоть немного дольше. Сразу после срабатывания стабилитрона и начала генерации все приходит к 2,4 вольтам...

    Ну должна же схема запускаться от принудительной подачи +19 вольт ?, вроде нет причин не запуститься если устройство исправное...
    должна. я бы отключил коллектор V39 от Т2, подал питание на V12-15 не включая сеть, убедился в наличии примерно 15В на С17 и смотрел генерацию на 9 ноге D1 - если я правильно понял как оно работает - должна быть. может придется покрутить R26, R29.

    Зверинецъ

    Специалист (был когда-то "совсем стандарт") - 1988-2023
    Ленинград1 +256К +AY+BDI+VGA выход +Ethernet (Speccyboot) +Xmodem (115200)+divmmc
    Ленинград2 + CF карта
    Платформа 8085+Z80+CPLD (Специалист МХ2 +SD +FDD +PS/2kbd)
    БК0010-01 стоковый
    [свернуть]

    Этот пользователь поблагодарил Serg6845 за это полезное сообщение:

    electroscat(09.04.2021)

  9. #8

    Регистрация
    27.08.2019
    Адрес
    г. Ростов-на-Дону
    Сообщений
    1,034
    Спасибо Благодарностей отдано 
    467
    Спасибо Благодарностей получено 
    194
    Поблагодарили
    125 сообщений
    Mentioned
    1 Post(s)
    Tagged
    0 Thread(s)

    По умолчанию

    Цитата Сообщение от Serg6845 Посмотреть сообщение
    странно это, вроде некому там сильно жрать....
    Скорее всего потребление в норме, это особенности блока, вспомнил, что он под нагрузкой всегда обороты увеличивал, а его минимум под нагрузкой около 19 вольт.



    Цитата Сообщение от Serg6845 Посмотреть сообщение
    должна. я бы отключил коллектор V39 от Т2, подал питание на V12-15 не включая сеть, убедился в наличии примерно 15В на С17 и смотрел генерацию на 9 ноге D1 - если я правильно понял как оно работает - должна быть. может придется покрутить R26, R29.
    Откинул V12-15, отсоединил вывод Т2, соединение с V39, подал на место + и - 19 вольт, на С17 примерно 14 вольт (*) - схема генератора заработала, крутить ничего не пришлось, генерация устойчивая ну и в целом, пять оборотов R26, R29 в право и влево почти не меняет ситуацию, поигрался, и вернул все на место. На V39 сигнал тоже приходит, более того, когда присоединяю к V39 обратно T2 - блок питания чувствует повышение нагрузки, на обмотке Т2 достаточно хорошая амплитуда сигнала. То есть, пока не понятно в чем проблема. Возможно все ж таки недостаточно усилий "зажигалки" для запуска системы... Еше кажется маловато на C17 - 14 вольт всего, точнее там 13,6... Где теряется почти 7 вольт ? Это работа схемы защиты по току или что то еще ?

    - - - Добавлено - - -

    Вроде как все правильно, база V19 подперта стабилитроном на 15 вольт, на эмитере 14,5, и через диод V30 еще пол вольта падает. В итоге почти 14 вольт, если быть точным 13,9. По идее все так и должно быть.

    - - - Добавлено - - -

    Припаял все на место, смотрю генерацию на 9 ноге D1 при запуске от зажигалки, и она есть, на долю секунды задающий генератор начинает генерить, но быстро перестает, потому что зажигалка разряжается, а подпитки от выходного напряжения нет. Когда отсоединен Т2 генерация более заметная. То есть, зажигалка и генератор в норме, остается выходной каскад и защита на D2... Кто то из них не дает схеме запуститься.

    - - - Добавлено - - -

    Более того, подаю принудительно вместо зажигалки 20 вольт на работающей, подключенной в сеть схеме, амплитуда колебаний на T2.3 достаточно высокая, то есть выходные напряжения должны появиться и запитать генератор, но этого не происходит. Похоже D2 тоже отпадает, потому как если бы проблемы были с ним, то на T2.3 ничего бы не подавалось...

    - - - Добавлено - - -

    Нашел причину незапуска и даже пропадания "тиков". Окисленный непропай 3й лапки трансaорматора T3, то есть, V18 висел в воздухе вместо минуса.. Пропаял, блок начал пытаться запуститься, то есть, вернулся к тому состоянию когда он "чихает", тикает но не запускается. Попытался принудительно, подавая вместо "зажигалки" 19 вольт, в итоге, даже при подаче 19 вольт блок запускается раза с пятого, предидущие 4 - просто после небольшого колебания на 9 выводе D1 - срыв генерации.. Ну и кстати, с нагрузкой вообще не запускается принудительно, только "чихает". Без нагрузки с пятого раза.. Вот такие дела. Если 19 вольт не хватает для запуска, то с "зажигалки" и подавно не запуститься... А про "под нагрузкой" вообще молчу.

    - - - Добавлено - - -

    Заметил еще, что под нагрузкой тоже не долго работает, минут через 8 снова сорвало генерацию и блок выключился. Когда подаю принудительно 19 вольт, и если не запустилась схема на D1 - то похоже срабатывает защита по току, V19 закрывается, и на С17 "0" вольт.

    - - - Добавлено - - -

    При принудительном запуске без нагрузки на выходе +5В - 17 вольт, под нагрузкой (лампа 12в 21W) на выходе +8,4 ... И какое то время схема перестала принудительно запускаться. Защита по току срабатывает раньше чем полностью запускается генератор. Теперь могу получить работу генератора только с откинутым коллектором V39 подав принудительные 19 вольт вместо зажигалки. Похоже защита по току работает не правильно, а может наоборот, потому что 8,5 вольт вместо 5 на почти максимальной нагрузке это многовато... А чем регулируются параметры выходного напряжения в этой схеме ? R26, R29?

    - - - Добавлено - - -

    Откинув защиту по току получил запускающийся принудительно блок, даже с нагрузкой, но через какое то время получил дымок из T4. Не знаю, успел ли я выключить все это до того как трансформатор подгорел. Попробовал через время включить и принудительно запустить еще раз, но уже без нагрузки. Похоже в T4 уже где то межвитковое, потому что через время дымок продолжился. Ну и вероятно защита по току срабатывала именно по причине межвиткового в T4, а может и нет. В любом случае, нужно попробовать перемотать трансформатор, и продолжить работы над восстановлением. Ну и теоретически размышляю, если срабатывала защита по току, даже без нагрузки - то по идее что то не ладно было с T4.. Возможно с этим же связано нежелание запускаться от "зажигалки", в общем, попробую размотать этот трансформатор, он вроде разборный, на болте две половинки держатся, без клея. Попробую найти проволоку нужного диаметра. Может конечно я что то не то делаю, но пока в голову другое ничего не приходит, в защите по току все элементы исправны, его постоянное срабатывание легко обьясняется межвитковым замыканием в Т4, дымок без нагрузки тем же. По этому... Похоже самое сложное, мотать трансфоматор - в переди.

    - - - Добавлено - - -

    Может будут еще какие нибудь полезные советы ? Вполне возможно что я какие то неправильные выводы сделал...
    Последний раз редактировалось electroscat; 09.04.2021 в 14:41.

  10. #9

    Регистрация
    30.12.2018
    Адрес
    г. Москва
    Сообщений
    1,375
    Спасибо Благодарностей отдано 
    11
    Спасибо Благодарностей получено 
    384
    Поблагодарили
    346 сообщений
    Mentioned
    1 Post(s)
    Tagged
    0 Thread(s)

    По умолчанию

    Цитата Сообщение от electroscat Посмотреть сообщение

    Может будут еще какие нибудь полезные советы ? Вполне возможно что я какие то неправильные выводы сделал...
    я бы еще все выпрямительные диоды справа от Т4 проверил.

    Зверинецъ

    Специалист (был когда-то "совсем стандарт") - 1988-2023
    Ленинград1 +256К +AY+BDI+VGA выход +Ethernet (Speccyboot) +Xmodem (115200)+divmmc
    Ленинград2 + CF карта
    Платформа 8085+Z80+CPLD (Специалист МХ2 +SD +FDD +PS/2kbd)
    БК0010-01 стоковый
    [свернуть]

  11. #10

    Регистрация
    27.08.2019
    Адрес
    г. Ростов-на-Дону
    Сообщений
    1,034
    Спасибо Благодарностей отдано 
    467
    Спасибо Благодарностей получено 
    194
    Поблагодарили
    125 сообщений
    Mentioned
    1 Post(s)
    Tagged
    0 Thread(s)

    По умолчанию

    Диоды в порядке, проверял. Увы, все уперлось в трансформатор. Уже размотал, действительно первичка процентов на 30 лишена изоляционного лака, ну и сам участок поврежденный было отчетливо видно. Примерно хронологию событий могу построить таким образом: когда блок еще запускался самостоятельно, возможно повреждений обмоток еще не было. Первый раз блок перестал самостоятельно запускаться, когда я к нему лампочку нагрузил и на какое то время он поработал, и сработала защита. Возможно, из за реального непропая на лапке Т3 - ток проходящий через первичную обмотку Т4 был завышенный, но какое то время это не заставляло срабатывать защиту по току. Но это приводило к суровому повышению напряжения на выходе. Это в целом привело скорее всего к разрушению почти половины микросхем самого Партнера, потому как и я его пытался включить в таком состоянии, да и продавец писал о том, что "лампочки загораются" ..... Ну и после этого начался процесс разрушения первичной обмотки Т4, с запусками стало совсем туго. Ну и далее, уже отключив защиту по току - я справоцировал ускоренное разрушение трансформатора....

    Вроде складно звучит ))) А там, покажет практика. Чуть позже опубликую параметры намотки трансформатора T4 для будущих поколений )))

    - - - Добавлено - - -

    И так, обмотки:

    На трансформаторе чтобы не перепутать полярность на выводы проволоки надеты черные и белые кембрики, в случае с последней обмоткой (5В) - синий и зеленый цвета..

    1. (первичная обмотка) Первая на каркасе, закрепляется черный провод (1) мотается против часовой стрелки 200 витков провода 01...02 мм (пока мерял штангенциркулем, померию микрометром - напишу точнее), обмотка виток к витку, получается 3 или 4 слоя, точно не помню... выводы этой обмотки находятся внизу каркаса, с соответствующей стороны (1.2.3.4.).. после намотки закрепляется белый провод на контакте (2).

    между обмотками какая то ткань, в один слой, пропитанная каким то составом, который под воздействием изопропилового спирта становится липкой...

    2. (вторичная обмотка -12V) Вторая на каркасе, закрепляется черный провод (7) мотается против часовой стрелки 33 витка провода 01...02 мм (такой же как на первичке), обмотка виток к витку, равномерно по всей высоте каркаса, выводы этой обмотки находятся внизу каркаса, с соответствующей стороны (5.6.7.8.). После намотки закрепляется белый провод на контакте (8)

    между обмотками какая то ткань, в один слой, пропитанная каким то составом, который под воздействием изопропилового спирта становится липкой...

    3. (вторичная обмотка +12V) Третья на каркасе, закрепляется черный провод (5), мотаетсяпротив часовой стрелки 41 виток провода 0,3 - 0,35 мм. Обмотка виток к витку, равномерно по всей высоте каркаса, выводы этой обмотки находятся вверху каркаса, с соответствующей стороны (5.6.7.8.). После намотки закрепляется белый провод на контакте (6). Общая протяженность провода обмотки 240 см.

    между обмотками какая то ткань, в один слой, пропитанная каким то составом, который под воздействием изопропилового спирта становится липкой...

    4. (вторичная обмотка +5V) Последняя на каркасе, закрепляется синий провод (3), мотается против часовой стрелки13 витков провода 0,75 мм. Обюмотка виток к витку по всей высоте каркаса, выводы обмотки находятся вверху каркаса с соответствующей стороны (1.2.3.4.). После намотки закрепляется зеленый провод на контакте (4). Общая протяженность провода обмотки 90 см.

    Сверху обмотки обматываются стеклотканью, в 1 слой и пропитываются все тем же составом, который под воздействием изопропанола становится липким и противным...

    Как то так.
    Последний раз редактировалось electroscat; 09.04.2021 в 17:04.

Страница 1 из 2 12 ПоследняяПоследняя

Информация о теме

Пользователи, просматривающие эту тему

Эту тему просматривают: 1 (пользователей: 0 , гостей: 1)

Похожие темы

  1. [Поиск 1] Ремонт блока питания В266
    от crackintosh в разделе Поиск
    Ответов: 19
    Последнее: 07.04.2021, 20:30
  2. Ремонт блока питания МС9022.02
    от Savoj в разделе Источники питания
    Ответов: 17
    Последнее: 29.01.2017, 19:48
  3. Ремонт импульсного блока питания
    от Sergei Frolov в разделе Агат
    Ответов: 9
    Последнее: 12.10.2016, 20:58
  4. [Поиск 1] Ремонт блока питания B271
    от Quest в разделе Поиск
    Ответов: 26
    Последнее: 29.11.2015, 02:47
  5. ремонт блока питания СМ6337 РЭ
    от Asd1995sse в разделе Источники питания
    Ответов: 11
    Последнее: 06.09.2011, 19:19

Ваши права

  • Вы не можете создавать новые темы
  • Вы не можете отвечать в темах
  • Вы не можете прикреплять вложения
  • Вы не можете редактировать свои сообщения
  •