User Tag List

Страница 6 из 7 ПерваяПервая ... 234567 ПоследняяПоследняя
Показано с 51 по 60 из 63

Тема: Готеки с новой "начинкой"

  1. #51

    Регистрация
    04.08.2005
    Адрес
    Nizhnevartovsk
    Сообщений
    1,096
    Спасибо Благодарностей отдано 
    103
    Спасибо Благодарностей получено 
    152
    Поблагодарили
    100 сообщений
    Mentioned
    2 Post(s)
    Tagged
    0 Thread(s)

    По умолчанию

    Я себе устанавливал другой rotary encoder, который по типу колеса мыши (wheel encoder). Не хотел, чтобы из устройства что-то некрасиво выпирало. Можно найти по названию EVQWKL001.
    Последний раз редактировалось Dexus; 08.03.2025 в 07:38.

    Этот пользователь поблагодарил Dexus за это полезное сообщение:

    Froggy(08.03.2025)

  2. #52

    Регистрация
    18.01.2023
    Адрес
    г. Брест, Беларусь
    Сообщений
    715
    Спасибо Благодарностей отдано 
    366
    Спасибо Благодарностей получено 
    559
    Поблагодарили
    230 сообщений
    Mentioned
    0 Post(s)
    Tagged
    0 Thread(s)

    По умолчанию

    Цитата Сообщение от Dexus Посмотреть сообщение
    Я себе устанавливал другой rotary encoder, который по типу колеса мыши (wheel encoder). Не хотел, чтобы из устройства что-то некрасиво выпирало. Можно найти по названию EVQWKL001.
    Полностью согласен с "выпиранием". Тоже не нравится.
    Сейчас паяю Готек от Richard Rozehnal, там только вывод на энкодер. В китайских платах готеков предусмотрены кнопки и энкодер по выбору.
    EVQWKL001 - хороший вариант, но вопрос как этот энкодер закрепить. Ножки там хлипкие, надо предусматривать что-то типа платы вторым этажом.



    С другой стороны, плату Готека можно разместить внутри корпуса, а платку с энкодером вынести на переднюю панель.

    Этот пользователь поблагодарил Froggy за это полезное сообщение:

    breeze(08.03.2025)

  3. #53

    Регистрация
    11.02.2005
    Адрес
    【RB】
    Сообщений
    3,896
    Спасибо Благодарностей отдано 
    148
    Спасибо Благодарностей получено 
    143
    Поблагодарили
    84 сообщений
    Mentioned
    4 Post(s)
    Tagged
    0 Thread(s)

    По умолчанию

    Цитата Сообщение от newart Посмотреть сообщение
    Так же как выбор файла.
    Хорошая попытка, но нет Файлы ты просто листаешь, и он автоматом монтруется.

    - - - Добавлено - - -

    Цитата Сообщение от Froggy Посмотреть сообщение
    EVQWKL001 - хороший вариант, но вопрос как этот энкодер закрепить. Ножки там хлипкие, надо предусматривать что-то типа платы вторым этажом.

    Девайс несомненно интересный, но чёт нигде не нашел распиновку ног? o_O

  4. #54

    Регистрация
    18.01.2023
    Адрес
    г. Брест, Беларусь
    Сообщений
    715
    Спасибо Благодарностей отдано 
    366
    Спасибо Благодарностей получено 
    559
    Поблагодарили
    230 сообщений
    Mentioned
    0 Post(s)
    Tagged
    0 Thread(s)

    По умолчанию

    Цитата Сообщение от breeze Посмотреть сообщение
    Девайс несомненно интересный, но чёт нигде не нашел распиновку ног? o_O


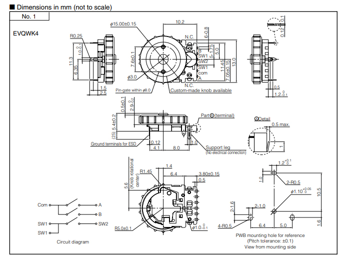
    Вот даташит:
    EVQ-WKA001.zip

    Этот пользователь поблагодарил Froggy за это полезное сообщение:

    breeze(08.03.2025)

  5. #55

    Регистрация
    11.02.2005
    Адрес
    【RB】
    Сообщений
    3,896
    Спасибо Благодарностей отдано 
    148
    Спасибо Благодарностей получено 
    143
    Поблагодарили
    84 сообщений
    Mentioned
    4 Post(s)
    Tagged
    0 Thread(s)

    По умолчанию

    Цитата Сообщение от Froggy Посмотреть сообщение
    Вот даташит:
    Хмм,… осталось самую малость Понять куда крестить A,B, SW1/2 и COM на плате Gotek.

  6. #56

    Регистрация
    02.07.2006
    Адрес
    Новосибирск
    Сообщений
    2,257
    Спасибо Благодарностей отдано 
    542
    Спасибо Благодарностей получено 
    262
    Поблагодарили
    156 сообщений
    Mentioned
    8 Post(s)
    Tagged
    0 Thread(s)

    По умолчанию

    Цитата Сообщение от breeze Посмотреть сообщение
    Файлы ты просто листаешь, и он автоматом монтруется.
    "Отожми" кнопкой выбора, будет листаться не монтируясь.
    В правильно заданном вопросе содержится половина ответа

  7. #57

    Регистрация
    11.02.2005
    Адрес
    【RB】
    Сообщений
    3,896
    Спасибо Благодарностей отдано 
    148
    Спасибо Благодарностей получено 
    143
    Поблагодарили
    84 сообщений
    Mentioned
    4 Post(s)
    Tagged
    0 Thread(s)

    По умолчанию

    Цитата Сообщение от creator Посмотреть сообщение
    "Отожми" кнопкой выбора, будет листаться не монтируясь.
    Не совсем понятно о чём речь, если на корпусе всего две кнопки вверх/вниз?

  8. #58

    Регистрация
    02.07.2006
    Адрес
    Новосибирск
    Сообщений
    2,257
    Спасибо Благодарностей отдано 
    542
    Спасибо Благодарностей получено 
    262
    Поблагодарили
    156 сообщений
    Mentioned
    8 Post(s)
    Tagged
    0 Thread(s)

    По умолчанию

    Цитата Сообщение от breeze Посмотреть сообщение
    Не совсем понятно о чём речь, если на корпусе всего две кнопки вверх/вниз?
    Она существует.
    В правильно заданном вопросе содержится половина ответа

  9. #59

    Регистрация
    18.01.2023
    Адрес
    г. Брест, Беларусь
    Сообщений
    715
    Спасибо Благодарностей отдано 
    366
    Спасибо Благодарностей получено 
    559
    Поблагодарили
    230 сообщений
    Mentioned
    0 Post(s)
    Tagged
    0 Thread(s)

    По умолчанию

    Цитата Сообщение от breeze Посмотреть сообщение
    Хмм,… осталось самую малость Понять куда крестить A,B, SW1/2 и COM на плате Gotek.
    Это лучше у Dexus спросить. Я так понял, что у него уже работает такой энкодер.

    - - - Добавлено - - -

    Цитата Сообщение от breeze Посмотреть сообщение
    Кстати вот ещё попутный вопрос, пока не было дисплея не столь актуально было. Но вот теперь, как-то можно заходить в поддиректории? как-то 100500 дискет в руте ну такоэ сибе
    У меня двухкнопочный Готек с прошивкой FF.
    В директорию [Папка] входит автоматически, если не ошибаюсь. Там такой значок [...] для корня. Становишься на папку и она открывается через одну-две секунды.
    А далее уже по файлам ходим, как обычно.
    Последний раз редактировалось Froggy; 08.03.2025 в 16:18.

    Этот пользователь поблагодарил Froggy за это полезное сообщение:

    breeze(08.03.2025)

  10. #60

    Регистрация
    26.04.2009
    Адрес
    г. Воронеж
    Сообщений
    6,504
    Спасибо Благодарностей отдано 
    331
    Спасибо Благодарностей получено 
    256
    Поблагодарили
    224 сообщений
    Mentioned
    6 Post(s)
    Tagged
    0 Thread(s)

    По умолчанию

    Цитата Сообщение от breeze Посмотреть сообщение
    Понять куда крестить A,B, SW1/2 и COM на плате Gotek.
    Мультиметром посмотреть, что замыкается на землю при вращении в одну и другую сторону и вместо кнопок.
    "Во времена всеобщей лжи говорить правду - это экстремизм" - афоризм.

Страница 6 из 7 ПерваяПервая ... 234567 ПоследняяПоследняя

Информация о теме

Пользователи, просматривающие эту тему

Эту тему просматривают: 1 (пользователей: 0 , гостей: 1)

Похожие темы

  1. Ответов: 17
    Последнее: 26.12.2015, 23:22
  2. Ответов: 51
    Последнее: 11.08.2014, 10:40
  3. Ответов: 0
    Последнее: 15.08.2010, 14:38
  4. Ответов: 6
    Последнее: 20.11.2007, 11:29

Ваши права

  • Вы не можете создавать новые темы
  • Вы не можете отвечать в темах
  • Вы не можете прикреплять вложения
  • Вы не можете редактировать свои сообщения
  •