Важная информация

User Tag List

Страница 5 из 7 ПерваяПервая 1234567 ПоследняяПоследняя
Показано с 41 по 50 из 67

Тема: РОМ картридж

  1. #41

    Регистрация
    22.02.2014
    Адрес
    г. Курган
    Сообщений
    1,706
    Спасибо Благодарностей отдано 
    275
    Спасибо Благодарностей получено 
    318
    Поблагодарили
    222 сообщений
    Mentioned
    1 Post(s)
    Tagged
    0 Thread(s)

    По умолчанию

    Цитата Сообщение от ivagor Посмотреть сообщение
    ...
    Что касается моего последнего предположения - там речь о задании в начале процедуры чтения из внешнего пзу управляющего слова ВВ55 (mvi a,82h\ out 4). Это скорее всего сбросит регистр старшей части адреса картриджа в 0, что и требуется. Возможно я еще что-то не учел, но реальщики могут попробовать.
    Теория это хорошо.
    Подтвердить или опровергнуть логические выводы сможет только практическое логирование выводов ПУ при поиске и чтении картриджа.

  2. #42

    Регистрация
    22.02.2014
    Адрес
    г. Курган
    Сообщений
    1,706
    Спасибо Благодарностей отдано 
    275
    Спасибо Благодарностей получено 
    318
    Поблагодарили
    222 сообщений
    Mentioned
    1 Post(s)
    Tagged
    0 Thread(s)

    По умолчанию

    Цитата Сообщение от surinm Посмотреть сообщение
    добрался наконец до программатора, слил прошивку, сфотал картридж. Одна ТМ9 и метровая ПЗУ - 27с801.
    ...
    А какая ПЗУ в картридже: с УФ стиранием, флешь или одноразовая ?

  3. #43

    Регистрация
    07.08.2008
    Адрес
    г. Уфа
    Сообщений
    8,396
    Спасибо Благодарностей отдано 
    765
    Спасибо Благодарностей получено 
    2,368
    Поблагодарили
    1,317 сообщений
    Mentioned
    39 Post(s)
    Tagged
    0 Thread(s)

    По умолчанию

    Судя по даташиту 27С801 бывает или одноразовая или с ультрафиолетовым стиранием. На сайте serge фото микросхемы с окошком, там ультафиолетовая, вероятно и в продаваемые картриджи такие ставит.

  4. #44

    Регистрация
    22.02.2014
    Адрес
    г. Курган
    Сообщений
    1,706
    Спасибо Благодарностей отдано 
    275
    Спасибо Благодарностей получено 
    318
    Поблагодарили
    222 сообщений
    Mentioned
    1 Post(s)
    Tagged
    0 Thread(s)

    По умолчанию

    Цитата Сообщение от ivagor Посмотреть сообщение
    Судя по даташиту 27С801 бывает или одноразовая или с ультрафиолетовым стиранием. На сайте serge фото микросхемы с окошком, там ультафиолетовая, вероятно и в продаваемые картриджи такие ставит.
    Вопрос был из чисто спортивного интересу.
    На фото на авито ПЗУ с окошком, но в даташитах видел, что бывают одноразовые, а на фото картриджа без ПЗУ видно, что есть перемычки EPROM/FLASH.
    Вот и спросил, какой вариант реально установлен.

  5. #45

    Регистрация
    07.08.2008
    Адрес
    г. Уфа
    Сообщений
    8,396
    Спасибо Благодарностей отдано 
    765
    Спасибо Благодарностей получено 
    2,368
    Поблагодарили
    1,317 сообщений
    Mentioned
    39 Post(s)
    Tagged
    0 Thread(s)

    По умолчанию

    Цитата Сообщение от KTSerg Посмотреть сообщение
    Вот и спросил, какой вариант реально установлен.
    surinm написал конкретно, что у него 27С801, флеша с таким обозначением не бывает.

  6. #46

    Регистрация
    19.12.2008
    Адрес
    Toronto
    Сообщений
    110
    Спасибо Благодарностей отдано 
    6
    Спасибо Благодарностей получено 
    0
    Поблагодарили
    0 сообщений
    Mentioned
    0 Post(s)
    Tagged
    0 Thread(s)

    По умолчанию

    Цитата Сообщение от ivagor Посмотреть сообщение
    Что касается моего последнего предположения - там речь о задании в начале процедуры чтения из внешнего пзу управляющего слова ВВ55 (mvi a,82h\ out 4). Это скорее всего сбросит регистр старшей части адреса картриджа в 0, что и требуется. Возможно я еще что-то не учел, но реальщики могут попробовать.
    из того что я увидел в кода загрузчика в начале по любому проверяется адаптер локальной сети, далее модуля пзу:
    M0084H: CALL M00D9H ; проверка локальной сети
    JNZ M0148H ; переход на адаптер локальной сети
    CALL M0138H ; проверка наличия дисковода
    JNZ M02E7H ; переход на дискету
    M0090H: CALL M00D9H
    JNZ M044BH ; переход на кассету
    CALL M0107H ; проверка наличия модуля ППЗУ
    ...
    ; проверка наличия модуля ППЗУ
    M0107H: MVI A,82H ; код управления порта
    OUT 04 ; записать в РУС
    MVI B,0FFH ;
    M010DH: MOV A,B ;
    OUT 05 ;
    MVI A,0FEH ;
    OUT 07 ;
    IN 06 ;
    CPI 55H ; проверка ключевого кода 55
    JNZ M012EH ; код не совпал
    MVI A,0FFH ;
    OUT 07 ;
    IN 06 ;
    CPI 0AAH ; проверка ключевого кода AA
    JNZ M012EH ;
    MOV A,B ;
    ANI 7FH ;
    INR A ;
    MOV D,A ;
    JMP M0136H ; МППЗУ подключен - на выход
    ..
    ; чтение программы из внешнего ППЗУ
    M0274H: LXI H,M07DEH ; рисунок ПЗУ
    MVI A,87H ; высота рисунка
    PUSH D ; сохранить DE
    CALL M06B2H ; вывод рисунка на экран
    POP D ; восстановить DE
    LXI B,0000 ;
    LXI H,8000H ;
    M0284H: MOV A,L ;
    OUT 07 ;
    MOV A,H ;
    OUT 05 ;
    IN 06 ;
    Последний раз редактировалось MAF; 06.08.2021 в 11:16.

  7. #46
    С любовью к вам, Yandex.Direct
    Размещение рекламы на форуме способствует его дальнейшему развитию

  8. #47

    Регистрация
    07.08.2008
    Адрес
    г. Уфа
    Сообщений
    8,396
    Спасибо Благодарностей отдано 
    765
    Спасибо Благодарностей получено 
    2,368
    Поблагодарили
    1,317 сообщений
    Mentioned
    39 Post(s)
    Tagged
    0 Thread(s)

    По умолчанию

    Цитата Сообщение от MAF Посмотреть сообщение
    M0107H: MVI A,82H ; код управления порта
    OUT 04 ; записать в РУС
    Я про это написал в цитируемом фрагменте.

  9. #48

    Регистрация
    19.12.2008
    Адрес
    Toronto
    Сообщений
    110
    Спасибо Благодарностей отдано 
    6
    Спасибо Благодарностей получено 
    0
    Поблагодарили
    0 сообщений
    Mentioned
    0 Post(s)
    Tagged
    0 Thread(s)

    По умолчанию

    Цитата Сообщение от ivagor Посмотреть сообщение
    Я про это написал в цитируемом фрагменте.
    это на этапе инициализации, далее я выделил фрагменты в коде, где в регистры портов пишутся значения, которые гарантировано перетрут результаты инициализации:
    MVI B,0FFH ;
    MOV A,B ;
    OUT 05 ;
    MVI A,0FEH ;
    OUT 07 ;

    и

    LXI H,8000H ;
    MOV A,L ;
    OUT 07 ;
    MOV A,H ;
    OUT 05 ;

    Или вы о другом?
    P.S. схему так никто не срисовал?

  10. #49

    Регистрация
    07.08.2008
    Адрес
    г. Уфа
    Сообщений
    8,396
    Спасибо Благодарностей отдано 
    765
    Спасибо Благодарностей получено 
    2,368
    Поблагодарили
    1,317 сообщений
    Mentioned
    39 Post(s)
    Tagged
    0 Thread(s)

  11. #50

    Регистрация
    02.01.2007
    Адрес
    Волгоград, Россия
    Сообщений
    1,454
    Спасибо Благодарностей отдано 
    196
    Спасибо Благодарностей получено 
    161
    Поблагодарили
    99 сообщений
    Mentioned
    5 Post(s)
    Tagged
    0 Thread(s)

    По умолчанию

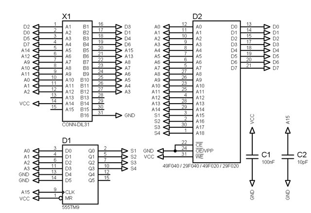
    Я правильно понял - картридж для "Вектора" сделан по тому же принципу, что и для "Апогея", с той разницей, что у 555ТМ9 использованы 5 разрядов для адресов ПЗУ А15-А19?

    Пока что схему представляю так:
    Порт А - адреса А0-А7 ПЗУ
    Порт В - данные ПЗУ
    Порт С - А0-А6 - адреса А8-А14 ПЗУ, А7 - тактирование (защёлкивание) 555ТМ9
    Входы D0-D4 ТМ9 подключены к адресам А0-А4 ПЗУ, выходы Q0-Q4 подключены к адресам А15-А19 АЗУ

    Из сообщения https://zx-pk.ru/threads/33511-rom-k...=1#post1125162 непонятно "при старшем бите адреса (порты 5 и 7)=1 задается адрес внутри 32 Кб блока, при старшем бите=0 задается номер 32 Кб блока.". - вот это не очень понял. Возможно, потому, что неправильно представляю схему картриджа. Поясните, пожалуйста.

    И правильно ли я понял, что в картридже программы находятся в том же сжатом формате, что и в картридже "Апогея"? Т.е. можно использовать упаковщик от "Апогея"?

    Картридж "Апогея":

    Скрытый текст

    Нажмите на изображение для увеличения. 

Название:	Apogee_ROM_disk.jpg 
Просмотров:	138 
Размер:	57.4 Кб 
ID:	77432
    [свернуть]

Страница 5 из 7 ПерваяПервая 1234567 ПоследняяПоследняя

Информация о теме

Пользователи, просматривающие эту тему

Эту тему просматривают: 1 (пользователей: 0 , гостей: 1)

Похожие темы

  1. Платы ром-диска "Орион-128"
    от AL.EX в разделе Барахолка (архив)
    Ответов: 45
    Последнее: 10.06.2012, 12:54
  2. Продам чистую плату РОМ-диска для Орион-128
    от AHTuXPuCT в разделе Барахолка (архив)
    Ответов: 6
    Последнее: 31.12.2010, 13:21
  3. Ответов: 22
    Последнее: 05.04.2010, 08:57
  4. Ответов: 8
    Последнее: 18.12.2008, 12:20

Ваши права

  • Вы не можете создавать новые темы
  • Вы не можете отвечать в темах
  • Вы не можете прикреплять вложения
  • Вы не можете редактировать свои сообщения
  •