Важная информация

User Tag List

Страница 2 из 9 ПерваяПервая 123456 ... ПоследняяПоследняя
Показано с 11 по 20 из 87

Тема: Реплика платы герконовой клавиатуры Вектора (улучшенная)

  1. #11

    Регистрация
    20.06.2007
    Адрес
    С.-Петербург
    Сообщений
    4,299
    Спасибо Благодарностей отдано 
    1,028
    Спасибо Благодарностей получено 
    812
    Поблагодарили
    484 сообщений
    Mentioned
    26 Post(s)
    Tagged
    0 Thread(s)

    По умолчанию

    Цитата Сообщение от Improver Посмотреть сообщение
    Может стоит сделать также и на Вектор? Или смысла нет менять схему?
    Для клавиатуры, на которой предстоит набрать D ВК и положить ее на полку я считаю это обязательно.
    Больше игр нет

  2. #12

    Регистрация
    06.02.2018
    Адрес
    г. Волгоград
    Сообщений
    1,060
    Спасибо Благодарностей отдано 
    578
    Спасибо Благодарностей получено 
    468
    Поблагодарили
    251 сообщений
    Mentioned
    2 Post(s)
    Tagged
    0 Thread(s)

    По умолчанию

    Цитата Сообщение от andreysur Посмотреть сообщение
    При метрической сетке технологичнее сделать размер 16,25мм, тогда все отверстия находятся на осях с шагом сетки 0,25мм.
    Вообще, китайцам, кто будет изготавливать плату, это совершенно неважно, но я исправлю размер на 16,25мм -- там всего-то одно отверстие подвинуть. Спасибо Вам за замечание, может так легче будет потом кнопки ставить.

    Цитата Сообщение от andreysur Посмотреть сообщение
    Такие большие размеры, как мне кажется, связаны с тем, чтобы было легче устанавливать кнопки – надо совмещать сразу 4 вывода с центральным отверстием.
    Да, при больших партиях выпуска, или при автоматизированной сборке это важно, а при ручной единичной, думаю, установить кнопки будет не сложнее, чем вставить в плату все выводы разъёма СНП34-90. У меня на это недавно ушло не меньше получаса, кстати.

    Цитата Сообщение от andreysur Посмотреть сообщение
    Например, размеры для левого лепестка указаны дважды: КХ+ШО и КО+КР
    Согласен. Я это сделал специально, для контроля измерений.

    Цитата Сообщение от andreysur Посмотреть сообщение
    Все размеры - от края кнопки?!!
    Я понимаю, что базой при установке кнопки будет не край, а центральный штырь, но от края блока легче измерить, чем от мнимой оси. А если измерять посадочное место на готовой плате, то там ситуация меняется, там я измерения начинал от края центрального отверстия.

    Цитата Сообщение от andreysur Посмотреть сообщение
    И то, что лепестки изогнуты и так выполнен “чертёж» - я уже отмечал.
    Такая уж фотка мне попалась... Но Игорь же понял, какой размер нужен, так что не волнуйтесь по этому поводу. В скором времени, надеюсь, у меня будут живые ПКМ-1Б, тогда ещё раз всё перепроверю и максимально учту все замечания и предложения по плате, высказанные тут.

  3. #13

    Регистрация
    02.07.2016
    Адрес
    г. Сороки, Молдова
    Сообщений
    346
    Спасибо Благодарностей отдано 
    0
    Спасибо Благодарностей получено 
    129
    Поблагодарили
    101 сообщений
    Mentioned
    0 Post(s)
    Tagged
    0 Thread(s)

    По умолчанию

    Цитата Сообщение от Improver Посмотреть сообщение
    У меня на это недавно ушло не меньше получаса, кстати.
    Вот-вот! Особенно, когда один ряд кнопок стоит и надо устанавливать следующий!
    Вспоминаю установку м/с 145-й серии в калькуляторах - 4 ряда пружинящих выводов, это было что-то!
    Последний раз редактировалось andreysur; 24.12.2021 в 16:54.

  4. #14

    Регистрация
    28.03.2006
    Адрес
    Санкт-Петербург
    Сообщений
    2,776
    Спасибо Благодарностей отдано 
    553
    Спасибо Благодарностей получено 
    200
    Поблагодарили
    138 сообщений
    Mentioned
    2 Post(s)
    Tagged
    0 Thread(s)

    По умолчанию

    (простите, если оффтопик) но я недавно узнал о существовании колпачков для Cherry MX серий XDA и DSA. Выглядят довольно близко к страшненьким советским колпачкам.

  5. #15

    Регистрация
    20.06.2007
    Адрес
    С.-Петербург
    Сообщений
    4,299
    Спасибо Благодарностей отдано 
    1,028
    Спасибо Благодарностей получено 
    812
    Поблагодарили
    484 сообщений
    Mentioned
    26 Post(s)
    Tagged
    0 Thread(s)

    По умолчанию

    Цитата Сообщение от tnt23 Посмотреть сообщение
    (простите, если оффтопик) но я недавно узнал о существовании колпачков для Cherry MX серий XDA и DSA. Выглядят довольно близко к страшненьким советским колпачкам.
    Но Kailh Choc low profile еще ближе.
    Больше игр нет

    Этот пользователь поблагодарил svofski за это полезное сообщение:

    tnt23(24.12.2021)

  6. #16

    Регистрация
    06.02.2018
    Адрес
    г. Волгоград
    Сообщений
    1,060
    Спасибо Благодарностей отдано 
    578
    Спасибо Благодарностей получено 
    468
    Поблагодарили
    251 сообщений
    Mentioned
    2 Post(s)
    Tagged
    0 Thread(s)

    По умолчанию

    Цитата Сообщение от tnt23 Посмотреть сообщение
    (простите, если оффтопик) но я недавно узнал о существовании колпачков для Cherry MX серий XDA и DSA. Выглядят довольно близко к страшненьким советским колпачкам.
    Это не оффтопик -- рано или поздно кому-нибудь понадобятся колпачки и для Cherry MX, раз уж предусматриваем возможность их установки.

  7. #16
    С любовью к вам, Yandex.Direct
    Размещение рекламы на форуме способствует его дальнейшему развитию

  8. #17

    Регистрация
    02.07.2016
    Адрес
    г. Сороки, Молдова
    Сообщений
    346
    Спасибо Благодарностей отдано 
    0
    Спасибо Благодарностей получено 
    129
    Поблагодарили
    101 сообщений
    Mentioned
    0 Post(s)
    Tagged
    0 Thread(s)

    По умолчанию

    Не нашёл размеры колпачков для Cherry MX серий XDA и DSA. По поводу Kailh Choc low profile. Т.к. предполагается замена клавиатуры в корпусе "Вектора", то есть нюансы - эти кнопки низкопрофильные, колпачки не квадратные и меньшие по размеру (17,5х16,5мм, в Векторе 19х19мм), будут большие зазоры между ними.

  9. #18

    Регистрация
    28.03.2006
    Адрес
    Санкт-Петербург
    Сообщений
    2,776
    Спасибо Благодарностей отдано 
    553
    Спасибо Благодарностей получено 
    200
    Поблагодарили
    138 сообщений
    Mentioned
    2 Post(s)
    Tagged
    0 Thread(s)

    По умолчанию

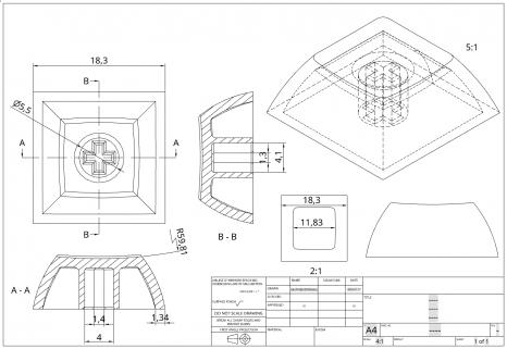
    Нашел чертеж DSA
    Миниатюры Миниатюры Нажмите на изображение для увеличения. 

Название:	dsa.jpg 
Просмотров:	81 
Размер:	24.3 Кб 
ID:	76734  

  10. #19

    Регистрация
    20.06.2007
    Адрес
    С.-Петербург
    Сообщений
    4,299
    Спасибо Благодарностей отдано 
    1,028
    Спасибо Благодарностей получено 
    812
    Поблагодарили
    484 сообщений
    Mentioned
    26 Post(s)
    Tagged
    0 Thread(s)

    По умолчанию

    andreysur, подстава..
    Больше игр нет

  11. #20

    Регистрация
    09.03.2011
    Адрес
    Краснодар
    Сообщений
    86
    Спасибо Благодарностей отдано 
    16
    Спасибо Благодарностей получено 
    4
    Поблагодарили
    4 сообщений
    Mentioned
    0 Post(s)
    Tagged
    0 Thread(s)

    По умолчанию

    Цитата Сообщение от Improver Посмотреть сообщение
    Такая уж фотка мне попалась... Но Игорь же понял, какой размер нужен, так что не волнуйтесь по этому поводу. В скором времени, надеюсь, у меня будут живые ПКМ-1Б, тогда ещё раз всё перепроверю и максимально учту все замечания и предложения по плате, высказанные тут.
    Да, я очень настоятельно предлагаю все-таки дождаться посылки с блоками и обмерить несколько (!) блоков по факту (я еще тот "замерщик")), чтобы посмотреть насколько гуляют (или нет)) размеры. В любом случае, отверстия лучше сделать чуть больше.

    Цитата Сообщение от tnt23 Посмотреть сообщение
    (простите, если оффтопик) но я недавно узнал о существовании колпачков для Cherry MX серий XDA и DSA. Выглядят довольно близко к страшненьким советским колпачкам.
    А надписи как на них можно нанести?
    Последний раз редактировалось Андрианов Игорь; 24.12.2021 в 19:54.
    С уважением, Андрианов Игорь

Страница 2 из 9 ПерваяПервая 123456 ... ПоследняяПоследняя

Информация о теме

Пользователи, просматривающие эту тему

Эту тему просматривают: 1 (пользователей: 0 , гостей: 1)

Похожие темы

  1. FPGA-реплика ЭВМ ДВК-3 и платы МС1201
    от forth32 в разделе ДВК, УКНЦ
    Ответов: 484
    Последнее: 10.09.2025, 09:35
  2. Ответов: 2
    Последнее: 21.07.2020, 00:27
  3. Ответов: 0
    Последнее: 09.09.2011, 21:42
  4. Ответов: 1
    Последнее: 04.06.2011, 19:49
  5. Разводка печатной платы клавиатуры
    от termik в разделе Устройства ввода
    Ответов: 11
    Последнее: 18.04.2010, 21:09

Ваши права

  • Вы не можете создавать новые темы
  • Вы не можете отвечать в темах
  • Вы не можете прикреплять вложения
  • Вы не можете редактировать свои сообщения
  •