"Тест буфера.
Проверяется одна ячейка памяти по адресу #4000. В неё записываются значения от #00 до #FF с последующей проверкой. Если всё в порядке, выводится сообщение об успешной проверке."
Я подробно расписывал весь ход теста ОЗУ 128К. Можете почитать тут.
Конкретно у вас бит 1 в ОЗУ неисправен. Из него постоянно читается лог.1.



Ответить с цитированием
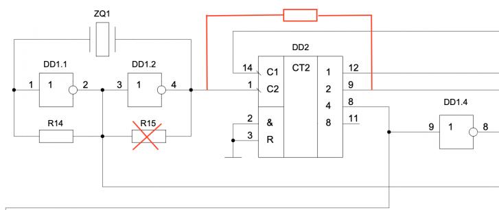
Сорвался земляной крокодильчик ослика и как-то смог коротнуть дорожки. Сиё действие унесло 3 микросхемы в рай (DD1, DD2, DD45). В наличии нет, жду посылку. Но! Благодаря этому я нашел и понял причину нестабильной генерации: